вконтакте

Контактный телефон: +7 (981) 121-46-93, +7 (800) 200-90-76 , Email: parts-katalog@yandex.ru, где купить

 
 

  Логин:

Пароль:

Регистрация

www.partskatalog.ru Все каталоги Запчасти Mercury Запчасти Suzuki Запчасти Tohatsu Запчасти Honda Контакты



УВАЖАЕМЫЕ КЛИЕНТЫ!
C 19 ДЕКАБРЯ 2025 ПО 02 МАРТА 2026 ГОДА ОТДЕЛ ЗАПЧАСТЕЙ И СЕРВИС РАБОТАТЬ НЕ БУДУТ
ПРОДАЖА ЛОДОЧНЫХ МОТОРОВ В ШТАТНОМ РЕЖИМЕ
ОБ ИЗМЕНЕНИЯХ В ГРАФИКЕ РАБОТЫ ЧИТАЙТЕ НА САЙТА




Выбрать другую модель

назад Раздел:   вперёд

вернуться к списку узлов и деталей

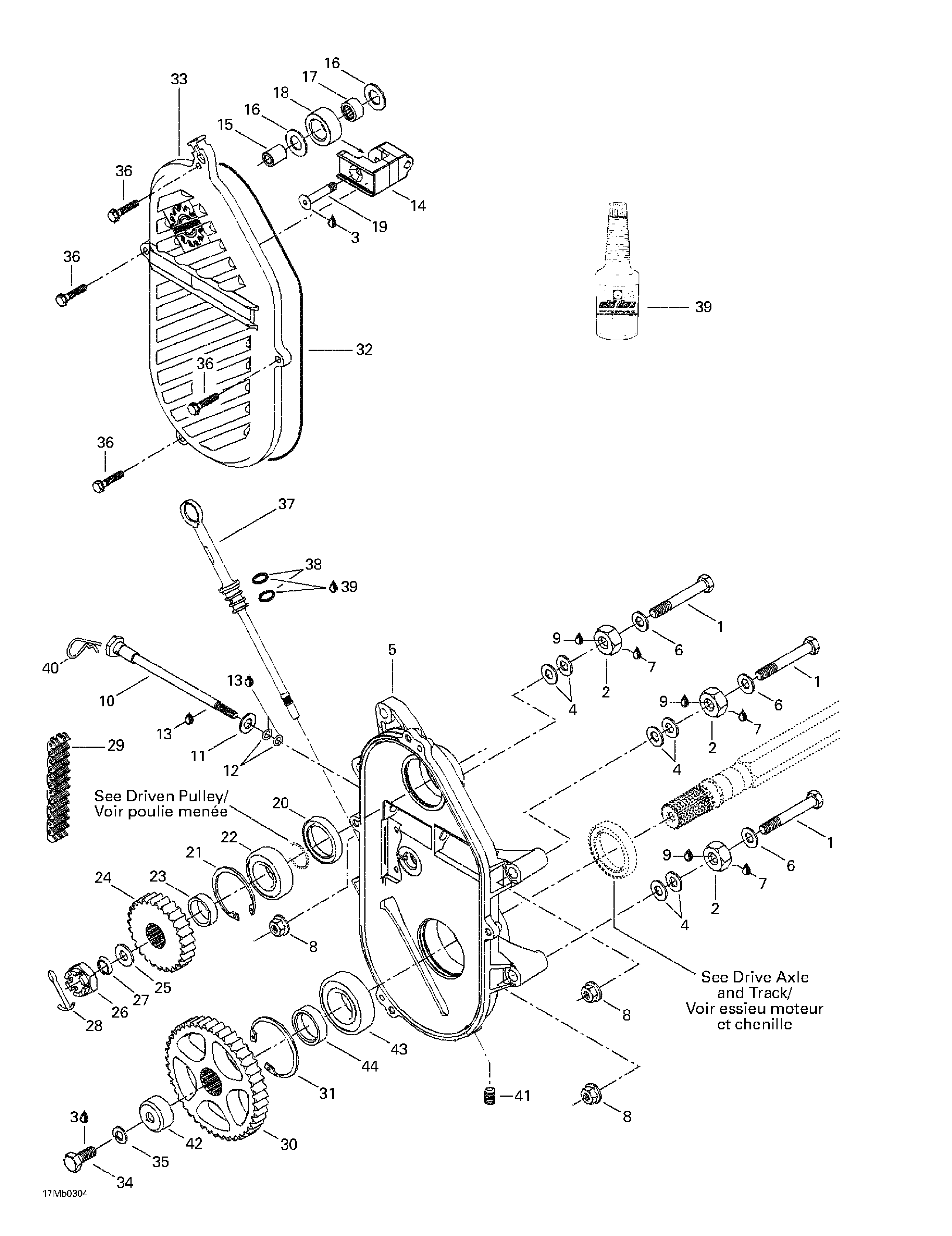
ДЕТАЛИРОВКА ДЛЯ МОДЕЛИ: SKIDOO MX Z 380 F/550 F, 2003

Раздел: Цепьcase | Chaincase


снегоход Skidoo MX Z 380 F/550 F, 2003 раздел - Цепьcase

Номер на
рисунке
АртикулНаименованиеКол-во
на складе
Цена
1 207108044

Шестигранный винт M10 x 80 (Hex. Screw M10 x 80)

под заказ859 руб.
2 504083800

Проставка (Spacer)

под заказ512 руб.
3 293800005

Loctite 271, 10 ml (Loctite 271, 10 ml)

под заказ2150 руб.
3 747020000

LOCTITE 271 *LOCTITE-271

под заказ1680 руб.
4 504073700

Шайба (Washer)

под заказ199 руб.
5 504152064

Цепьcase (Chaincase)

под заказпо запросу
5 504151776

CARTER CHAINE U*CASE-CHAIN MAC

под заказпо запросу
6 503183800

Шайба (Washer)

под заказ284 руб.
7 293800070

Loctite 767, Antiseize Lubricant, 8 oz (Loctite 767, Antiseize Lubricant, 8 oz)

под заказ2440 руб.
7 711297430

COPA SLIP *COPA-SLIP

под заказ1910 руб.
8 233201414

Elastic Фланецd Гайка M10 (Elastic Flanged Nut M10)

под заказ276 руб.
8 228701045

NUT-FLANGE ELASTIC DIN.6926

под заказ220 руб.
9 293800060

Loctite 243, 10 ml (Loctite 243, 10 ml)

под заказ2150 руб.
9 420897651

LOCTITE-243

под заказпо запросу
10732601314

Регулировочный винт (Adjusting Screw)

под заказ1810 руб.
11234001410

плоский Шайба 10 mm (Flat Washer 10 mm)

под заказ284 руб.
11224001211

WASHER-FLAT DIN.125A

под заказ230 руб.
12414484400

Уплотнительное кольцо (O-Ring)

под заказ529 руб.
12414274400

JOINT TORIQUE *RING-O

под заказ230 руб.
13219700417

Synthetic Смазка, 400g (Synthetic Grease, 400g)

под заказ7860 руб.
13293550033

SYNTHETIC GREASE 10X14OZ (1шт=1кор=10 туб)

под заказ10050 руб.
14504151951

Tensioner (Tensioner)

под заказ3010 руб.
15504080200

Проставка (Spacer)

под заказ681 руб.
15SM-03362

     (не оригинальная запчасть) Ролик натяжителя приводной цепи BRP SM-03362

под заказ3 060 руб.
16504080300

Шайба (Washer)

под заказ215 руб.
17405403000

Игольчатый подшипник (Needle Bearing)

под заказ2070 руб.
17SM-03362

     (не оригинальная запчасть) Ролик натяжителя приводной цепи BRP SM-03362

под заказ3 060 руб.
18414531300

Ролик (Roller)

под заказ3850 руб.
18SM-03362

     (не оригинальная запчасть) Ролик натяжителя приводной цепи BRP SM-03362

под заказ3 060 руб.
19732601144

Винт (Screw)

под заказ2230 руб.
20504151927

Сальник (Seal)

под заказ1640 руб.
20SM-03048

     (не оригинальная запчасть) Сальник КПП (верхний) BRP SM-03048

под заказ490 руб.
21371901700

Стопорное кольцо (interior) (Circlip (interior))

под заказ572 руб.
22504152006

Шариковый подшипник 6205 (Ball Bearing 6205)

под заказ1370 руб.
22405404400

ROULEMENT BILLE*BEARING-BALL

под заказ1260 руб.
22SM-03168

     (не оригинальная запчасть) Комплект подшипников BRP SM-03168

под заказ2 050 руб.
22SM-03209

     (не оригинальная запчасть) Ремкомплект трансмиссии снегохода BRP SM-03209

под заказ2 710 руб.
23504147200

Регулировочная шайба (Shim)

под заказ1730 руб.
24414680500

Цепное колесо ЗВЕЗДОЧКА (19 Tooth, Narrow) MX Z 380 F. Legend 380 F. (Sprocket (19 Tooth, Narrow). MX Z 380 F. Legend 380 F.)

под заказ6880 руб.
504056000

Цепное колесо ЗВЕЗДОЧКА (22 Tooth, Narrow) MX Z 550 F. Legend 550 F. (Sprocket (22 Tooth, Narrow). MX Z 550 F. Legend 550 F.)

под заказпо запросу
25504152049

Проставка (Spacer)

под заказ215 руб.
26232210414

Hex. Castellated Гайка M16 (Hex. Castellated Nut M16)

под заказ284 руб.
26228911045

NUT-HEX.CASTLE DIN.937

под заказ230 руб.
27417000900

Пружинная шайба (Spring Washer)

под заказ627 руб.
28371801300

Шплинт (Cotter Pin)

под заказ88 руб.
29504151883

Driving Цепь (72 Соединительs, Narrow) MX Z 380 F. Legend 380 F. (Driving Chain (72 Links, Narrow). MX Z 380 F. Legend 380 F.)

под заказ8510 руб.
29412105500

CHAINE 72 M. *CHAIN-DRIVING

под заказ6660 руб.
504151859

Driving Цепь (74 Соединительs, Narrow) MX Z 550 F. Legend 550 F. (Driving Chain (74 Links, Narrow). MX Z 550 F. Legend 550 F.)

под заказ6350 руб.
412105800

CHAINE *CHAIN-DRIVING

под заказ5820 руб.
30504148600

Цепное колесо ЗВЕЗДОЧКА Narrow (43 Tooth) (Sprocket Narrow (43 Tooth))

под заказ9440 руб.
31415064300

Стопорное кольцо (interior) (Circlip (interior))

под заказ494 руб.
32415046400

Уплотнительное кольцо (O-Ring)

под заказ601 руб.
32SM-03111

     (не оригинальная запчасть) Прокладка КПП BRP SM-03111

под заказ690 руб.
33504152027

Цепьcase Крышка (Chaincase Cover)

под заказ7640 руб.
33504152471

COVER-CASTING

под заказ14220 руб.
34207102544

Шестигранный винт M10 x 25 (Hex. Screw M10 x 25)

под заказ284 руб.
34420440241

SCREW-M10 X25

под заказ230 руб.
35234100602

Lock Пружинная шайба 10 mm (Lock Spring Washer 10 mm)

под заказ284 руб.
35224701188

WASHER-LOCK SPRING DIN.128A-A2

под заказ230 руб.
36210263080

Hex. дляming Винт M6 x 30 (Hex. Forming Screw M6 x 30)

под заказ242 руб.
36732600004

SCREW-FORMING HEX.HD.FL.GM6174

под заказ230 руб.
37504151703

Filler Колпачок в сборе (Filler Cap Assy)

под заказ1030 руб.
38414969400

Уплотнительное кольцо (O-Ring)

под заказ601 руб.
39413803300

Synthetic Цепьcase Oil, 12 x 355 ml (Synthetic Chaincase Oil,. 12 x 355 ml)

под заказ1860 руб.
39619590098

XPS synthetic Chaincase Oil 350ml (293600138) x 16

под заказ1040 руб.
40414575600

Hair Штифт (Hair Pin)

под заказ191 руб.
40414119600

GOUP.SURETE *PIN-HAIR

под заказ150 руб.
41504151921

Заглушка 1 / 8"-27 (Plug 1/8"-27)

под заказ250 руб.
41504151701

PLUG 1/8-27 N.P.T.

под заказ200 руб.
42501022400

Колпачок (Cap)

под заказ727 руб.
43504152005

Шариковый подшипник (Ball Bearing)

под заказ3280 руб.
43405408500

ROULEMENT BILLE*BEARING-BALL

под заказ2230 руб.
44504152058

Регулировочная шайба (Shim)

под заказ1250 руб.
44504152649

CALE EPAISSEUR *SHIM

под заказ1600 руб.
ski-doo

Время выполнения запроса 1.4568529129028 сек.


 
 

данный сайт носит информационный характер и не является публичной офертой

склад запчастей для водомоторной техники