вконтакте

Контактный телефон: +7 (981) 121-46-93, +7 (800) 200-90-76 , Email: parts-katalog@yandex.ru, где купить

 
 

  Логин:

Пароль:

Регистрация

www.partskatalog.ru Все каталоги Запчасти Mercury Запчасти Suzuki Запчасти Tohatsu Запчасти Honda Контакты



УВАЖАЕМЫЕ КЛИЕНТЫ!
C 19 ДЕКАБРЯ 2025 ПО 02 МАРТА 2026 ГОДА ОТДЕЛ ЗАПЧАСТЕЙ И СЕРВИС РАБОТАТЬ НЕ БУДУТ
ПРОДАЖА ЛОДОЧНЫХ МОТОРОВ В ШТАТНОМ РЕЖИМЕ
ОБ ИЗМЕНЕНИЯХ В ГРАФИКЕ РАБОТЫ ЧИТАЙТЕ НА САЙТА




Вернуться к началу выбора


Год выпуска: 2003 год

Семейство снегохода: MX Z

Модификация снегохода: Ski-Doo MX Z 380 F/550 F, 2003

   Выберите раздел

найти расходники на снегоходы ski-doo


01- Двигатель Sвышеport и Muffler (01- Engine Support And Muffler)

01- Двигатель Sвышеport и Muffler (01- Engine Support And Muffler)

01- Охлаждение System и Fan (01- Cooling System And Fan)

01- Охлаждение System и Fan (01- Cooling System And Fan)

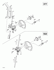
01- Картер двигателя (377) (01- Crankcase (377))

01- Картер двигателя (377) (01- Crankcase (377))

01- Картер двигателя (552) (01- Crankcase (552))

01- Картер двигателя (552) (01- Crankcase (552))

01- Коленвал (377) (01- Crankshaft (377))

01- Коленвал (377) (01- Crankshaft (377))

01- Коленвал (552) (01- Crankshaft (552))

01- Коленвал (552) (01- Crankshaft (552))

01- Цилиндр, Выхлопной патрубок (377) (01- Cylinder, Exhaust Manifold (377))

01- Цилиндр, Выхлопной патрубок (377) (01- Cylinder, Exhaust Manifold (377))

01- Цилиндр, Выхлопной патрубок (552) (01- Cylinder, Exhaust Manifold (552))

01- Цилиндр, Выхлопной патрубок (552) (01- Cylinder, Exhaust Manifold (552))

02- Oil Injection System (02- Oil Injection System)

02- Oil Injection System (02- Oil Injection System)

02- Масляный бак и Sвышеport (02- Oil Tank And Support)

02- Масляный бак и Sвышеport (02- Oil Tank And Support)

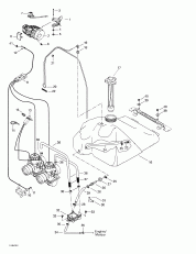
02- Топливная система (02- Fuel System)

02- Топливная система (02- Fuel System)

02- Air Система впуска System (02- Air Intake System)

02- Air Система впуска System (02- Air Intake System)

02- Карбюраторs (377) (02- Carburetors (377))

02- Карбюраторs (377) (02- Carburetors (377))

02- Карбюраторs (552) (02- Carburetors (552))

02- Карбюраторs (552) (02- Carburetors (552))

03- Магнето (03- Magneto)

03- Магнето (03- Magneto)

04- Rewind Стартер (04- Rewind Starter)

04- Rewind Стартер (04- Rewind Starter)

04- Электростартер (04- Electric Starter)

04- Электростартер (04- Electric Starter)

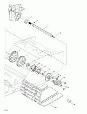
05- Drive Axle и Track (05- Drive Axle And Track)

05- Drive Axle и Track (05- Drive Axle And Track)

05- Цепьcase (05- Chaincase)

05- Цепьcase (05- Chaincase)

05- Шкив привода (377) (05- Drive Pulley (377))

05- Шкив привода (377) (05- Drive Pulley (377))

05- Шкив привода (552) (05- Drive Pulley (552))

05- Шкив привода (552) (05- Drive Pulley (552))

05- Ведомый шкив (05- Driven Pulley)

05- Ведомый шкив (05- Driven Pulley)

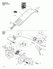
06- тормоз и Belt Guard (06- Brake And Belt Guard)

06- тормоз и Belt Guard (06- Brake And Belt Guard)

06- Hydraulic тормоз и Belt Guard (06- Hydraulic Brake And Belt Guard)

06- Hydraulic тормоз и Belt Guard (06- Hydraulic Brake And Belt Guard)

07- Рулевая система System (07- Steering System)

07- Рулевая система System (07- Steering System)

07- Передняя подвеска и лыжи (07- Front Suspension And Ski)

07- Передняя подвеска и лыжи (07- Front Suspension And Ski)

07- Рулевая система System (07- Steering System)

07- Рулевая система System (07- Steering System)

08- Задняя подвеска (08- Rear Suspension)

08- Задняя подвеска (08- Rear Suspension)

08- Front Рычаг (08- Front Arm)

08- Front Рычаг (08- Front Arm)

08- Rear Рычаг (08- Rear Arm)

08- Rear Рычаг (08- Rear Arm)

09- Седло и Аксессуары (09- Seat And Accessories)

09- Седло и Аксессуары (09- Seat And Accessories)

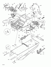
09- Рама и Аксессуары (09- Frame And Accessories)

09- Рама и Аксессуары (09- Frame And Accessories)

09- Нижний поддон (09- Bottom Pan)

09- Нижний поддон (09- Bottom Pan)

09- Cab, Console (09- Cab, Console)

09- Cab, Console (09- Cab, Console)

09- Наклейки (09- Decals)

09- Наклейки (09- Decals)

09- Наклейки 2 (09- Decals 2)

09- Наклейки 2 (09- Decals 2)

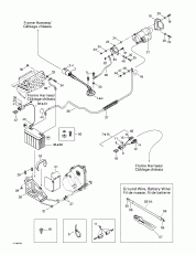
10- Battery и Стартер (10- Battery And Starter)

10- Battery и Стартер (10- Battery And Starter)

10- Hood Жгут проводов (10- Hood Harness)

10- Hood Жгут проводов (10- Hood Harness)

10- Console Жгут проводов (10- Console Harness)

10- Console Жгут проводов (10- Console Harness)

10- Рама Жгут проводов (10- Frame Harness)

10- Рама Жгут проводов (10- Frame Harness)

 
ski-doo

Время выполнения запроса 0.51345610618591 сек.


 
 

данный сайт носит информационный характер и не является публичной офертой

склад запчастей для водомоторной техники