вконтакте

Контактный телефон: +7 (981) 121-46-93, +7 (800) 200-90-76 , Email: parts-katalog@yandex.ru, где купить

 
 

  Логин:

Пароль:

Регистрация

www.partskatalog.ru Все каталоги Запчасти Mercury Запчасти Suzuki Запчасти Tohatsu Запчасти Honda Контакты



УВАЖАЕМЫЕ КЛИЕНТЫ!
C 19 ДЕКАБРЯ 2025 ПО 02 МАРТА 2026 ГОДА ОТДЕЛ ЗАПЧАСТЕЙ И СЕРВИС РАБОТАТЬ НЕ БУДУТ
ПРОДАЖА ЛОДОЧНЫХ МОТОРОВ В ШТАТНОМ РЕЖИМЕ
ОБ ИЗМЕНЕНИЯХ В ГРАФИКЕ РАБОТЫ ЧИТАЙТЕ НА САЙТА




Выбрать другую модель

назад Раздел:   вперёд

вернуться к списку узлов и деталей

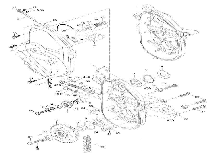
ДЕТАЛИРОВКА ДЛЯ МОДЕЛИ: LYNX 5900 ST, 2001


Snowmobiles Lynx  - Oil Tank

Номер на
рисунке
АртикулНаименованиеКол-во
на складе
Цена
15143073

Масляный бак (Oil tank)

под заказпо запросу
2572071000

Масляный бак Колпачок (Oil tank cap)

под заказ1930 руб.
2519000044

(последний код) BOUCHON *CAP

под заказ3350 руб.
207-288-01

     (не оригинальная запчасть) Крышка топливного/масляного бака BRP 07-288-01

под заказ660 руб.
3414681800

Oil Рычаг Датчик (Oil lever sensor)

под заказпо запросу
3216818

(последний код) OIL LEVEL SENSOR 414681800 BBD

под заказпо запросу
4414681900

Поплавок (Float)

под заказпо запросу
42196819

(последний код) KOHO SENSORILLE(USE 414681900)

под заказпо запросу
5570023000

Пыльник (Grommet)

под заказ580 руб.
52890230

(последний код) GROMMET (USE 570023000)

под заказ450 руб.
5SM-07403

     (не оригинальная запчасть) Уплотнительная втулка масляного бачка BRP SM-07403

под заказ140 руб.
6414420700

Струбцина (Clamp)

под заказ140 руб.
627414420700

(последний код) SPRING CLIP 414420700

под заказ110 руб.
740030

Винт M6x20 (Screw M6x20)

под заказ60 руб.
740075

(последний код) VIS *SCREW

под заказ50 руб.
820009

Шайба (Washer)

под заказпо запросу
8542376

(последний код) WASHER

под заказпо запросу
920052

Шайба с блокировкой (Lock washer)

под заказ120 руб.
9234161471

(последний код) WASHER-LOCK BLACK DIN.127B

под заказ130 руб.
1027119F

Струбцина (Clamp)

под заказпо запросу
11414536500

Масляный фильтр (Oil filter)

под заказ310 руб.
1107-246-05

     (не оригинальная запчасть) Фильтр масляный универсальный 07-246-05

под заказ370 руб.
1107-246-06

     (не оригинальная запчасть) Фильтр масляный BRP 07-246-06

под заказ470 руб.
1107-246-08

     (не оригинальная запчасть) Масляный фильтр 07-246-08

под заказ470 руб.
12250001

Пружина (Spring)

под заказ250 руб.
1339046

Oil line (Oil line)

под заказ1500 руб.
133999046

(последний код) HOSE 11/8 (USE 39046)

под заказ710 руб.
14570273900

Пыльник (Grommet)

под заказ980 руб.
14707800347

(последний код) PASSE-FILS *GROMMET

под заказ1150 руб.
14SM-07402

     (не оригинальная запчасть) Втулка топливной системы BRP SM-07402

под заказ140 руб.
15414655700

Пружина slip (Spring slip)

под заказ140 руб.
1527414655700

(последний код) SPRING CLAMP

под заказ110 руб.
16414644800

Oil line (Oil line)

под заказ2150 руб.
16414254200

(последний код) CONDUIT D-HUILE*LINE-OIL

под заказ1680 руб.
1725003

Пружина (Spring)

под заказ3150 руб.
18414523600

Elbow fitting 90 degr. (Elbow fitting 90 degr.)

под заказ430 руб.
1828414523600

(последний код) FITT ING-ELBOW

под заказ340 руб.
1928015

Трубка (Tube)

под заказ1260 руб.
205243611

Sвышеport (Support)

под заказ8860 руб.
2128136

Заглушка (Plug)

под заказ440 руб.
2228022

Пыльник (Grommet)

под заказ1000 руб.
22

(последний код)

под заказпо запросу
2333200

Гайка M6 (Nut M6)

под заказпо запросу
2333072

(последний код) NUT-FLANGE HEX. M6 DIN 6927 8.8 YIC

под заказпо запросу
2427092

Струбцина (Clamp)

под заказ210 руб.
255443578

Al-Защита (Al-protector)

под заказ220 руб.
25

(последний код)

под заказпо запросу
lynx

 
 

данный сайт носит информационный характер и не является публичной офертой

склад запчастей для водомоторной техники