вконтакте

Контактный телефон: +7 (981) 121-46-93, +7 (800) 200-90-76 , Email: parts-katalog@yandex.ru, где купить

 
 

  Логин:

Пароль:

Регистрация

www.partskatalog.ru Все каталоги Запчасти Mercury Запчасти Suzuki Запчасти Tohatsu Запчасти Honda Контакты



УВАЖАЕМЫЕ КЛИЕНТЫ!
C 19 ДЕКАБРЯ 2025 ПО 02 МАРТА 2026 ГОДА ОТДЕЛ ЗАПЧАСТЕЙ И СЕРВИС РАБОТАТЬ НЕ БУДУТ
ПРОДАЖА ЛОДОЧНЫХ МОТОРОВ В ШТАТНОМ РЕЖИМЕ
ОБ ИЗМЕНЕНИЯХ В ГРАФИКЕ РАБОТЫ ЧИТАЙТЕ НА САЙТА




Вернуться к началу выбора


Год выпуска: 2001 год

Семейство снегохода: 5900

Модификация снегохода: Lynx 5900 ST, 2001

   Выберите раздел

найти расходники на снегоходы ski-doo


01- Цилиндр (01- Cylinder)

01- Цилиндр (01- Cylinder)

01- Двигатель Крепление Пластина / muffler (01- Engine Mount Plate/muffler)

01- Radiator, Шлангs (01- Radiator, Hoses)

01- Radiator, Шлангs (01- Radiator, Hoses)

01- Масляный насос (01- Oil Pump)

01- Масляный насос (01- Oil Pump)

01- Масляный бак (01- Oil Tank)

01- Масляный бак (01- Oil Tank)

01- Air Глушитель (01- Air Silencer)

01- Air Глушитель (01- Air Silencer)

02- Карбюратор (02- Carburetor)

02- Карбюратор (02- Carburetor)

02- Топливный бак (02- Fuel Tank)

02- Топливный бак (02- Fuel Tank)

03- Fly Wheel (03- Fly Wheel)

03- Fly Wheel (03- Fly Wheel)

04- Rewind Стартер (04- Rewind Starter)

04- Rewind Стартер (04- Rewind Starter)

05- Шестерняbox (05- Gearbox)

05- Шестерняbox (05- Gearbox)

05- Сцепление (05- Clutch)

05- Сцепление (05- Clutch)

05- Ведомый шкив (05- Driven Pulley)

05- Ведомый шкив (05- Driven Pulley)

05- Drive Axle (05- Drive Axle)

05- Drive Axle (05- Drive Axle)

05- Картер двигателя (05- Crankcase)

05- Картер двигателя (05- Crankcase)

06- тормоз в сборе (06- Brake Assy)

06- тормоз в сборе (06- Brake Assy)

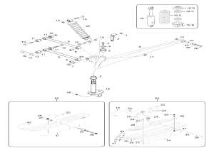
07- Рулевая система (07- Steering)

07- Рулевая система (07- Steering)

08- Передняя подвеска (08- Front Suspension)

08- Передняя подвеска (08- Front Suspension)

08- Задняя подвеска (08- Rear Suspension)

08- Задняя подвеска (08- Rear Suspension)

09- Hood (09- Hood)

09- Hood (09- Hood)

09- Equipment (09- Equipment)

09- Equipment (09- Equipment)

10- Electric (10- Electric)

10- Electric (10- Electric)

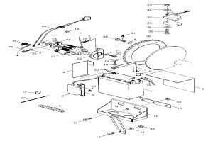
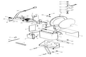
10- Battery (10- Battery)

10- Battery (10- Battery)

10- Электростартер (10- Electric Starter)

10- Электростартер (10- Electric Starter)

11- Аксессуары (11- Accessories)

11- Аксессуары (11- Accessories)

 
lynx

 
 

данный сайт носит информационный характер и не является публичной офертой

склад запчастей для водомоторной техники