вконтакте

Контактный телефон: +7 (981) 121-46-93, +7 (800) 200-90-76 , Email: parts-katalog@yandex.ru, где купить

 
 

  Логин:

Пароль:

Регистрация

www.partskatalog.ru Все каталоги Запчасти Mercury Запчасти Suzuki Запчасти Tohatsu Запчасти Honda Контакты


Все разделы каталога запчастей на этот двигатель

назад Раздел:   вперёд

вернуться к списку узлов и деталей

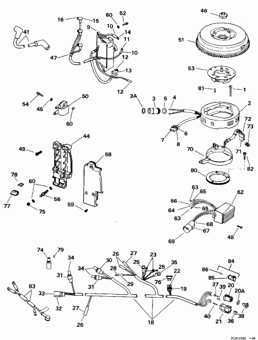
ДЕТАЛИРОВКА ДЛЯ МОДЕЛИ: EVINRUDE BE35ARLEDS 1996

IGNITION SYSTEM - REMOTE | IGNITION SYSTEM - REMOTE;


 EVINRUDE BE35ARLEDS 1996  - Remote / Remote

Номер на
рисунке
АртикулНаименованиеКол-во
на складе
Цена
1 0337147

Винт, Статор Креплениеing, M6 (SCREW, Stator mounting, M6)

нет в наличии, поставок нет
2 0584821

Статор в сборе., 4 / 12 (STATOR ASSY., 4/12)

нет в наличии, поставок нет
2 0763761

   (последний код) STATOR AY,-4/12

нет в наличии, поставок нет
3 0513664

Коннектор, 2-socket (CONNECTOR, 2-socket)

нет в наличии, поставок нет
3 3852250

   (последний код) CONN,2-CONT

нет в наличии, поставок нет
3A 0911729

Уплотнительное кольцо, Коннектор (O-RING, Connector)

нет в наличии, поставок нет
4 0513667

Клемма, Socket (TERMINAL, Socket)

нет в наличии, поставок нет
4 3852253

   (последний код) TERMINAL,RCP

нет в наличии, поставок нет
5 0513665

Сальник, Коннектор (SEAL, Connector)

нет в наличии, поставок нет
5 3852251

   (последний код) PLUG,CONN SEAL

нет в наличии, поставок нет
6 0514106

Коннектор, 4-socket (CONNECTOR, 4-socket)

нет в наличии, поставок нет
6 3856660

   (последний код) CONNECTOR

нет в наличии, поставок нет
7 0513439

Клемма (TERMINAL)

нет в наличии, поставок нет
8 0514780

Сальник, Коннектор (SEAL, Connector)

нет в наличии, поставок нет
9 0584823

POWER PACK (POWER PACK)

нет в наличии, поставок нет
9 0586472

   (последний код) POWERPACK AY

нет в наличии, поставок нет
10 0512037

Трубопровод (TUBING)

нет в наличии, поставок нет
10 0910776

   (последний код) SLEEVE

нет в наличии, поставок нет
11 0510818

Кольцо Клемма, 1 / 4 дюйм, 14-gauge (RING TERMINAL, 1/4 in., 14-gauge)

нет в наличии, поставок нет
11 3854243

   (последний код) TERMINAL,RIN

нет в наличии, поставок нет
12 0581656

Клемма, Socket (TERMINAL, Socket)

нет в наличии, поставок нет
12 3852257

   (последний код) TERMINAL AY,SCKT

нет в наличии, поставок нет
13 0512749

Коннектор, 4-socket (CONNECTOR, 4-socket)

нет в наличии, поставок нет
13 3852241

   (последний код) CONN,4-SKT-P

нет в наличии, поставок нет
14 0514158

Клемма, Кольцо, 1 / 4 дюйм, 10-gauge (TERMINAL, Ring, 1/4 in., 10-gauge)

нет в наличии, поставок нет
14 0511519

   (последний код) TERMINAL

нет в наличии, поставок нет
15 0512478

Крышка (COVER)

нет в наличии, поставок нет
16 0512256

SOCKET, Внешняя розетка (SOCKET, Receptacle)

нет в наличии, поставок нет
17 0317893

Крепёжный хомут, Coil leads (TIE STRAP, Coil leads)

нет в наличии, поставок нет
17 3852149

   (последний код) TIE-STRAP

нет в наличии, поставок нет
18 0586044

MOTOR Кабели в сборе. (MOTOR CABLE ASSY.)

нет в наличии, поставок нет
19 0514033

Коннектор, Предохранитель (CONNECTOR, Fuse)

нет в наличии, поставок нет
20 0514687

Коннектор, 6-socket (CONNECTOR, 6-socket)

нет в наличии, поставок нет
20A 0514790

Сальник, Коннектор (SEAL, Connector)

нет в наличии, поставок нет
21 0514688

Коннектор, 6-Штифт (CONNECTOR, 6-pin)

нет в наличии, поставок нет
22 0514035

Клемма, Предохранитель Коннектор (TERMINAL, Fuse connector)

нет в наличии, поставок нет
22 3858186

   (последний код) TERMINAL

нет в наличии, поставок нет
23 0511829

Клемма, Кольцо, #10 (TERMINAL, Ring, #10)

нет в наличии, поставок нет
23 3852233

   (последний код) TERMINAL,RIN

нет в наличии, поставок нет
24 0330100

Клемма, Кольцо, 5 / 16 дюйм (TERMINAL, Ring, 5/16 in.)

нет в наличии, поставок нет
24 3852198

   (последний код) TERMINAL,RIN

нет в наличии, поставок нет
25 0510781

Гильза, Клемма (SLEEVE, Terminal)

нет в наличии, поставок нет
26 0512876

Клемма, Socket (TERMINAL, Socket)

нет в наличии, поставок нет
26 3852244

   (последний код) TERMINAL,SOC

нет в наличии, поставок нет
27 0513186

Гильза, Socket (SLEEVE, Socket)

нет в наличии, поставок нет
27 3852248

   (последний код) SLEEVE,SKT-B

нет в наличии, поставок нет
28 0512947

Клемма, Bullet (TERMINAL, Bullet)

нет в наличии, поставок нет
28 0910462

   (последний код) TERM.-60766-

нет в наличии, поставок нет
29 0513185

Гильза, Bullet (SLEEVE, Bullet)

нет в наличии, поставок нет
29 0512948

   (последний код) SLEEVE

нет в наличии, поставок нет
30 0512747

Коннектор, 3-socket (CONNECTOR, 3-socket)

нет в наличии, поставок нет
30 3852239

   (последний код) CONN,3-SKT-P

нет в наличии, поставок нет
31 0512745

Коннектор, 2-socket (CONNECTOR, 2-socket)

нет в наличии, поставок нет
32 0512750

Коннектор, 4-Штифт (CONNECTOR, 4-pin)

нет в наличии, поставок нет
32 3852242

   (последний код) CONN,4-PIN-R

нет в наличии, поставок нет
33 0511469

Клемма, Штифт (TERMINAL, Pin)

нет в наличии, поставок нет
33 3852229

   (последний код) TERMINAL,PIN

нет в наличии, поставок нет
34 0581656

Клемма, Socket (TERMINAL, Socket)

нет в наличии, поставок нет
34 3852257

   (последний код) TERMINAL AY,SCKT

нет в наличии, поставок нет
35 0510818

Кольцо Клемма, 1 / 4 дюйм (RING TERMINAL, 1/4 in.)

нет в наличии, поставок нет
35 3854243

   (последний код) TERMINAL,RIN

нет в наличии, поставок нет
36 0514684

LOCK WEDGE (LOCK WEDGE)

нет в наличии, поставок нет
37 0514680

Клемма, Socket (TERMINAL, Socket)

нет в наличии, поставок нет
38 0514683

LOCK WEDGE (LOCK WEDGE)

нет в наличии, поставок нет
39 0514690

Заглушка, Vacant hole (PLUG, Vacant hole)

нет в наличии, поставок нет
40 0514679

Клемма, Штифт (TERMINAL, Pin)

нет в наличии, поставок нет
41 0584925

LEAD в сборе., Свеча зажигания (LEAD ASSY., Spark plug)

нет в наличии, поставок нет
44 0514693

Кронштейн, Электрика (BRACKET, Electrical)

нет в наличии, поставок нет
45 0328703

Шайба, Катушка зажигания Креплениеing (WASHER, Ignition coil mounting)

нет в наличии, поставок нет
45 3852184

   (последний код) WASHER

нет в наличии, поставок нет
46 0321341

Гайка, Маховик (NUT, Flywheel)

нет в наличии, поставок нет
48 0337244

Винт, Регулятор Креплениеing, M6 (SCREW, Regulator mounting, M6)

нет в наличии, поставок нет
49 0325095

Винт, Электрика Кронштейн, верхний (SCREW, Electrical bracket, upper)

нет в наличии, поставок нет
50 0584826

Катушка в сборе. (COIL ASSY.)

нет в наличии, поставок нет
50 0586323

   (последний код) COIL AY,IGN-COMPL

нет в наличии, поставок нет
51 0584887

Маховик в сборе. (FLYWHEEL ASSY.)

нет в наличии, поставок нет
52 0337244

Винт, Power pack, M6 (SCREW, Power pack, M6)

нет в наличии, поставок нет
53 0514372

ENCODER (ENCODER)

нет в наличии, поставок нет
54 0337147

Винт, Coil Креплениеing, M6 (SCREW, Coil mounting, M6)

нет в наличии, поставок нет
56 0341512

Винт, Кронштейн to Стартер (SCREW, Bracket to starter)

нет в наличии, поставок нет
58 0514522

Кронштейн Крышка (BRACKET COVER)

нет в наличии, поставок нет
59 0330838

Винт, Крышка (SCREW, Cover)

нет в наличии, поставок нет
59 0329268

   (последний код) SCREW

нет в наличии, поставок нет
60 0328701

Шайба с блокировкой (LOCK WASHER)

нет в наличии, поставок нет
60 3852182

   (последний код) WASHER,LOCK

нет в наличии, поставок нет
62 0584890

Регулятор / Выпрямитель (REGULATOR/RECTIFIER)

нет в наличии, поставок нет
63 0512947

BULLET Клемма (BULLET TERMINAL)

нет в наличии, поставок нет
63 0910462

   (последний код) TERM.-60766-

нет в наличии, поставок нет
64 0512876

SOCKET Клемма (SOCKET TERMINAL)

нет в наличии, поставок нет
64 3852244

   (последний код) TERMINAL,SOC

нет в наличии, поставок нет
65 0513185

Гильза, Bullet (SLEEVE, Bullet)

нет в наличии, поставок нет
65 0512948

   (последний код) SLEEVE

нет в наличии, поставок нет
66 0513186

Гильза, Socket (SLEEVE, Socket)

нет в наличии, поставок нет
66 3852248

   (последний код) SLEEVE,SKT-B

нет в наличии, поставок нет
67 0513663

Коннектор (CONNECTOR)

нет в наличии, поставок нет
67 3852249

   (последний код) CONN,2-CONT

нет в наличии, поставок нет
68 0513665

Сальник, Коннектор (SEAL, Connector)

нет в наличии, поставок нет
68 3852251

   (последний код) PLUG,CONN SEAL

нет в наличии, поставок нет
69 0513666

Клемма, Blade (TERMINAL, Blade)

нет в наличии, поставок нет
69 3852252

   (последний код) TERMINAL,BLA

нет в наличии, поставок нет
70 0584824

Датчик в сборе. (SENSOR ASSY.)

нет в наличии, поставок нет
71 0513439

Клемма, Socket (TERMINAL, Socket)

нет в наличии, поставок нет
72 0513440

Коннектор, 5-socket (CONNECTOR, 5-socket)

нет в наличии, поставок нет
73 0514754

Сальник (SEAL)

нет в наличии, поставок нет
74 0512746

Коннектор, 2-Штифт (CONNECTOR, 2-pin)

нет в наличии, поставок нет
75 0328740

Гайка, Заземление Болт (NUT, Ground bolt)

нет в наличии, поставок нет
75 0306375

   (последний код) NUT

нет в наличии, поставок нет
76 0514021

Предохранитель (FUSE)

нет в наличии, поставок нет
77 0514022

Заглушка, Spare Предохранитель (PLUG, Spare fuse)

нет в наличии, поставок нет
78 0514021

Запасной предохранитель (FUSE, Spare)

нет в наличии, поставок нет
79 0511496

Заглушка, Vacant hole (PLUG, Vacant hole)

нет в наличии, поставок нет
79 3852230

   (последний код) PLUG,CONN SEAL

нет в наличии, поставок нет
80 0340842

Датчик SвышеPORT (SENSOR SUPPORT)

нет в наличии, поставок нет
81 0335739

Винт, Encoder to Маховик (SCREW, Encoder to flywheel)

нет в наличии, поставок нет
82 0340867

Винт, Датчик sвышеport, M4 (SCREW, Sensor support, M4)

нет в наличии, поставок нет
83 0584381

Кабель аккумулятора (BATTERY CABLE)

нет в наличии, поставок нет
83 0432911

   (последний код) CABLE-AY-BAT

нет в наличии, поставок нет
84 0586072

Заглушка в сборе., Trim Коннектор (PLUG ASSY., Trim connector)

нет в наличии, поставок нет
85 0514868

Корпус (HOUSING)

нет в наличии, поставок нет
86 0514960

Заглушка, Vacant hole (PLUG, Vacant hole)

нет в наличии, поставок нет
evinrude

Время выполнения запроса 2.1058478355408 сек.


 
 

данный сайт носит информационный характер и не является публичной офертой

склад запчастей для водомоторной техники