вконтакте

Контактный телефон: +7 (981) 121-46-93, +7 (800) 200-90-76 , Email: parts-katalog@yandex.ru, где купить

 
 

  Логин:

Пароль:

Регистрация

www.partskatalog.ru Все каталоги Запчасти Mercury Запчасти Suzuki Запчасти Tohatsu Запчасти Honda Контакты



УВАЖАЕМЫЕ КЛИЕНТЫ!
C 19 ДЕКАБРЯ 2025 ПО 02 МАРТА 2026 ГОДА ОТДЕЛ ЗАПЧАСТЕЙ И СЕРВИС РАБОТАТЬ НЕ БУДУТ
ПРОДАЖА ЛОДОЧНЫХ МОТОРОВ В ШТАТНОМ РЕЖИМЕ
ОБ ИЗМЕНЕНИЯХ В ГРАФИКЕ РАБОТЫ ЧИТАЙТЕ НА САЙТА




Вернуться к началу выбора


Мощность Вашего двигателя: 35 л.с.

Год выпуска: 1996 год

Тип двигателя: 1422

Модификация двигателя: Evinrude BE35ARLEDS 1996

   Выберите раздел

найти расходники на лодочные моторы Evinrude


Выберите раздел

Карбюратор - 25 H.p. (Carburetor - 25 H.p.)

Карбюратор - 25 H.p. (Carburetor - 25 H.p.)

Карбюратор - 35 H.p. (Carburetor - 35 H.p.)

Карбюратор - 35 H.p. (Carburetor - 35 H.p.)

Коленвал & Поршень (Crankshaft & Piston)

Коленвал & Поршень (Crankshaft & Piston)

Цилиндр & Картер двигателя (Cylinder & Crankcase)

Цилиндр & Картер двигателя (Cylinder & Crankcase)

Электростартер (Electric Starter)

Электростартер (Electric Starter)

Крышка двигателя (капот) - Evinrude (Engine Cover - Evinrude)

Крышка двигателя (капот) - Evinrude (Engine Cover - Evinrude)

Крышка двигателя (капот) - Johnson (Engine Cover - Johnson)

Крышка двигателя (капот) - Johnson (Engine Cover - Johnson)

Топливная система (Fuel System)

Топливная система (Fuel System)

Топливный бак - 6 галлон (Fuel Tank - 6 Gallon)

Топливный бак - 6 галлон (Fuel Tank - 6 Gallon)

Редуктор (Gearcase)

Редуктор (Gearcase)

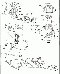
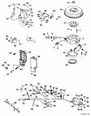
Ignition System - Tel (Ignition System - Tel)

Ignition System - Tel (Ignition System - Tel)

Ignition System - Tnt (Ignition System - Tnt)

Ignition System - Tnt (Ignition System - Tnt)

Ignition System - Remote (Ignition System - Remote)

Ignition System - Remote (Ignition System - Remote)

Ignition System - Шнур & Ac (Ignition System - Rope & Ac)

Ignition System - Шнур & Ac (Ignition System - Rope & Ac)

Впускной коллектор (Intake Manifold)

Впускной коллектор (Intake Manifold)

Нижняя крышка двигателя (Lower Engine Cover)

Нижняя крышка двигателя (Lower Engine Cover)

Midsection - ручной Tilt (Midsection - Manual Tilt)

Midsection - ручной Tilt (Midsection - Manual Tilt)

Midsection - Механизированный дифферент наклона (Midsection - Power Trim & Tilt)

Midsection - Механизированный дифферент наклона (Midsection - Power Trim & Tilt)

Краска (Paint)

Краска (Paint)

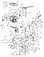
Механизированный дифферент наклона (Power Trim/tilt)

Механизированный дифферент наклона (Power Trim/tilt)

Механизированный дифферент наклона Электрика (Power Trim/tilt Electrical)

Механизированный дифферент наклона Электрика (Power Trim/tilt Electrical)

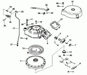
Rewind Стартер (Rewind Starter)

Rewind Стартер (Rewind Starter)

Переключатель сцепления (Shift Linkage)

Переключатель сцепления (Shift Linkage)

Рулевая система & Переключатель Handle (Steering & Shift Handle)

Рулевая система & Переключатель Handle (Steering & Shift Handle)

Рулевая система Соединитель Kit (Steering Link Kit)

Рулевая система Соединитель Kit (Steering Link Kit)

Соединитель дросселяage (Throttle Linkage)

Соединитель дросселяage (Throttle Linkage)

evinrude

Время выполнения запроса 0.26476001739502 сек.


 
 

данный сайт носит информационный характер и не является публичной офертой

склад запчастей для водомоторной техники