вконтакте

Контактный телефон: +7 (981) 121-46-93, +7 (800) 200-90-76 , Email: parts-katalog@yandex.ru, где купить

 
 

  Логин:

Пароль:

Регистрация

www.partskatalog.ru Все каталоги Запчасти Mercury Запчасти Suzuki Запчасти Tohatsu Запчасти Honda Контакты



УВАЖАЕМЫЕ КЛИЕНТЫ!
C 19 ДЕКАБРЯ 2025 ПО 02 МАРТА 2026 ГОДА ОТДЕЛ ЗАПЧАСТЕЙ И СЕРВИС РАБОТАТЬ НЕ БУДУТ
ПРОДАЖА ЛОДОЧНЫХ МОТОРОВ В ШТАТНОМ РЕЖИМЕ
ОБ ИЗМЕНЕНИЯХ В ГРАФИКЕ РАБОТЫ ЧИТАЙТЕ НА САЙТА




Выбрать другую модель

назад Раздел:   вперёд

вернуться к списку узлов и деталей

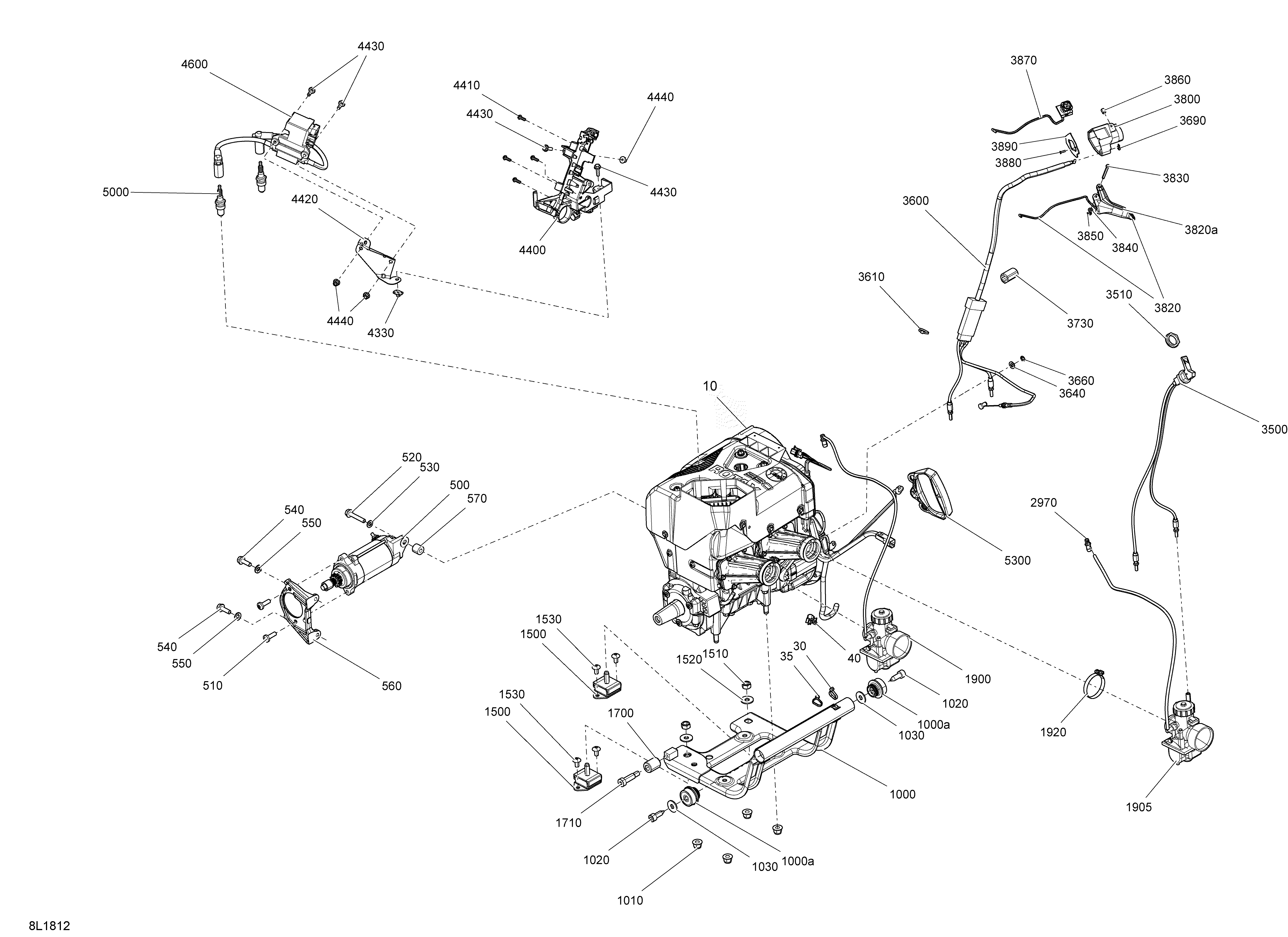
ДЕТАЛИРОВКА ДЛЯ МОДЕЛИ: SKIDOO SKANDIC 550F, 2018

Раздел: Двигатель Skandic - 550f | Engine Skandic - 550f


SKANDIC 550F, 2018 раздел - Двигатель Skandic 550f

Номер на
рисунке
АртикулНаименованиеКол-во
на складе
Цена
10 XXX

Двигатель 552STD. Package WT (Engine 552STD. Package WT)

10 XXX

Двигатель 552LCR. Package SWT (Engine 552LCR. Package SWT)

20 508000884

Heat Shield. Package SWT. Note Shown (Heat Shield. Package SWT. Note Shown)

под заказпо запросу
30 414115200

Tie-Rap 180 mm (Tie-Rap 180 mm)

под заказ130 руб.
30 414587300

TIE RAP *TIE-RAP

под заказ110 руб.
35 414115200

Tie-Rap 180 mm (Tie-Rap 180 mm)

под заказ130 руб.
35 414587300

TIE RAP *TIE-RAP

под заказ110 руб.
40 515176795

Зажим (Clip)

под заказ428 руб.
40 293750031

ANCRAGE TIE RAP*TIE RAP MOUNT

под заказ340 руб.
500 515177389

Стартер. Includes 500 to 500, 004 (Starter. Includes 500 to 500,004)

под заказ43100 руб.
500 515177047

DEMARREUR *STARTER

под заказпо запросу
500 SM-01314

     (не оригинальная запчасть) Стартер электрический BRP SM-01314

под заказ16 770 руб.
500 AT-MZ1210

     (не оригинальная запчасть) Стартер электрический BRP AT-MZ1210

под заказ11 490 руб.
500 SM-MZ1118

     (не оригинальная запчасть) Стартер электрический двигателя снегохода SM-MZ1118

под заказ16 230 руб.
500.001415129441

Сцепление Kit. Not Shown (Clutch Kit. Not Shown)

под заказ10100 руб.
500.001SM-01314-3

     (не оригинальная запчасть) Бендикс стартера BRP SM-01314-3

под заказ4 520 руб.
500.002415129333

Щётка Kit. Not Shown (Brush Kit. Not Shown)

под заказ2870 руб.
500.002410922978

PORTE BALAI *HOLDER-BRUSH

под заказ2250 руб.
500.003415129341

Стартер Болт. Not Shown (Starter Bolt. Not Shown)

под заказ1000 руб.
500.004415129342

Уплотнительное кольцо Kit. Not Shown (O-Ring Kit. Not Shown)

под заказ1210 руб.
500.004278000696

JOINT TORIQUE *O-RING

под заказпо запросу
510 250000752

Torx Винт M8 X 25, Scotch Рукоятка (Torx Screw M8 X 25, Scotch Grip)

под заказ74 руб.
520 207584544

Hex. Фланецd Винт M8 X 45, Scotch Рукоятка (Hex. Flanged Screw M8 X 45, Scotch Grip)

под заказ284 руб.
530 250200008

плоский Шайба With Teflon 8 mm (Flat Washer With Teflon 8 mm)

под заказ572 руб.
540 207582586

Hex. Фланецd Винт M8 X 25, Scotch Рукоятка (Hex. Flanged Screw M8 X 25, Scotch Grip)

под заказ284 руб.
550 234281474

Коническая пружинная шайба M8 (Conical Spring Washer M8)

под заказ284 руб.
550 732900030

WASHER-SPRING CONICAL DIN.6796

под заказ230 руб.
560 512060656

Sвышеport (Support)

под заказ4070 руб.
570 515176597

Проставка (Spacer)

под заказ978 руб.
1000 512060637

Двигатель Sвышеport в сборе (Engine Support Assy)

под заказ15950 руб.
1010 233201414

Hex. Фланецd Elastic Гайка M10 (Hex. Flanged Elastic Nut M10)

под заказ276 руб.
1010 228701045

NUT-FLANGE ELASTIC DIN.6926

под заказ220 руб.
1020 250000094

Винт M10 X 30 (Screw M10 X 30)

под заказ1780 руб.
1030 250200014

плоский Шайба M10 (Flat Washer M10)

под заказ859 руб.
1030 705400033

RONDELLE *WASHER

под заказ680 руб.
1500 512060564

Монтажная резинка (Rubber Mount)

под заказ2920 руб.
1510 232500416

Эластичная гайка со стопором M10 (Elastic Stop Nut M10)

под заказ284 руб.
1510 732610018

NUT-STOP ELASTIC DIN.985

под заказ230 руб.
1520 250200014

плоский Шайба M10 (Flat Washer M10)

под заказ859 руб.
1520 705400033

RONDELLE *WASHER

под заказ680 руб.
1530 250000746

Torx Truss Винт M8 X 16 (Torx Truss Screw M8 X 16)

под заказ290 руб.
1700 512060395

Стопор (Stopper)

под заказ1310 руб.
1710 250000463

Socket Head Винт, Scotch Рукоятка (Socket Head Screw, Scotch Grip)

под заказ859 руб.
1900 403138814

Карбюратор VM30-219, PTO (Carburetor VM30-219, PTO)

под заказ22200 руб.
1905 403138813

Карбюратор VM30-218, MAG (Carburetor VM30-218, MAG)

под заказ28200 руб.
1920 512059834

Gemi Струбцина (Gemi Clamp)

под заказ181 руб.
2970 414814100

Male Коннектор (Male Connector)

под заказ300 руб.
3500 512060676

Choke Кабели (Choke Cable)

под заказ7930 руб.
3500 512060418

CABLE ETRANG. *CHOKE CABLE

под заказ1570 руб.
3500 SM-05232

     (не оригинальная запчасть) Трос подсоса BRP SM-05232

под заказ2 190 руб.
3510 512060671

пластиковый Гайка (Plastic Nut)

под заказ72 руб.
3600 512060885

Тросик дросселя (Throttle Cable)

под заказ7930 руб.
3600 SM-05268

     (не оригинальная запчасть) Тросик газа BRP SM-05268

под заказ3 690 руб.
3610 414115200

Tie-Rap 180 mm (Tie-Rap 180 mm)

под заказ130 руб.
3610 414587300

TIE RAP *TIE-RAP

под заказ110 руб.
3611 293850117

Rubber Хомут (Rubber Strap)

под заказ529 руб.
3640 234081100

плоский Шайба 8 mm, Nylon (Flat Washer 8 mm, Nylon)

под заказ263 руб.
3640 211200023

WASHER-FLAT DIN.125A

под заказ210 руб.
3660 414753500

Стопорное кольцо (Circlip)

под заказ130 руб.
3690 414274500

Стопорное кольцо (Circlip)

под заказ138 руб.
3800 512060603

Дроссель Корпус (Throttle Housing)

под заказ760 руб.
3820 512061251

Handle в сборе (Handle Assy)

под заказ6430 руб.
3830 414438700

Рычаг Штифт (Lever Pin)

под заказ803 руб.
3840 234051600

плоский Шайба M5, Stainless (Flat Washer M5, Stainless)

под заказ130 руб.
3840 290827803

RONDELLE *WASHER

под заказ110 руб.
3850 293370050

Стопорное кольцо (Circlip)

под заказ35 руб.
3860 414440800

Socket Установочный винт M8 X 10 (Socket Set Screw M8 X 10)

под заказ290 руб.
3860 114144408

SCREW

под заказ220 руб.
3870 515177362

Kill Переключатель (Kill Switch)

под заказ7040 руб.
3870 515177061

Kill Switch

под заказ5510 руб.
3870 SM-01572

     (не оригинальная запчасть) Кнопка выключения двигателя BRP SM-01572

под заказ3 390 руб.
3880 250000756

Torx Truss Винт M2 X 12 (Torx Truss Screw M2 X 12)

под заказ548 руб.
3890 512060390

Пластина (Plate)

под заказ670 руб.
4330 293100003

Гайка M6 (Nut M6)

под заказ715 руб.
4330 211100038

NUT-T-SHAPE

под заказпо запросу
4400 512060924

Coils Sвышеport (Coils Support)

под заказ670 руб.
4410 241151640

Hex. Фланецd Винт K50 X 16 (Hex. Flanged Screw K50 X 16)

под заказ284 руб.
4420 512060460

Sвышеport Coils (Support Coils)

под заказ1380 руб.
4430 207662044

Hex. Фланецd Винт M6 X 20 (Hex. Flanged Screw M6 X 20)

под заказ284 руб.
4440 233261414

Hex. Фланецd Elastic Гайка M6 (Hex. Flanged Elastic Nut M6)

под заказ284 руб.
4600 512060324

Calibrated Module (Calibrated Module)

под заказ40700 руб.
4600 SU-01186

     (не оригинальная запчасть) Катушка зажигания BRP SU-01186

под заказ42 490 руб.
5000 512059552

Свеча зажигания, NGK BR9ECS-5 (Spark Plug, NGK BR9ECS-5)

под заказ720 руб.
5300 512060136

Стартер Рукоятка (Starter Grip)

под заказ1050 руб.
ski-doo

Время выполнения запроса 1.1163518428802 сек.


 
 

данный сайт носит информационный характер и не является публичной офертой

склад запчастей для водомоторной техники