| |
Выбрать другую модель
вернуться к списку узлов и деталей ДЕТАЛИРОВКА ДЛЯ МОДЕЛИ: SKIDOO MX Z 440 F/Z 583/Z 670 1997
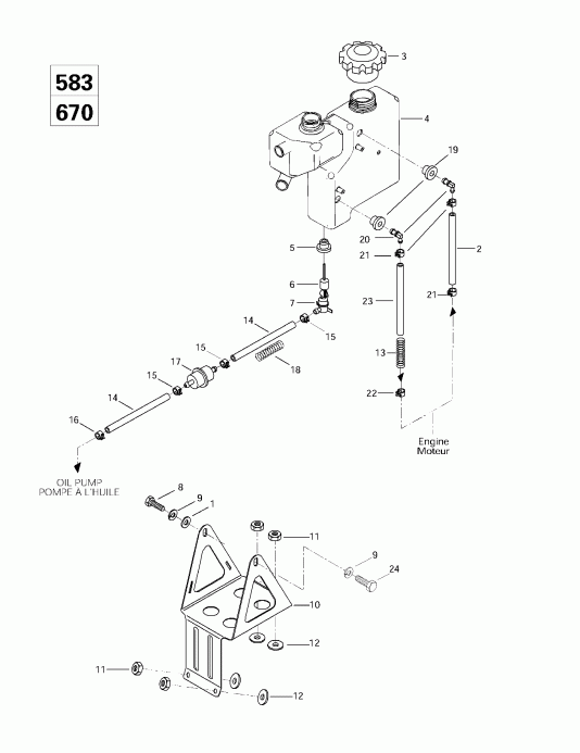
Раздел: Масляный бак и Sвышеport (583, 670) | Oil Tank And Support (583, 670)
Номер на рисунке | Артикул | Наименование | Кол-во на складе | Цена |
| 1 | 224061121 | Шайба. MX Z 583. MX Z 670. (Washer. MX Z 583. MX Z 670.) | под заказ | 138 руб. |
| 1 | 702000112 | RONDELLE *WASHER | под заказ | 110 руб. |
| 2 | 414644800 | Oil Line. MX Z 583. MX Z 670. (Oil Line. MX Z 583. MX Z 670.) | под заказ | 2150 руб. |
| 2 | 414254200 | CONDUIT D-HUILE*LINE-OIL | под заказ | 1680 руб. |
| 3 | 572071000 | Масляный бак Колпачок. MX Z 583. MX Z 670. (Oil Tank Cap. MX Z 583. MX Z 670.) | под заказ | 1930 руб. |
| 3 | 519000044 | BOUCHON *CAP | под заказ | 3350 руб. |
| 3 | 07-288-01 | (не оригинальная запчасть) Крышка топливного/масляного бака BRP 07-288-01 | под заказ | 660 руб. |
| 4 | 572076900 | Injection Масляный бак. MX Z 583. MX Z 670. (Injection Oil Tank. MX Z 583. MX Z 670.) | под заказ | 7330 руб. |
| 4 | 519000034 | RESERVOIR HUILE*TANK-OIL | под заказ | 7980 руб. |
| 5 | 570023000 | Пыльник. MX Z 583. MX Z 670. (Grommet. MX Z 583. MX Z 670.) | под заказ | 572 руб. |
| 5 | 2890230 | GROMMET (USE 570023000) | под заказ | 450 руб. |
| 5 | SM-07403 | (не оригинальная запчасть) Уплотнительная втулка масляного бачка BRP SM-07403 | под заказ | 140 руб. |
| 6 | 414681900 | Поплавок. MX Z 583. MX Z 670. (Float. MX Z 583. MX Z 670.) | под заказ | по запросу |
| 6 | 2196819 | KOHO SENSORILLE(USE 414681900) | под заказ | по запросу |
| 7 | 414681800 | Oil Level Датчик. MX Z 583. MX Z 670. (Oil Level Sensor. MX Z 583. MX Z 670.) | под заказ | по запросу |
| 7 | 216818 | OIL LEVEL SENSOR 414681800 BBD | под заказ | по запросу |
| 8 | 222061265 | Шестигранный винт M6 x 12. MX Z 583. MX Z 670. (Hex. Screw M6 x 12. MX Z 583. MX Z 670.) | под заказ | 102 руб. |
| 8 | 207161244 | SCREW-HEX.CAP DIN.933 | под заказ | 130 руб. |
| 9 | 224761110 | Шайба с блокировкой 6 mm. MX Z 583. MX Z 670. (Lock Washer 6 mm. MX Z 583. MX Z 670.) | под заказ | 102 руб. |
| 9 | 234161471 | WASHER-LOCK BLACK DIN.127B | под заказ | 130 руб. |
| 10 | 517278900 | Oil Резервуар Sвышеport. MX Z 583. MX Z 670. (Oil Reservoir Support. MX Z 583. MX Z 670.) | под заказ | по запросу |
| 11 | 228561045 | Hex. Гайка M6. MX Z 583. MX Z 670. (Hex. Nut M6. MX Z 583. MX Z 670.) | под заказ | 102 руб. |
| 11 | 232561414 | NUT-STOP ELASTIC DIN.985 | под заказ | 130 руб. |
| 12 | 414454400 | Rubber Шайба. MX Z 583. MX Z 670. (Rubber Washer. MX Z 583. MX Z 670.) | под заказ | 308 руб. |
| 12 | 570123000 | ENTRETOISE CAOU*SPACER-RUBBER | под заказ | по запросу |
| 13 | 415044100 | Пружина. MX Z 583. MX Z 670. (Spring. MX Z 583. MX Z 670.) | под заказ | 301 руб. |
| 14 | 414533300 | Oil Line 7.94 mm DiaПрибор. MX Z 583. MX Z 670. (Oil Line 7.94 mm Diameter. MX Z 583. MX Z 670.) | под заказ | 898 руб. |
| 14 | 415080700 | BOYAU POLYURE *HOSE*POLYURETHANE | под заказ | 1150 руб. |
| 15 | 414415200 | Пружина Зажим. MX Z 583. MX Z 670. (Spring Clip. MX Z 583. MX Z 670.) | под заказ | 138 руб. |
| 16 | 414420700 | Пружина Зажим. MX Z 583. MX Z 670. (Spring Clip. MX Z 583. MX Z 670.) | под заказ | 138 руб. |
| 16 | 27414420700 | SPRING CLIP 414420700 | под заказ | 110 руб. |
| 17 | 414536500 | Фильтр. MX Z 583. MX Z 670. (Filter. MX Z 583. MX Z 670.) | под заказ | 308 руб. |
| 17 | 07-246-05 | (не оригинальная запчасть) Фильтр масляный универсальный 07-246-05 | под заказ | 370 руб. |
| 17 | 07-246-06 | (не оригинальная запчасть) Фильтр масляный BRP 07-246-06 | под заказ | 470 руб. |
| 17 | 07-246-08 | (не оригинальная запчасть) Масляный фильтр 07-246-08 | под заказ | 470 руб. |
| 18 | 414940300 | Пружина. MX Z 583. MX Z 670. (Spring. MX Z 583. MX Z 670.) | под заказ | 234 руб. |
| 19 | 570273900 | Пыльник. MX Z 583. MX Z 670. (Grommet. MX Z 583. MX Z 670.) | под заказ | 978 руб. |
| 19 | 707800347 | PASSE-FILS *GROMMET | под заказ | 1150 руб. |
| 19 | SM-07402 | (не оригинальная запчасть) Втулка топливной системы BRP SM-07402 | под заказ | 140 руб. |
| 20 | 414523600 | Elbow Fitting 90 Deg. MX Z 583. MX Z 670. (Elbow Fitting 90 Deg. MX Z 583. MX Z 670.) | под заказ | 428 руб. |
| 20 | 28414523600 | FITT ING-ELBOW | под заказ | 340 руб. |
| 21 | 414655700 | Пружина Зажим. MX Z 583. MX Z 670. (Spring Clip. MX Z 583. MX Z 670.) | под заказ | 138 руб. |
| 21 | 27414655700 | SPRING CLAMP | под заказ | 110 руб. |
| 22 | 408801100 | Пружина Зажим. MX Z 583. MX Z 670. (Spring Clip. MX Z 583. MX Z 670.) | под заказ | 321 руб. |
| 22 | 408800300 | BRIDE *CLAMP | под заказ | 300 руб. |
| 23 | 414644800 | Oil Line. MX Z 583. MX Z 670. (Oil Line. MX Z 583. MX Z 670.) | под заказ | 2150 руб. |
| 23 | 414254200 | CONDUIT D-HUILE*LINE-OIL | под заказ | 1680 руб. |
| 24 | 222061065 | Шестигранный винт M6 x 10. MX Z 583. MX Z 670. (Hex. Screw M6 x 10. MX Z 583. MX Z 670.) | под заказ | 102 руб. |
| 24 | 207161044 | SCREW-HEX.CAP DIN.933 | под заказ | 130 руб. |

Время выполнения запроса 1.5881640911102 сек.
|
|