вконтакте

Контактный телефон: +7 (981) 121-46-93, +7 (800) 200-90-76 , Email: parts-katalog@yandex.ru, где купить

 
 

  Логин:

Пароль:

Регистрация

www.partskatalog.ru Все каталоги Запчасти Mercury Запчасти Suzuki Запчасти Tohatsu Запчасти Honda Контакты



УВАЖАЕМЫЕ КЛИЕНТЫ!
C 19 ДЕКАБРЯ 2025 ПО 02 МАРТА 2026 ГОДА ОТДЕЛ ЗАПЧАСТЕЙ И СЕРВИС РАБОТАТЬ НЕ БУДУТ
ПРОДАЖА ЛОДОЧНЫХ МОТОРОВ В ШТАТНОМ РЕЖИМЕ
ОБ ИЗМЕНЕНИЯХ В ГРАФИКЕ РАБОТЫ ЧИТАЙТЕ НА САЙТА




Выбрать другую модель

назад Раздел:   вперёд

вернуться к списку узлов и деталей

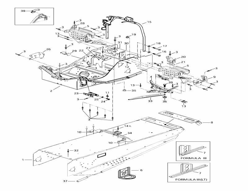
ДЕТАЛИРОВКА ДЛЯ МОДЕЛИ: SKIDOO Formula III, 1997

Раздел: Рама и Аксессуары | Frame And Accessories


снегоход BRP SkiDoo Formula III, 1997 - Рама и Аксессуары

Номер на
рисунке
АртикулНаименованиеКол-во
на складе
Цена
1 518316850

Tunnel. дляmula III. (Tunnel. Formula III.)

под заказпо запросу
518316853

Tunnel. дляmula III-LT. (Tunnel. Formula III-LT.)

под заказпо запросу
2 518316245

Front Member. дляmula III. (Front Member. Formula III.)

под заказпо запросу
518316246

Front Member. дляmula III-LT. (Front Member. Formula III-LT.)

под заказпо запросу
3 390402200

Заклёпка (Rivet)

под заказ138 руб.
4 518316702

L.H. Sвышеport (L.H. Support)

под заказ8300 руб.
4 518320507

SUP.REP.PI.GA. *SUP.-FOOT.LH

под заказ10610 руб.
518316703

R.H. Sвышеport (R.H. Support)

под заказ8300 руб.
518320506

SUP.REP.PI.DR. *SUP.-FOOT.RH

под заказ9040 руб.
5 518312906

R.H. Front Footrest (R.H. Front Footrest)

под заказпо запросу
518312907

L.H. Front Footrest (L.H. Front Footrest)

под заказпо запросу
6 518312910

Front Кронштейн (Front Bracket)

под заказ900 руб.
6 518321495

ATTACHE AVANT *BRACKET-FRONT

под заказ990 руб.
7 518316749

L.H. Rear Кронштейн. дляmula III. (L.H. Rear Bracket. Formula III.)

под заказпо запросу
518316750

R.H. Rear Кронштейн. дляmula III. (R.H. Rear Bracket. Formula III.)

под заказпо запросу
518316733

L.H. Rear Кронштейн. дляmula III-LT. (L.H. Rear Bracket. Formula III-LT.)

под заказпо запросу
518316734

R.H. Rear Кронштейн. дляmula III-LT. (R.H. Rear Bracket. Formula III-LT.)

под заказпо запросу
8 518310211

Колпачок-End (Cap-End)

под заказ2990 руб.
8 518321301

CAPUCHON ARR. *CAP-REAR

под заказ3250 руб.
518308717

Колпачок-End (Cap-End)

под заказпо запросу
9 518312908

Side Пластина L.H (Side Plate L.H)

под заказпо запросу
518312909

Side Пластина R.H (Side Plate R.H)

под заказпо запросу
10518304735

R.H. Tank Кронштейн (R.H. Tank Bracket)

под заказпо запросу
518304736

L.H. Tank Кронштейн (L.H. Tank Bracket)

под заказпо запросу
11413707400

Loctite 271, 10cc (Loctite 271, 10cc)

под заказ1680 руб.
11293800005

LOCTITE 271 *LOCTITE-271

под заказ2150 руб.
12390909200

Avex Заклёпка (Short) (Avex Rivet (Short))

под заказ138 руб.
12605636005

Rivet Avex 4.8x10 St

под заказ70 руб.
13390909100

Avex Заклёпка (Long) (Avex Rivet (Long))

под заказ21 руб.
14390402400

Заклёпка (Rivet)

под заказ138 руб.
15518304743

Handle Рулевая опора (Handle Steering Support)

под заказпо запросу
16222064065

Шестигранный винт M6 x 40 (Hex. Screw M6 x 40)

под заказ222 руб.
16207064044

SCREW-HEX.CAP DIN.931

под заказ290 руб.
17222063565

Шестигранный винт M6 x 35 (Hex. Screw M6 x 35)

под заказпо запросу
17222063515

SCREW-HEX.CAP DIN.931

под заказпо запросу
18224061151

Шайба 6 mm (Washer 6 mm)

под заказ206 руб.
18234061410

WASHER-FLAT M6 DIN.125A

под заказ270 руб.
19228761045

Elastic Фланецd Stop Гайка M6 (Elastic Flanged Stop Nut M6)

под заказ222 руб.
19233261414

NUT-FLANGE ELASTIC DIN.6926

под заказ290 руб.
20518202100

Шкив Guard Кронштейн (Pulley Guard Bracket)

под заказ1200 руб.
21518207500

Reinдляcement (Reinforcement)

под заказ383 руб.
22518310800

Air Глушитель Sвышеport (Air Silencer Support)

под заказпо запросу
23518304741

Reinf. Пластина (Reinf. Plate)

под заказпо запросу
24222082065

Шестигранный винт M8 x 20 (Hex. Screw M8 x 20)

под заказпо запросу
24222082015

SCREW-HEX.CAP DIN.933

под заказпо запросу
25224781140

Шайба с блокировкой 8 mm (Lock Washer 8 mm)

под заказ108 руб.
25234181401

WASHER-LOCK DIN*.127B

под заказ140 руб.
26518206300

Muffler Sвышеport (Muffler Support)

под заказ859 руб.
26518322635

SUPPORT SILENC.*SUPPORT-MUFFLER

под заказ940 руб.
27518310400

Air Глушитель Sвышеport (Air Silencer Support)

под заказ853 руб.
28518310206

Кронштейн-Fuel Клапан (Bracket-Fuel Valve)

под заказпо запросу
29518207800

Защита (Protector)

под заказпо запросу
30517252000

Кронштейн-Outer (Bracket-Outer)

под заказпо запросу
31518313900

Кронштейн-Inner (Bracket-Inner)

под заказпо запросу
32390402300

Заклёпка (Rivet)

под заказ138 руб.
33518316709

R.H. Reinf. Пластина (R.H. Reinf. Plate)

под заказпо запросу
33518312929

PLAQUE RENF.DR.*PLATE-REINF.RH

под заказпо запросу
518316710

L.H. Reinf. Пластина (L.H. Reinf. Plate)

под заказ728 руб.
518321959

PLAQUE RENF.GA.*PLATE-REINF.LH

под заказ800 руб.
34518310208

Седло Кронштейн (Seat Bracket)

под заказпо запросу
35414859400

Колпачок (Cap)

под заказ428 руб.
36228751045

Гайка Фланецd Elastic M5 (Nut Flanged Elastic M5)

под заказпо запросу
36233251414

NUT-FLANGE ELASTIC DIN.6926

под заказ270 руб.
37518304746

Reinдляcement-Footrest (Reinforcement-Footrest)

под заказ2420 руб.
38517276000

Направляющая шнура (Rope Guide)

под заказпо запросу
39222051665

Винт Hex. M5 x 16 (Screw Hex. M5 x 16)

под заказ102 руб.
39207151644

SCREW-HEX.CAP DIN.933

под заказ130 руб.
ski-doo

Время выполнения запроса 3.0254249572754 сек.


 
 

данный сайт носит информационный характер и не является публичной офертой

склад запчастей для водомоторной техники