вконтакте

Контактный телефон: +7 (981) 121-46-93, +7 (800) 200-90-76 , Email: parts-katalog@yandex.ru, где купить

 
 

  Логин:

Пароль:

Регистрация

www.partskatalog.ru Все каталоги Запчасти Mercury Запчасти Suzuki Запчасти Tohatsu Запчасти Honda Контакты



УВАЖАЕМЫЕ КЛИЕНТЫ!
C 19 ДЕКАБРЯ 2025 ПО 02 МАРТА 2026 ГОДА ОТДЕЛ ЗАПЧАСТЕЙ И СЕРВИС РАБОТАТЬ НЕ БУДУТ
ПРОДАЖА ЛОДОЧНЫХ МОТОРОВ В ШТАТНОМ РЕЖИМЕ
ОБ ИЗМЕНЕНИЯХ В ГРАФИКЕ РАБОТЫ ЧИТАЙТЕ НА САЙТА




Выбрать другую модель

назад Раздел:   вперёд

вернуться к списку узлов и деталей

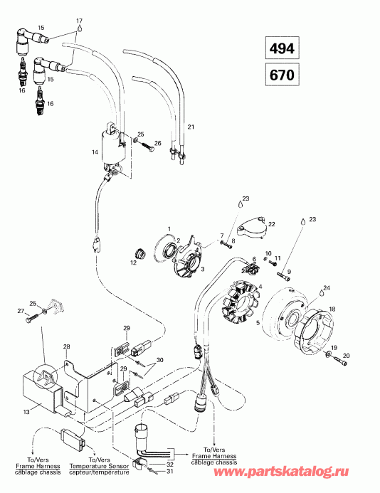
ДЕТАЛИРОВКА ДЛЯ МОДЕЛИ: SKIDOO Summit 500/583/670, 1998

Раздел: Магнето 12v 220w (494, 670) | Magneto 12v 220w (494, 670)


snowmobile  модификация Summit 500/583/670, 1998 - Магнето 12v 220w (494, 670)

Номер на
рисунке
АртикулНаименованиеКол-во
на складе
Цена
1 420850430

Уплотнительное кольцо. Summit 500. Summit 670. (O-Ring. Summit 500. Summit 670.)

под заказ1000 руб.
1 850430

O-RING 75-2,5(USE 420850430)

под заказ790 руб.
2 420930695

Сальник-Oil. Summit 500. Summit 670. (Seal-Oil. Summit 500. Summit 670.)

под заказ2710 руб.
2 930695

OIL-SEAL (USE 420930695)

под заказ2150 руб.
3 420810265

Якорь Пластина. Summit 500. Summit 670. (Armature Plate. Summit 500. Summit 670.)

под заказпо запросу
4 410922000

Магнето в сборе 12V 220W. Includes 4 - 6. Summit 500. Summit 670. (Magneto Assy 12V 220W. Includes 4 - 6. Summit 500. Summit 670.)

под заказпо запросу
4 410922100

Статор в сборе. Summit 500. Summit 670. (Stator Assy. Summit 500. Summit 670.)

под заказ34300 руб.
4 410922905

PLAQUE REACTEUR*PLATE-STATOR A

под заказ37400 руб.
5 410922200

Магнето Маховик. Summit 500. Summit 670. (Magneto Flywheel. Summit 500. Summit 670.)

под заказпо запросу
6 410921100

Pick выше в сборе. Summit 500. Summit 670. (Pick Up Assy. Summit 500. Summit 670.)

под заказ4620 руб.
7 420945750

Шайба с блокировкой 5 mm. Summit 500. Summit 670. (Lock Washer 5 mm. Summit 500. Summit 670.)

под заказ138 руб.
7 402402400

RONDELLE-FREIN *WASHER-LOCK

под заказ110 руб.
8 420941540

Allen Винт M5 x 20. Summit 500. Summit 670. (Allen Screw M5 x 20. Summit 500. Summit 670.)

под заказ170 руб.
8 941540

ALLEN SCREW (USE420941540)

под заказ140 руб.
9 420840886

Allen Винт M6 x 30. Summit 500. Summit 670. (Allen Screw M6 x 30. Summit 500. Summit 670.)

под заказ284 руб.
9 290840886

VIS ALLEN *SCREW-SOCKET

под заказ230 руб.
10420827800

Шайба 5.5 mm. Summit 500. Summit 670. (Washer 5.5 mm. Summit 500. Summit 670.)

под заказ284 руб.
10290827800

RONDELLE *WASHER

под заказ230 руб.
11420840511

Allen Винт M5 x 16. Summit 500. Summit 670. (Allen Screw M5 x 16. Summit 500. Summit 670.)

под заказ154 руб.
12420860965

Кабели Crommet. Summit 500. Summit 670. (Cable Crommet. Summit 500. Summit 670.)

под заказ978 руб.
13415085300

Ignition Module. Summit 500. Summit 670. (Ignition Module. Summit 500. Summit 670.)

под заказпо запросу
14415085400

Катушка зажигания. Summit 500. Summit 670. (Ignition Coil. Summit 500. Summit 670.)

под заказ7930 руб.
15414864000

Свеча зажигания Защита Summit 500. Summit 670. (Spark Plug Protector. Summit 500. Summit 670.)

под заказ1230 руб.
15278000237

CAPUCHON BOUGIE*SPARK PLUG CAP

под заказ1580 руб.
16414961100

Свеча зажигания (NGK BR9ES) Summit 500. Summit 670. (Spark Plug (NGK BR9ES). Summit 500. Summit 670.)

под заказ166 руб.
16414567000

BOUGIE BR9ES *PLUG-SPARK

под заказ170 руб.
17413706100

Lithium Смазка, 400gr. Summit 500. Summit 670. (Lithium Grease, 400gr. Summit 500. Summit 670.)

под заказпо запросу
17219700417

GRAISE SYNTHETI*GREASE-SYNTHE.

под заказ7860 руб.
18420852416

Starting Шкив. Summit 500. Summit 670. (Starting Pulley. Summit 500. Summit 670.)

под заказ1420 руб.
18420852590

PULL-STARTING

под заказ2140 руб.
19420945752

Шайба с блокировкой 8 mm. Summit 500. Summit 670. (Lock Washer 8 mm. Summit 500. Summit 670.)

под заказ118 руб.
19402001600

RONDELLE-FREIN *WASHER-LOCK#8

под заказ110 руб.
20420841520

Allen Винт M8 x 12. Summit 500. Summit 670. (Allen Screw M8 x 12. Summit 500. Summit 670.)

под заказ122 руб.
21420965033

Свеча зажигания Кабели. Summit 500. Summit 670. (Spark Plug Cable. Summit 500. Summit 670.)

под заказ1010 руб.
21278002198

FIL BOUGIE *WIRE-SPARK PLUG

под заказ1290 руб.
22420810700

Pick-выше Крышка. Summit 500. Summit 670. (Pick-Up Cover. Summit 500. Summit 670.)

под заказ1130 руб.
23413703000

Loctite 242, 10cc. Summit 500. Summit 670. (Loctite 242, 10cc. Summit 500. Summit 670.)

под заказ1680 руб.
23293800060

LOCTITE 243 *LOCTITE-243

под заказ2150 руб.
24413711400

Loctite 648, 10ml. Summit 500. Summit 670. (Loctite 648, 10ml. Summit 500. Summit 670.)

под заказ2700 руб.
24293800039

LOCTITE 642 *LOCTITE-642

под заказ2700 руб.
25224761110

Шайба с блокировкой 6 mm. Summit 500. Summit 670. (Lock Washer 6 mm. Summit 500. Summit 670.)

под заказ102 руб.
25234161471

WASHER-LOCK BLACK DIN.127B

под заказ130 руб.
26222062065

Шестигранный винт M6 x 20. Summit 500. Summit 670. (Hex. Screw M6 x 20. Summit 500. Summit 670.)

под заказпо запросу
26702000083

VIS *SCREW

под заказпо запросу
27222061665

Шестигранный винт M6 x 16. Summit 500. Summit 670. (Hex. Screw M6 x 16. Summit 500. Summit 670.)

под заказпо запросу
27702000778

VIS *BOLT

под заказпо запросу
28517297000

Sвышеport Кабели. Summit 500. Summit 670. (Support Cable. Summit 500. Summit 670.)

под заказпо запросу
29270000141

Зажим. Summit 500. Summit 670. (Clip. Summit 500. Summit 670.)

под заказ1000 руб.
30390402400

Заклёпка. Summit 500. Summit 670. (Rivet. Summit 500. Summit 670.)

под заказ138 руб.
31390402500

Заклёпка. Summit 500. Summit 670. (Rivet. Summit 500. Summit 670.)

под заказ130 руб.
32415089700

Зажим. Summit 500. Summit 670. (Clip. Summit 500. Summit 670.)

под заказпо запросу
ski-doo

Время выполнения запроса 1.5423550605774 сек.


 
 

данный сайт носит информационный характер и не является публичной офертой

склад запчастей для водомоторной техники