вконтакте

Контактный телефон: +7 (981) 121-46-93, +7 (800) 200-90-76 , Email: parts-katalog@yandex.ru, где купить

 
 

  Логин:

Пароль:

Регистрация

www.partskatalog.ru Все каталоги Запчасти Mercury Запчасти Suzuki Запчасти Tohatsu Запчасти Honda Контакты



УВАЖАЕМЫЕ КЛИЕНТЫ!
C 19 ДЕКАБРЯ 2025 ПО 02 МАРТА 2026 ГОДА ОТДЕЛ ЗАПЧАСТЕЙ И СЕРВИС РАБОТАТЬ НЕ БУДУТ
ПРОДАЖА ЛОДОЧНЫХ МОТОРОВ В ШТАТНОМ РЕЖИМЕ
ОБ ИЗМЕНЕНИЯХ В ГРАФИКЕ РАБОТЫ ЧИТАЙТЕ НА САЙТА




Выбрать другую модель

назад Раздел:   вперёд

вернуться к списку узлов и деталей

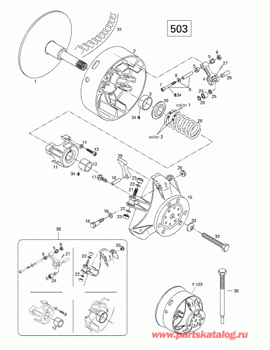
ДЕТАЛИРОВКА ДЛЯ МОДЕЛИ: SKIDOO Skandic 380/500, 1998

Раздел: Шкив привода (503) | Drive Pulley (503)


BRP Skandic 380/500, 1998 - Шкив привода (503)

Номер на
рисунке
АртикулНаименованиеКол-во
на складе
Цена
1 417221900

Шкив привода в сборе. Includes 1 - 23. Skandic 500. (Drive Pulley Assy. Includes 1 - 23. Skandic 500.)

под заказпо запросу
1 417003502

Inner Half. Skandic 500. (Inner Half. Skandic 500.)

под заказ29400 руб.
1 417222412

FLANGE - FIX

под заказ32000 руб.
2 417010000

Outer Half в сборе. Includes 2 - 3. Skandic 500. (Outer Half Assy. Includes 2 - 3. Skandic 500.)

под заказпо запросу
2 480295

SLIDING PULLEY (USE 417010000)

под заказпо запросу
3 417004201

Втулка Outer Half. Skandic 500. (Bushing Outer Half. Skandic 500.)

под заказ2000 руб.
3 414004201

BUSHING OUTER HALF

под заказ1840 руб.
3 SM-03104A

     (не оригинальная запчасть) Втулка вариатора BRP SM-03104A

под заказ2 240 руб.
4 417003801

Рычаг в сборе. Includes 4 - 5. Skandic 500. (Lever Assy. Includes 4 - 5. Skandic 500.)

под заказпо запросу
4 860421500

ENS.LEVIER *KIT-LEVER

под заказпо запросу
5 417004305

Фланец Втулка. Skandic 500. (Flange Bushing. Skandic 500.)

под заказ689 руб.
5 433195

FLANGED BUSHING

под заказ970 руб.
5 SM-03104C-1

     (не оригинальная запчасть) Комплект втулок вариатора BRP SM-03104C-1

под заказ860 руб.
6 417004800

Fitting Винт. Includes 6 - 8. Skandic 500. (Fitting Screw. Includes 6 - 8. Skandic 500.)

под заказ2310 руб.
6 440165

KIINNITYSPULTTI TAYD.

под заказ1800 руб.
7 222965065

Allen Винт M6 x 50. Skandic 500. (Allen Screw M6 x 50. Skandic 500.)

под заказ222 руб.
7 205065044

SCREW-SOCKET HD.DIN.912

под заказ290 руб.
8 224061151

плоский Шайба 6 mm. Skandic 500. (Flat Washer 6 mm. Skandic 500.)

под заказ206 руб.
8 234061410

WASHER-FLAT M6 DIN.125A

под заказ270 руб.
9 228561045

Стопорная гайка M6. Skandic 500. (Lock Nut M6. Skandic 500.)

под заказ102 руб.
9 232561414

NUT-STOP ELASTIC DIN.985

под заказ130 руб.
10417005000

Пружина Седло. Skandic 500. (Spring Seat. Skandic 500.)

под заказпо запросу
10417222044

SIEGE RESSORT *SEAT-SPRING

под заказпо запросу
11417004000

Крышка пружины в сборе. Includes 11 - 12. Skandic 500. (Spring Cover Assy. Includes 11 - 12. Skandic 500.)

под заказ6130 руб.
11417222304

COUV.RESSORT AS*COVER-SPRING ASSY

под заказ6680 руб.
12417004501

Втулка Крышка пружины. Skandic 500. (Bushing Spring Cover. Skandic 500.)

под заказ1930 руб.
12433185

BUSHING

под заказ1840 руб.
13222964066

Allen Винт M6 x 40. Skandic 500. (Allen Screw M6 x 40. Skandic 500.)

под заказ447 руб.
13205064086

SCREW-SOCKET HD.DIN.912 GM6174M

под заказ580 руб.
14420245370

Friction-Шайба 6 mm. Skandic 500. (Friction-Washer 6 mm. Skandic 500.)

под заказ72 руб.
14245370

KITKALEVY(USE 420245370)

под заказ60 руб.
15417004700

Governor Cвыше. Skandic 500. (Governor Cup. Skandic 500.)

под заказ32700 руб.
15417222081

CUVETTE REGUL.A*GOVERN.CUP ASS

под заказ41900 руб.
16732804009

Dowel Трубка M8 x 24. Skandic 500. (Dowel Tube M8 x 24. Skandic 500.)

под заказ242 руб.
16429150

DOWEL PIN

под заказ230 руб.
17732601249

Hex. Locking Винт M6 x 18. Skandic 500. (Hex. Locking Screw M6 x 18. Skandic 500.)

под заказ672 руб.
17210361890

SCREW-FORMING HEX.HD.BLACK OXIDE

под заказ860 руб.
18417005500

Calibration Винт. Skandic 500. (Calibration Screw. Skandic 500.)

под заказ2200 руб.
18417222955

VIS CALIBRATION*SCREW-CALIB.

под заказ2780 руб.
19417005600

Шайба. Skandic 500. (Washer. Skandic 500.)

под заказ428 руб.
20228467045

Locking Гайка M6. Skandic 500. (Locking Nut M6. Skandic 500.)

под заказ222 руб.
20233061414

NUT-FLANGE HEXAGONAL DIN.6927

под заказ290 руб.
21417005700

Пружина. Skandic 500. (Spring. Skandic 500.)

под заказ308 руб.
21438100

SPRING (USE 417005700)

под заказ170 руб.
22732401030

Уплотнительное кольцо. Skandic 500. (O-Ring. Skandic 500.)

под заказ170 руб.
22430730

O-RING

под заказ160 руб.
22SM-03252

     (не оригинальная запчасть) Ремкомплект ведущего вариатора BRP SM-03252

под заказ7 740 руб.
23417005800

Slider Shoe. Skandic 500. (Slider Shoe. Skandic 500.)

под заказ560 руб.
23417223021

Slider Shoe Pulley System

под заказ860 руб.
2303-152T

     (не оригинальная запчасть) Комплект слайдеров ведущего вариатора (6 шт) BRP 03-152T

под заказ1 160 руб.
23SM-03252

     (не оригинальная запчасть) Ремкомплект ведущего вариатора BRP SM-03252

под заказ7 740 руб.
24417003900

Ролик. Skandic 500. (Roller. Skandic 500.)

под заказпо запросу
24429132

ROLLER ASSY (USE 417003900)

под заказпо запросу
24SM-03250D

     (не оригинальная запчасть) Комплект втулок вариатора (3 шт) BRP SM-03250D

под заказ5 280 руб.
24SM-03252

     (не оригинальная запчасть) Ремкомплект ведущего вариатора BRP SM-03252

под заказ7 740 руб.
25417004302

Упорная шайба. Skandic 500. (Thrust Washer. Skandic 500.)

под заказ500 руб.
25427400

SHIM

под заказ400 руб.
26417004309

Штифт. Skandic 500. (Pin. Skandic 500.)

под заказ1930 руб.
26420429140

GOUPILLE *PIN

под заказпо запросу
27732958001

Шплинт. Skandic 500. (Cotter Pin. Skandic 500.)

под заказ61 руб.
27420245210

GOUPILLE FENDUE*PIN-COTTER

под заказ60 руб.
28414817500

Пружина (красный / жёлтый) Skandic 500. (Spring (Red/Yellow). Skandic 500.)

под заказ2850 руб.
28420438092

RESSORT EMBRA. *SPRING-CLUTCH

под заказ1840 руб.
29417005291

Ramp. Skandic 500. (Ramp. Skandic 500.)

под заказпо запросу
30529007900

Съёмник Inner Half. Skandic 500. (Puller Inner Half. Skandic 500.)

под заказ6240 руб.
30476030

PULLER SCREW (USE 529007900)

под заказ4110 руб.
31415060600

Приводной ремень. Skandic 500. (Drive Belt. Skandic 500.)

под заказ3970 руб.
31417300064

COURROIE ENTR. *BELT-DRIVE

под заказ4080 руб.
31138-4332U4

     (не оригинальная запчасть) Ремень вариатора Arctic Cat/BRP 138-4332U4

под заказ9 440 руб.
3139G4266

     (не оригинальная запчасть) Ремень вариатора для снегохода BRP 39G4266

под заказ9 430 руб.
32732900026

Коническая пружинная шайба. Skandic 500. (Conical Spring Washer. Skandic 500.)

под заказ1350 руб.
32250200005

WASHER-SPRING CONICAL

под заказ1720 руб.
33417113800

Винт 1 / 2 x 6-1 / 2. Skandic 500. (Screw 1/2 x 6-1/2. Skandic 500.)

под заказ1210 руб.
34413703100

Loctite 609, 10cc. Skandic 500. (Loctite 609, 10cc. Skandic 500.)

под заказ2150 руб.
35861763700

High Altitude Kit (Not Shown) Skandic 500. (High Altitude Kit(Not Shown). Skandic 500.)

под заказпо запросу
36417006100

Сцепление Ремонтный комплект. Skandic 500. (Clutch Repair Kit. Skandic 500.)

под заказ14220 руб.
36417011008

ENS.REP.EMB. *KIT-CLUTCH REP

под заказ21500 руб.
ski-doo

Время выполнения запроса 2.0249500274658 сек.


 
 

данный сайт носит информационный характер и не является публичной офертой

склад запчастей для водомоторной техники