вконтакте

Контактный телефон: +7 (981) 121-46-93, +7 (800) 200-90-76 , Email: parts-katalog@yandex.ru, где купить

 
 

  Логин:

Пароль:

Регистрация

www.partskatalog.ru Все каталоги Запчасти Mercury Запчасти Suzuki Запчасти Tohatsu Запчасти Honda Контакты



УВАЖАЕМЫЕ КЛИЕНТЫ!
C 19 ДЕКАБРЯ 2025 ПО 02 МАРТА 2026 ГОДА ОТДЕЛ ЗАПЧАСТЕЙ И СЕРВИС РАБОТАТЬ НЕ БУДУТ
ПРОДАЖА ЛОДОЧНЫХ МОТОРОВ В ШТАТНОМ РЕЖИМЕ
ОБ ИЗМЕНЕНИЯХ В ГРАФИКЕ РАБОТЫ ЧИТАЙТЕ НА САЙТА




Выбрать другую модель

назад Раздел:   вперёд

вернуться к списку узлов и деталей

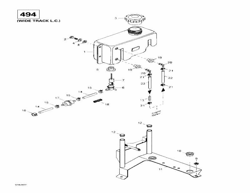
ДЕТАЛИРОВКА ДЛЯ МОДЕЛИ: SKIDOO Skandic Wide Track LC, 1998

Раздел: Масляный бак и Sвышеport (494) | Oil Tank And Support (494)


snowmobile SkiDoo Skandic Wide Track LC, 1998 раздел - Oil Tank And Support (494)

Номер на
рисунке
АртикулНаименованиеКол-во
на складе
Цена
1 M5143073

Масляный бак. Skandic Wide Track LC. (Oil Tank. Skandic Wide Track LC.)

под заказпо запросу
2 222062065

Винт Hex M6 x 20. Skandic Wide Track LC. (Screw Hex M6 x 20. Skandic Wide Track LC.)

под заказпо запросу
2 702000083

VIS *SCREW

под заказпо запросу
3 572071000

Масляный бак Колпачок. Skandic Wide Track LC. (Oil Tank Cap. Skandic Wide Track LC.)

под заказ1930 руб.
3 519000044

BOUCHON *CAP

под заказ3350 руб.
3 07-288-01

     (не оригинальная запчасть) Крышка топливного/масляного бака BRP 07-288-01

под заказ660 руб.
4 M2009

Шайба. Skandic Wide Track LC. (Washer. Skandic Wide Track LC.)

под заказпо запросу
5 570023000

Пыльник. Skandic Wide Track LC. (Grommet. Skandic Wide Track LC.)

под заказ572 руб.
5 2890230

GROMMET (USE 570023000)

под заказ450 руб.
5 SM-07403

     (не оригинальная запчасть) Уплотнительная втулка масляного бачка BRP SM-07403

под заказ140 руб.
6 414681800

Oil Level Датчик. Skandic Wide Track LC. (Oil Level Sensor. Skandic Wide Track LC.)

под заказпо запросу
6 216818

OIL LEVEL SENSOR 414681800 BBD

под заказпо запросу
7 414681900

Поплавок. Skandic Wide Track LC. (Float. Skandic Wide Track LC.)

под заказпо запросу
7 2196819

KOHO SENSORILLE(USE 414681900)

под заказпо запросу
8 224761110

Шайба с блокировкой 6 mm. Skandic Wide Track LC. (Lock Washer 6 mm. Skandic Wide Track LC.)

под заказ102 руб.
8 234161471

WASHER-LOCK BLACK DIN.127B

под заказ130 руб.
9 M33200

Hex. Гайка M6. Skandic Wide Track LC. (Hex. Nut M6. Skandic Wide Track LC.)

под заказпо запросу
10M28022

Пыльник. Skandic Wide Track LC. (Grommet. Skandic Wide Track LC.)

под заказпо запросу
11M5243611

Sвышеport. Skandic Wide Track LC. (Support. Skandic Wide Track LC.)

под заказпо запросу
12M28136

Заглушка. Skandic Wide Track LC. (Plug. Skandic Wide Track LC.)

под заказ234 руб.
13M25003

Пружина. Skandic Wide Track LC. (Spring. Skandic Wide Track LC.)

под заказ1580 руб.
14414533300

Oil LIne. Skandic Wide Track LC. (Oil LIne. Skandic Wide Track LC.)

под заказ898 руб.
14415080700

BOYAU POLYURE *HOSE*POLYURETHANE

под заказ1150 руб.
15M27119F

Universal Пружина Струбцина. Skandic Wide Track LC. (Universal Spring Clamp. Skandic Wide Track LC.)

под заказпо запросу
16414420700

Universal Пружина Струбцина. Skandic Wide Track LC. (Universal Spring Clamp. Skandic Wide Track LC.)

под заказ138 руб.
1627414420700

SPRING CLIP 414420700

под заказ110 руб.
17414536500

Фильтр. Skandic Wide Track LC. (Filter. Skandic Wide Track LC.)

под заказ308 руб.
1707-246-05

     (не оригинальная запчасть) Фильтр масляный универсальный 07-246-05

под заказ370 руб.
1707-246-06

     (не оригинальная запчасть) Фильтр масляный BRP 07-246-06

под заказ470 руб.
1707-246-08

     (не оригинальная запчасть) Масляный фильтр 07-246-08

под заказ470 руб.
18M28015

Корпус. Skandic Wide Track LC. (Housing. Skandic Wide Track LC.)

под заказ1120 руб.
19570273900

Пыльник. Skandic Wide Track LC. (Grommet. Skandic Wide Track LC.)

под заказ978 руб.
19707800347

PASSE-FILS *GROMMET

под заказ1150 руб.
19SM-07402

     (не оригинальная запчасть) Втулка топливной системы BRP SM-07402

под заказ140 руб.
20414523600

Elbow Fitting. Skandic Wide Track LC. (Elbow Fitting. Skandic Wide Track LC.)

под заказ428 руб.
2028414523600

FITT ING-ELBOW

под заказ340 руб.
21414655700

Universal Пружина Струбцина. Skandic Wide Track LC. (Universal Spring Clamp. Skandic Wide Track LC.)

под заказ138 руб.
2127414655700

SPRING CLAMP

под заказ110 руб.
22414644800

Oil LIne. Skandic Wide Track LC. (Oil LIne. Skandic Wide Track LC.)

под заказ2150 руб.
22414254200

CONDUIT D-HUILE*LINE-OIL

под заказ1680 руб.
ski-doo

Время выполнения запроса 4.1583449840546 сек.


 
 

данный сайт носит информационный характер и не является публичной офертой

склад запчастей для водомоторной техники