вконтакте

Контактный телефон: +7 (981) 121-46-93, +7 (800) 200-90-76 , Email: parts-katalog@yandex.ru, где купить

 
 

  Логин:

Пароль:

Регистрация

www.partskatalog.ru Все каталоги Запчасти Mercury Запчасти Suzuki Запчасти Tohatsu Запчасти Honda Контакты



УВАЖАЕМЫЕ КЛИЕНТЫ!
C 19 ДЕКАБРЯ 2025 ПО 02 МАРТА 2026 ГОДА ОТДЕЛ ЗАПЧАСТЕЙ И СЕРВИС РАБОТАТЬ НЕ БУДУТ
ПРОДАЖА ЛОДОЧНЫХ МОТОРОВ В ШТАТНОМ РЕЖИМЕ
ОБ ИЗМЕНЕНИЯХ В ГРАФИКЕ РАБОТЫ ЧИТАЙТЕ НА САЙТА




Выбрать другую модель

назад Раздел:   вперёд

вернуться к списку узлов и деталей

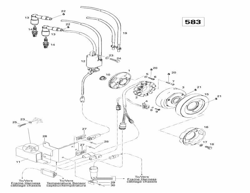
ДЕТАЛИРОВКА ДЛЯ МОДЕЛИ: SKIDOO Formula Z 583, 1998

Раздел: Магнето 12v 220w (583) | Magneto 12v 220w (583)


snowmobile Skidoo модификация Formula Z 583, 1998 - Magneto 12v 220w (583)

Номер на
рисунке
АртикулНаименованиеКол-во
на складе
Цена
1 420810262

Якорь Пластина. дляmula Z 583. дляmula 583 Deluxe. (Armature Plate. Formula Z 583. Formula 583 Deluxe.)

под заказпо запросу
2 410922400

Магнето в сборе 12V 220W. Includes 2 - 4. дляmula Z 583. дляmula 583 Deluxe. (Magneto Assy 12V 220W. Includes 2 - 4. Formula Z 583. Formula 583 Deluxe.)

под заказпо запросу
2 410922100

Статор в сборе. дляmula Z 583. дляmula 583 Deluxe. (Stator Assy. Formula Z 583. Formula 583 Deluxe.)

под заказ34300 руб.
2 410922905

PLAQUE REACTEUR*PLATE-STATOR A

под заказ37400 руб.
3 410922500

Магнето Маховик. дляmula Z 583. дляmula 583 Deluxe. (Magneto Flywheel. Formula Z 583. Formula 583 Deluxe.)

под заказпо запросу
3 410922400

MAGNETO GEN. *MAGNETO-GEN. rotax 583

под заказпо запросу
4 410921100

Pick выше в сборе. дляmula Z 583. дляmula 583 Deluxe. (Pick Up Assy. Formula Z 583. Formula 583 Deluxe.)

под заказ4620 руб.
5 420945750

Шайба с блокировкой. дляmula Z 583. дляmula 583 Deluxe. (Lock Washer. Formula Z 583. Formula 583 Deluxe.)

под заказ138 руб.
5 402402400

RONDELLE-FREIN *WASHER-LOCK

под заказ110 руб.
6 420941540

Allen Винт M5 x 20. дляmula Z 583. дляmula 583 Deluxe. (Allen Screw M5 x 20. Formula Z 583. Formula 583 Deluxe.)

под заказ170 руб.
6 941540

ALLEN SCREW (USE420941540)

под заказ140 руб.
7 420840886

Allen Винт M6 x 30. дляmula Z 583. дляmula 583 Deluxe. (Allen Screw M6 x 30. Formula Z 583. Formula 583 Deluxe.)

под заказ284 руб.
7 290840886

VIS ALLEN *SCREW-SOCKET

под заказ230 руб.
8 420827800

Шайба. дляmula Z 583. дляmula 583 Deluxe. (Washer. Formula Z 583. Formula 583 Deluxe.)

под заказ284 руб.
8 290827800

RONDELLE *WASHER

под заказ230 руб.
9 420941925

Self Саморез M5 x 16. дляmula Z 583. дляmula 583 Deluxe. (Self Tapping Screw M5 x 16. Formula Z 583. Formula 583 Deluxe.)

под заказ284 руб.
9 941925

SCREW M5 X 16(USE 420941925)

под заказ230 руб.
10420960288

Кабели Crommet. дляmula Z 583. дляmula 583 Deluxe. (Cable Crommet. Formula Z 583. Formula 583 Deluxe.)

под заказпо запросу
10960288

LAPIVIENTI -94(USE420960288)

под заказпо запросу
11415085300

Ignition Module. дляmula Z 583. дляmula 583 Deluxe. (Ignition Module. Formula Z 583. Formula 583 Deluxe.)

под заказпо запросу
12415085400

Катушка зажигания. дляmula Z 583. дляmula 583 Deluxe. (Ignition Coil. Formula Z 583. Formula 583 Deluxe.)

под заказ7930 руб.
13278000237

Свеча зажигания Защита дляmula Z 583. дляmula 583 Deluxe. (Spark Plug Protector. Formula Z 583. Formula 583 Deluxe.)

под заказ1580 руб.
13420866708

PROT.BOUGIE *PROT-SPARK PLU

под заказ1230 руб.
14414961100

Свеча зажигания (NGK BR9ES) дляmula Z 583. дляmula 583 Deluxe. (Spark Plug (NGK BR9ES). Formula Z 583. Formula 583 Deluxe.)

под заказ166 руб.
14414567000

BOUGIE BR9ES *PLUG-SPARK

под заказ170 руб.
15420866759

Маховик Counter Weight. дляmula Z 583. дляmula 583 Deluxe. (Flywheel Counter Weight. Formula Z 583. Formula 583 Deluxe.)

под заказпо запросу
15866759

FLYWHEEL

под заказпо запросу
16420852411

Starting Шкив. дляmula Z 583. дляmula 583 Deluxe. (Starting Pulley. Formula Z 583. Formula 583 Deluxe.)

под заказ1710 руб.
17420945752

Шайба с блокировкой 8 mm. дляmula Z 583. дляmula 583 Deluxe. (Lock Washer 8 mm. Formula Z 583. Formula 583 Deluxe.)

под заказ118 руб.
17402001600

RONDELLE-FREIN *WASHER-LOCK#8

под заказ110 руб.
18420940591

Шестигранный винт M8 x 20. дляmula Z 583. дляmula 583 Deluxe. (Hex. Screw M8 x 20. Formula Z 583. Formula 583 Deluxe.)

под заказ222 руб.
18207182044

SCREW-HEX.CAP DIN.933

под заказ290 руб.
19420965033

Свеча зажигания Кабели. дляmula Z 583. дляmula 583 Deluxe. (Spark Plug Cable. Formula Z 583. Formula 583 Deluxe.)

под заказ1010 руб.
19278002198

FIL BOUGIE *WIRE-SPARK PLUG

под заказ1290 руб.
20413703000

Loctite 242, 10 c.c. дляmula Z 583. дляmula 583 Deluxe. (Loctite 242, 10 c.c. Formula Z 583. Formula 583 Deluxe.)

под заказ1680 руб.
20293800060

LOCTITE 243 *LOCTITE-243

под заказ2150 руб.
21413711400

Loctite 648, 10 ml. дляmula Z 583. дляmula 583 Deluxe. (Loctite 648, 10 ml. Formula Z 583. Formula 583 Deluxe.)

под заказ2700 руб.
21293800039

LOCTITE 642 *LOCTITE-642

под заказ2700 руб.
22413701700

Dielectric Смазка, 3 oz. дляmula Z 583. дляmula 583 Deluxe. (Dielectric Grease, 3 oz. Formula Z 583. Formula 583 Deluxe.)

под заказпо запросу
23224761110

Шайба с блокировкой 6 mm. дляmula Z 583. дляmula 583 Deluxe. (Lock Washer 6 mm. Formula Z 583. Formula 583 Deluxe.)

под заказ102 руб.
23234161471

WASHER-LOCK BLACK DIN.127B

под заказ130 руб.
24222062065

Шестигранный винт M6 x 20. дляmula Z 583. дляmula 583 Deluxe. (Hex. Screw M6 x 20. Formula Z 583. Formula 583 Deluxe.)

под заказпо запросу
24702000083

VIS *SCREW

под заказпо запросу
25222061665

Шестигранный винт M6 x 16. дляmula Z 583. дляmula 583 Deluxe. (Hex. Screw M6 x 16. Formula Z 583. Formula 583 Deluxe.)

под заказпо запросу
25702000778

VIS *BOLT

под заказпо запросу
26517297000

Кабели Sвышеport. дляmula Z 583. дляmula 583 Deluxe. (Cable Support. Formula Z 583. Formula 583 Deluxe.)

под заказпо запросу
27270000141

Зажим. дляmula Z 583. дляmula 583 Deluxe. (Clip. Formula Z 583. Formula 583 Deluxe.)

под заказ1000 руб.
28390402400

Заклёпка. дляmula Z 583. дляmula 583 Deluxe. (Rivet. Formula Z 583. Formula 583 Deluxe.)

под заказ138 руб.
29415089700

Зажим. дляmula Z 583. дляmula 583 Deluxe. (Clip. Formula Z 583. Formula 583 Deluxe.)

под заказпо запросу
30390402500

Заклёпка. дляmula Z 583. дляmula 583 Deluxe. (Rivet. Formula Z 583. Formula 583 Deluxe.)

под заказ130 руб.
ski-doo

Время выполнения запроса 3.2307438850403 сек.


 
 

данный сайт носит информационный характер и не является публичной офертой

склад запчастей для водомоторной техники