| |
Выбрать другую модель
вернуться к списку узлов и деталей ДЕТАЛИРОВКА ДЛЯ МОДЕЛИ: SKIDOO Formula III 600 R/700 R, 1998
Раздел: Hydraulic тормоз и Belt Guard | Hydraulic Brake And Belt Guard
Номер на рисунке | Артикул | Наименование | Кол-во на складе | Цена |
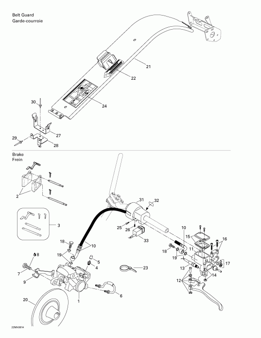
| 1 | 414920000 | Caliper. Includes 1 - 6. (Caliper. Includes 1 - 6.) | под заказ | 41000 руб. |
| 1 | 507032409 | ETRIER *CALIPER | под заказ | 44600 руб. |
| 2 | 414990000 | тормоз Lining Kit (Brake Lining Kit) | под заказ | 3780 руб. |
| 2 | 415084600 | ENS.GARNITURES *KIT-PADS BRAKE | под заказ | 4640 руб. |
| 2 | SM-05059 | (не оригинальная запчасть) Тормозные колодки BRP SM-05059 | под заказ | 2 440 руб. |
| 2 | SM-05059F | (не оригинальная запчасть) Тормозные колодки BRP SM-05059F | под заказ | 3 850 руб. |
| 3 | 414990700 | Kit (Штифтs, Фиксаторs, Пружина) (Kit(Pins, Retainers, Spring)) | под заказ | 2920 руб. |
| 4 | 414989800 | Винт-Bleeder (Screw-Bleeder) | под заказ | 1610 руб. |
| 5 | 414989700 | Boot (Boot) | под заказ | 2340 руб. |
| 6 | 414989900 | Трубка (Tube) | под заказ | 2380 руб. |
| 7 | 222003565 | Шестигранный винт M10 x 35 (Hex. Screw M10 x 35) | под заказ | 222 руб. |
| 7 | 207103544 | SCREW-HEX.CAP ISO.4017 | под заказ | 290 руб. |
| 8 | 413703000 | Loctite 242, 10cc (Loctite 242, 10cc) | под заказ | 1680 руб. |
| 8 | 293800060 | LOCTITE 243 *LOCTITE-243 | под заказ | 2150 руб. |
| 9 | 507031900 | Locking Tab (Locking Tab) | под заказ | по запросу |
| 10 | 415046500 | Шланг (Hose) | под заказ | по запросу |
| 11 | 415099500 | Master Цилиндр. Includes 11 - 17. (Master Cylinder. Includes 11 - 17.) | под заказ | 18670 руб. |
| 11 | 415129439 | MAITRE CYLINDRE*MASTER-CYLIND | под заказ | 20300 руб. |
| 12 | 415075300 | Рычаг в сборе (Lever Assy) | под заказ | 3970 руб. |
| 12 | 507032428 | LEVIER *LEVER | под заказ | 6070 руб. |
| 13 | 415117500 | MicroПереключатель в сборе (Microswitch Assy) | под заказ | 3700 руб. |
| 13 | 507032366 | MICROSWITCH | под заказ | 5210 руб. |
| 13 | 01-280-01 | (не оригинальная запчасть) Выключатель стоп-сигнала BRP 01-280-01 | под заказ | 1 060 руб. |
| 14 | 415030000 | Штифт в сборе (Pin Assy) | под заказ | 1290 руб. |
| 14 | 507032280 | AXE *PIN | под заказ | 970 руб. |
| 15 | 415029900 | Крышка (Cover) | под заказ | 3000 руб. |
| 16 | 415029800 | Струбцина в сборе (Clamp Assy) | под заказ | 1570 руб. |
| 16 | 507032477 | BRIDE *CLAMP | под заказ | 2010 руб. |
| 17 | 414990600 | Window (Window) | под заказ | 1120 руб. |
| 18 | 414920500 | Болт (Bolt) | под заказ | 731 руб. |
| 19 | 414920600 | Шайба (Washer) | под заказ | 284 руб. |
| 20 | 507031300 | тормоз Disk (Brake Disk) | под заказ | 11020 руб. |
| 20 | 507032456 | DISQUE USINE *DISK-MACH. | под заказ | 11430 руб. |
| 21 | 417222031 | Belt Guard в сборе. Includes 21 - 22. (Belt Guard Assy. Includes 21 - 22.) | под заказ | по запросу |
| 21 | 417300185 | GARDE COURR. AS*GUARD-BELT ASSY | под заказ | по запросу |
| 22 | 415028900 | Наклейка - предупреждение (Warning Decal) | под заказ | по запросу |
| 23 | 414115200 | Tie-Rap (Tie-Rap) | под заказ | 130 руб. |
| 23 | 414587300 | TIE RAP *TIE-RAP | под заказ | 110 руб. |
| 24 | 418001713 | Наклейка (Suspension Adjustment) дляmula III 600. дляmula III 600 R. (Decal (Suspension Adjustment). Formula III 600. Formula III 600 R.) | под заказ | по запросу |
| | 418001716 | Наклейка (Suspension Adjustment) дляmula III 600 LT. (Decal (Suspension Adjustment). Formula III 600 LT.) | под заказ | по запросу |
| | 418001715 | Наклейка (Suspension Adjustment) дляmula III 700. дляmula III 700 R. (Decal (Suspension Adjustment). Formula III 700. Formula III 700 R.) | под заказ | по запросу |
| 25 | 414473200 | Phillips Self Саморез (Phillips Self Tapping Screw) | под заказ | 222 руб. |
| 25 | 211000098 | SCREW-THREAD CUT.PH.PAN TYPE25 | под заказ | 290 руб. |
| 26 | 414440800 | Установочный винт (Set Screw) | под заказ | 290 руб. |
| 26 | 114144408 | SCREW | под заказ | 220 руб. |
| 27 | 518202100 | Шкив Guard Кронштейн (Pulley Guard Bracket) | под заказ | 1200 руб. |
| 28 | 518317000 | Шкив Guard Sвышеport (Pulley Guard Support) | под заказ | 310 руб. |
| 29 | 390409600 | Заклёпка (Rivet) | под заказ | по запросу |
| 29 | 390910600 | RIVET-POP 3/16 *RIVET-POP | под заказ | по запросу |
| 30 | 390402200 | Заклёпка (Rivet) | под заказ | 138 руб. |
| 31 | 572099900 | Корпус (Housing) | под заказ | 1790 руб. |
| 31 | 515175696 | LOGEMENT FREIN *HOUSING-BRAKE | под заказ | 2290 руб. |
| 32 | 415025500 | Переключатель Наклейка (Switch Decal) | под заказ | 426 руб. |
| 33 | 515173900 | Light Переключатель (Light Switch) | под заказ | по запросу |

Время выполнения запроса 1.4613270759583 сек.
|
|