вконтакте

Контактный телефон: +7 (981) 121-46-93, +7 (800) 200-90-76 , Email: parts-katalog@yandex.ru, где купить

 
 

  Логин:

Пароль:

Регистрация

www.partskatalog.ru Все каталоги Запчасти Mercury Запчасти Suzuki Запчасти Tohatsu Запчасти Honda Контакты



УВАЖАЕМЫЕ КЛИЕНТЫ!
C 19 ДЕКАБРЯ 2025 ПО 02 МАРТА 2026 ГОДА ОТДЕЛ ЗАПЧАСТЕЙ И СЕРВИС РАБОТАТЬ НЕ БУДУТ
ПРОДАЖА ЛОДОЧНЫХ МОТОРОВ В ШТАТНОМ РЕЖИМЕ
ОБ ИЗМЕНЕНИЯХ В ГРАФИКЕ РАБОТЫ ЧИТАЙТЕ НА САЙТА




Выбрать другую модель

назад Раздел:   вперёд

вернуться к списку узлов и деталей

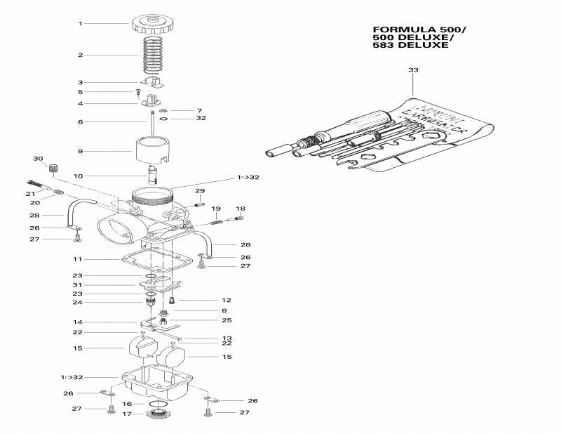
ДЕТАЛИРОВКА ДЛЯ МОДЕЛИ: SKIDOO Formula 583 Deluxe, 1998

Раздел: Карбюраторs | Carburetors


снегоход Skidoo Formula 583 Deluxe, 1998 - Carburetors

Номер на
рисунке
АртикулНаименованиеКол-во
на складе
Цена
1 403134000

Карбюратор VM 38-378 (PTO) Includes 1 - 32. дляmula 500. дляmula 500 Deluxe. (Carburetor VM 38-378 (PTO). Includes 1 - 32. Formula 500. Formula 500 Deluxe.)

под заказпо запросу
403134100

Карбюратор VM 38-379 (MAG) дляmula 500. дляmula 500 Deluxe. (Carburetor VM 38-379 (MAG). Formula 500. Formula 500 Deluxe.)

под заказпо запросу
1 403135900

Карбюратор VM 38-386 (PTO) Includes 1 - 32. дляmula 583 Deluxe. (Carburetor VM 38-386 (PTO). Includes 1 - 32. Formula 583 Deluxe.)

под заказпо запросу
403136000

Карбюратор VM 38-387 (MAG) дляmula 583 Deluxe. (Carburetor VM 38-387 (MAG). Formula 583 Deluxe.)

под заказпо запросу
1 404105100

Крышка. дляmula 500. дляmula 500 Deluxe. дляmula 583 Deluxe. (Cover. Formula 500. Formula 500 Deluxe. Formula 583 Deluxe.)

под заказ4840 руб.
1 404124200

COUVERCLE CARB.*TOP-MIX.CHAMB.

под заказ3790 руб.
2 404154800

Пружина клапана дросселя. дляmula 500. дляmula 500 Deluxe. дляmula 583 Deluxe. (Throttle Valve Spring. Formula 500. Formula 500 Deluxe. Formula 583 Deluxe.)

под заказ1850 руб.
3 404122100

Крышка. дляmula 500. дляmula 500 Deluxe. дляmula 583 Deluxe. (Cover. Formula 500. Formula 500 Deluxe. Formula 583 Deluxe.)

под заказ1400 руб.
4 404160800

Коннектор. дляmula 500. дляmula 500 Deluxe. дляmula 583 Deluxe. (Connector. Formula 500. Formula 500 Deluxe. Formula 583 Deluxe.)

под заказ1210 руб.
4 404128000

RACCORD *FITTING

под заказ950 руб.
5 404121300

Винт with Шайба с блокировкой. дляmula 500. дляmula 500 Deluxe. дляmula 583 Deluxe. (Screw with Lock Washer. Formula 500. Formula 500 Deluxe. Formula 583 Deluxe.)

под заказ428 руб.
5 404128200

SCREW-WITH LOCK WASHER

под заказ340 руб.
6 404161500

Игла жиклёра J8 6DHY48. дляmula 500. дляmula 500 Deluxe. (Jet Needle J8 6DHY48. Formula 500. Formula 500 Deluxe.)

под заказпо запросу
404159900

Игла жиклёра J8 6DEY4. дляmula 583 Deluxe. (Jet Needle J8 6DEY4. Formula 583 Deluxe.)

под заказпо запросу
7 404152400

Уплотнительное кольцо. дляmula 500. дляmula 500 Deluxe. дляmula 583 Deluxe. (E Ring. Formula 500. Formula 500 Deluxe. Formula 583 Deluxe.)

под заказ572 руб.
8 404105500

Винт Направляющая. дляmula 500. дляmula 500 Deluxe. дляmula 583 Deluxe. (Screw Guide. Formula 500. Formula 500 Deluxe. Formula 583 Deluxe.)

под заказ2360 руб.
9 404131300

Клапан дросселя 2.5. дляmula 500. дляmula 500 Deluxe. дляmula 583 Deluxe. (Throttle Valve 2.5. Formula 500. Formula 500 Deluxe. Formula 583 Deluxe.)

под заказ10410 руб.
10404160900

Игла распылителя NJ-480-Q3. дляmula 500. дляmula 500 Deluxe. (Needle Jet NJ-480-Q3. Formula 500. Formula 500 Deluxe.)

под заказ1180 руб.
404156900

Игла распылителя NJ-480-P7. дляmula 583 Deluxe. (Needle Jet NJ-480-P7. Formula 583 Deluxe.)

под заказпо запросу
11404104700

Прокладка. дляmula 500. дляmula 500 Deluxe. дляmula 583 Deluxe. (Gasket. Formula 500. Formula 500 Deluxe. Formula 583 Deluxe.)

под заказ1170 руб.
12404109500

Pilot Jet PJ 50. дляmula 500. дляmula 500 Deluxe. дляmula 583 Deluxe. (Pilot Jet PJ 50. Formula 500. Formula 500 Deluxe. Formula 583 Deluxe.)

под заказ396 руб.
12404162126

GICLEUR RALENTI*JET-PILOT 50

под заказ240 руб.
13404103300

Стопор рычага поплавка. дляmula 500. дляmula 500 Deluxe. дляmula 583 Deluxe. (Float Arm Pin. Formula 500. Formula 500 Deluxe. Formula 583 Deluxe.)

под заказ428 руб.
14404105000

Поплавок Рычаг. дляmula 500. дляmula 500 Deluxe. дляmula 583 Deluxe. (Float Arm. Formula 500. Formula 500 Deluxe. Formula 583 Deluxe.)

под заказ1780 руб.
15404105400

Поплавок. дляmula 500. дляmula 500 Deluxe. дляmula 583 Deluxe. (Float. Formula 500. Formula 500 Deluxe. Formula 583 Deluxe.)

под заказ2180 руб.
15404120300

FLOTTE *FLOAT

под заказ1700 руб.
16404101500

Шайба. дляmula 500. дляmula 500 Deluxe. дляmula 583 Deluxe. (Washer. Formula 500. Formula 500 Deluxe. Formula 583 Deluxe.)

под заказ324 руб.
17404105600

Drain Заглушка винта. дляmula 500. дляmula 500 Deluxe. дляmula 583 Deluxe. (Drain Plug Screw. Formula 500. Formula 500 Deluxe. Formula 583 Deluxe.)

под заказ2320 руб.
171471614

PLUG

под заказ1810 руб.
18404149000

Idle Регулировочный винт. дляmula 500. дляmula 500 Deluxe. дляmula 583 Deluxe. (Idle Adjusting Screw. Formula 500. Formula 500 Deluxe. Formula 583 Deluxe.)

под заказ2320 руб.
19404139800

Пружина, (Idle Регулировочный винт) дляmula 500. дляmula 500 Deluxe. дляmula 583 Deluxe. (Spring, (Idle Adjusting Screw). Formula 500. Formula 500 Deluxe. Formula 583 Deluxe.)

под заказ588 руб.
20404101700

Пружина, (Дроссель Стопорный винт) дляmula 500. дляmula 500 Deluxe. дляmula 583 Deluxe. (Spring, (Throttle Stop Screw). Formula 500. Formula 500 Deluxe. Formula 583 Deluxe.)

под заказ295 руб.
20420938940

SPRING

под заказ240 руб.
21404102800

Дроссель Стопорный винт. дляmula 500. дляmula 500 Deluxe. дляmula 583 Deluxe. (Throttle Stop Screw. Formula 500. Formula 500 Deluxe. Formula 583 Deluxe.)

под заказ1210 руб.
22404105800

Колпачок. дляmula 500. дляmula 500 Deluxe. дляmula 583 Deluxe. (Cap. Formula 500. Formula 500 Deluxe. Formula 583 Deluxe.)

под заказ481 руб.
22420960990

FOAT FIXATION CAP

под заказпо запросу
22SM-07243

     (не оригинальная запчасть) Поплавок карбюратора BRP SM-07243

под заказ830 руб.
23404101600

Прокладка Шайба. дляmula 500. дляmula 500 Deluxe. дляmula 583 Deluxe. (Gasket Washer. Formula 500. Formula 500 Deluxe. Formula 583 Deluxe.)

под заказ237 руб.
24404147400

Игольчатый клапан 1.5. дляmula 500. дляmula 500 Deluxe. дляmula 583 Deluxe. (Needle Valve 1.5. Formula 500. Formula 500 Deluxe. Formula 583 Deluxe.)

под заказ4640 руб.
24861751

VALVE SEAT

под заказ3130 руб.
25404101400

Главный жиклёр MJ 330 (PTO) дляmula 500. дляmula 500 Deluxe. (Main Jet MJ 330 (PTO). Formula 500. Formula 500 Deluxe.)

под заказ588 руб.
25963886

MAIN JET 330(USE 404101400)

под заказ600 руб.
404100400

Главный жиклёр MJ 270 (PTO) дляmula 583 Deluxe. (Main Jet MJ 270 (PTO). Formula 583 Deluxe.)

под заказ396 руб.
963880

MAIN JET 270(USE 404100400)

под заказ240 руб.
404101200

Главный жиклёр MJ 300 (MAG) дляmula 500. дляmula 500 Deluxe. (Main Jet MJ 300 (MAG). Formula 500. Formula 500 Deluxe.)

под заказ588 руб.
963883

MAIN JET 300(USE 404101200)

под заказ600 руб.
404100600

Главный жиклёр MJ 260 (MAG) дляmula 583 Deluxe. (Main Jet MJ 260 (MAG). Formula 583 Deluxe.)

под заказ588 руб.
26404103000

Трубка Фиксатор Пластина. дляmula 500. дляmula 500 Deluxe. дляmula 583 Deluxe. (Tube Retainer Plate. Formula 500. Formula 500 Deluxe. Formula 583 Deluxe.)

под заказ792 руб.
27404102000

Винт with Шайба с блокировкой. дляmula 500. дляmula 500 Deluxe. дляmula 583 Deluxe. (Screw with Lock Washer. Formula 500. Formula 500 Deluxe. Formula 583 Deluxe.)

под заказ237 руб.
28404109800

Vent Трубка. дляmula 500. дляmula 500 Deluxe. дляmula 583 Deluxe. (Vent Tube. Formula 500. Formula 500 Deluxe. Formula 583 Deluxe.)

под заказпо запросу
29404153400

Ниппель. дляmula 500. дляmula 500 Deluxe. дляmula 583 Deluxe. (Nipple. Formula 500. Formula 500 Deluxe. Formula 583 Deluxe.)

под заказ859 руб.
29404159100

RACCORD *NIPPLE

под заказ680 руб.
30404158900

Фильтр. дляmula 500. дляmula 500 Deluxe. дляmula 583 Deluxe. (Filter. Formula 500. Formula 500 Deluxe. Formula 583 Deluxe.)

под заказпо запросу
31XXX

Baffle Пластина. дляmula 500. дляmula 500 Deluxe. дляmula 583 Deluxe. (Baffle Plate. Formula 500. Formula 500 Deluxe. Formula 583 Deluxe.)

32404117000

Прокладка. дляmula 500. дляmula 500 Deluxe. дляmula 583 Deluxe. (Packing. Formula 500. Formula 500 Deluxe. Formula 583 Deluxe.)

под заказ284 руб.
33404112000

Набор инструмента. дляmula 500. дляmula 500 Deluxe. дляmula 583 Deluxe. (Tool Kit. Formula 500. Formula 500 Deluxe. Formula 583 Deluxe.)

под заказ7330 руб.
33876960

SPECIAL TOOL KIT

под заказ5730 руб.
34861761800

High Altitude Kit, (Not Shown) дляmula 500. (High Altitude Kit, (Not Shown). Formula 500.)

под заказпо запросу
861761700

High Altitude Kit, (Not Shown) дляmula 500 Deluxe. (High Altitude Kit, (Not Shown). Formula 500 Deluxe.)

под заказпо запросу
861761800

ENS.HAUTE ALT. *KIT-HIGH ALT.

под заказпо запросу
861761600

High Altitude Kit (Not Shown) дляmula 583 Deluxe. (High Altitude Kit (Not Shown). Formula 583 Deluxe.)

под заказпо запросу
ski-doo

Время выполнения запроса 10.059712171555 сек.


 
 

данный сайт носит информационный характер и не является публичной офертой

склад запчастей для водомоторной техники