вконтакте

Контактный телефон: +7 (981) 121-46-93, +7 (800) 200-90-76 , Email: parts-katalog@yandex.ru, где купить

 
 

  Логин:

Пароль:

Регистрация

www.partskatalog.ru Все каталоги Запчасти Mercury Запчасти Suzuki Запчасти Tohatsu Запчасти Honda Контакты



УВАЖАЕМЫЕ КЛИЕНТЫ!
C 19 ДЕКАБРЯ 2025 ПО 02 МАРТА 2026 ГОДА ОТДЕЛ ЗАПЧАСТЕЙ И СЕРВИС РАБОТАТЬ НЕ БУДУТ
ПРОДАЖА ЛОДОЧНЫХ МОТОРОВ В ШТАТНОМ РЕЖИМЕ
ОБ ИЗМЕНЕНИЯХ В ГРАФИКЕ РАБОТЫ ЧИТАЙТЕ НА САЙТА




Выбрать другую модель

назад Раздел:   вперёд

вернуться к списку узлов и деталей

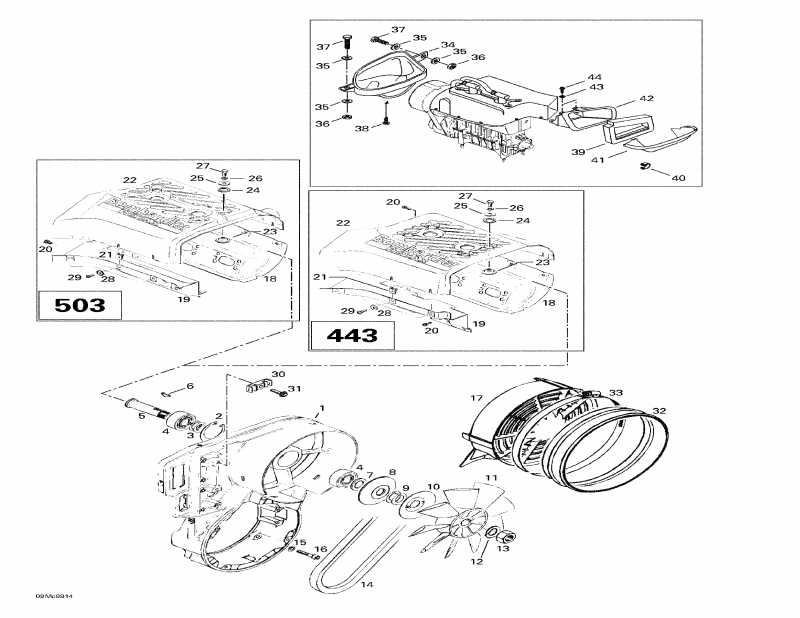
ДЕТАЛИРОВКА ДЛЯ МОДЕЛИ: SKIDOO Touring SLE, 1999

Раздел: Охлаждение System Fan (443, 503) | Cooling System Fan (443, 503)


Ski Doo Touring SLE, 1999 раздел - Охлаждение System Fan (443, 503)

Номер на
рисунке
АртикулНаименованиеКол-во
на складе
Цена
1 420912203

Fan Корпус. TouКольцо LE. TouКольцо SLE. (Fan Housing. Touring LE. Touring SLE.)

под заказ30400 руб.
1 420912230

LOGEMENT VENT. *HOUSING-FAN

под заказ33200 руб.
2 420945880

Lock Кольцо. TouКольцо LE. TouКольцо SLE. (Lock Ring. Touring LE. Touring SLE.)

под заказ308 руб.
2 945880

LOCK RING (USE420945880)

под заказ140 руб.
3 420244585

Регулировочная шайба. TouКольцо LE. TouКольцо SLE. (Shim. Touring LE. Touring SLE.)

под заказ130 руб.
3 244585

VALILEVY 17.5/24/1.0

под заказ140 руб.
4 405406100

Шариковый подшипник 6203. TouКольцо LE. TouКольцо SLE. (Ball Bearing 6203. Touring LE. Touring SLE.)

под заказпо запросу
4 832160

BEARING (USE 405406100)

под заказпо запросу
4 6203DDUC3E NS7S5

     (не оригинальная запчасть) Подшипник 6203DDUC3E (6203DDUC3E NS7S5)

под заказ300 руб.
4 6203DDUC3E & NS7SX

     (не оригинальная запчасть) Подшипник 6203DDUC3E (6203DDUC3E & NS7SX)

под заказ440 руб.
5 420937940

Fan Axle. TouКольцо LE. TouКольцо SLE. (Fan Axle. Touring LE. Touring SLE.)

под заказпо запросу
5 937940

TUULETTIMEN AKSELI

под заказпо запросу
6 420246015

Шпонка. TouКольцо LE. TouКольцо SLE. (Woodruff Key. Touring LE. Touring SLE.)

под заказ223 руб.
6 420246011

CLAVETTE *KEY-WOODRUFF

под заказ140 руб.
7 420827650

Проставка Втулка. TouКольцо LE. TouКольцо SLE. (Spacer Bushing. Touring LE. Touring SLE.)

под заказ832 руб.
7 827650

HYLSY 17,3/28/2,8

под заказ830 руб.
8 420980496

Фланец. TouКольцо LE. TouКольцо SLE. (Flange. Touring LE. Touring SLE.)

под заказ978 руб.
8 980495

BELT PLATE (USE 420980495)

под заказ550 руб.
9 420827080

Регулировочная шайба 0.5 mm. TouКольцо LE. TouКольцо SLE. (Shim 0.5 mm. Touring LE. Touring SLE.)

под заказ284 руб.
9 827080

TASAUSLEVY 17.5/27/0.5

под заказ230 руб.
420827082

Регулировочная шайба 0.2 mm. TouКольцо LE. TouКольцо SLE. (Shim 0.2 mm. Touring LE. Touring SLE.)

под заказ223 руб.
827082

ADJUSTMENT PLATE 17.7 (K.420827082)

под заказ140 руб.
10420980523

Protection Шайба. TouКольцо LE. TouКольцо SLE. (Protection Washer. Touring LE. Touring SLE.)

под заказ832 руб.
10420980522

RONDELLE PROT. *WASHER-PROTEC.

под заказ470 руб.
11420866292

Fan. TouКольцо LE. TouКольцо SLE. (Fan. Touring LE. Touring SLE.)

под заказ7360 руб.
11866292

TUULETINPYORA(USE 420866292)

под заказ4490 руб.
12420945756

Шайба с блокировкой 16 mm. TouКольцо LE. TouКольцо SLE. (Lock Washer 16 mm. Touring LE. Touring SLE.)

под заказ223 руб.
12945756

JOUSIRENGAS (USE 420945756)

под заказ140 руб.
13420942285

Hex. Гайка M16. TouКольцо LE. TouКольцо SLE. (Hex. Nut M16. Touring LE. Touring SLE.)

под заказ441 руб.
13942285

NUT (USE 420942285)

под заказ410 руб.
14414630800

Клиновидный ремень. TouКольцо LE. TouКольцо SLE. (V-Belt. Touring LE. Touring SLE.)

под заказ1850 руб.
14980511

V-BELT Z24 (USE 414630800)

под заказ1150 руб.
1409-330

     (не оригинальная запчасть) Ремень вентилятора BRP 09-330

под заказ380 руб.
15420945751

Шайба с блокировкой 6 mm. TouКольцо LE. TouКольцо SLE. (Lock Washer 6 mm. Touring LE. Touring SLE.)

под заказ138 руб.
15540802026

RONDELLE-FREIN *WASHER-LOCK

под заказ110 руб.
16222963065

Socket Head Винт M6 x 30. TouКольцо LE. TouКольцо SLE. (Socket Head Screw M6 x 30. Touring LE. Touring SLE.)

под заказ222 руб.
16205063044

SCREW-SOCKET HD.DIN.912

под заказ290 руб.
17420975695

Крышка вентилятора. TouКольцо LE. TouКольцо SLE. (Fan Cover. Touring LE. Touring SLE.)

под заказ1920 руб.
17975695

FAN HOUSING (USE 420975695)

под заказ1500 руб.
18420810762

Цилиндр Cowl (Выхлоп Side) TouКольцо LE. (Cylinder Cowl (Exhaust Side). Touring LE.)

под заказ7310 руб.
18420810764

DEFLECTEUR CYL.*COWL-CYL.

под заказ9350 руб.
420810543

Цилиндр Cowl (Выхлоп Side) TouКольцо SLE. (Cylinder Cowl (Exhaust Side). Touring SLE.)

под заказ9520 руб.
19420810790

Цилиндр Cowl (Система впуска Side) TouКольцо LE. (Cylinder Cowl (Intake Side). Touring LE.)

под заказ5940 руб.
19420810792

DEFLECTEUR CYL.*COWL-CYL.

под заказ7590 руб.
420810545

Цилиндр Cowl (Система впуска Side) TouКольцо SLE. (Cylinder Cowl (Intake Side). Touring SLE.)

под заказпо запросу
20XXX

Taptite Винт M6 x 16. TouКольцо LE. (Taptite Screw M6 x 16. Touring LE.)

XXX

Taptite Винт M6 x 12. TouКольцо SLE. (Taptite Screw M6 x 12. Touring SLE.)

21417300005

Пружина Гайка. TouКольцо LE. TouКольцо SLE. (Spring Nut. Touring LE. Touring SLE.)

под заказ308 руб.
22420810776

Цилиндр Cowl. TouКольцо LE. (Cylinder Cowl. Touring LE.)

под заказ23700 руб.
420810603

Цилиндр Cowl. TouКольцо SLE. (Cylinder Cowl. Touring SLE.)

под заказпо запросу
23420827817

Cвыше Шайба. TouКольцо LE. TouКольцо SLE. (Cup Washer. Touring LE. Touring SLE.)

под заказ978 руб.
24420960865

Rubber Шайба. TouКольцо LE. TouКольцо SLE. (Rubber Washer. Touring LE. Touring SLE.)

под заказ146 руб.
24960865

RUBBER RING (USE 420960865)

под заказ140 руб.
25420227935

Шайба. TouКольцо LE. TouКольцо SLE. (Washer. Touring LE. Touring SLE.)

под заказ365 руб.
26420945752

Шайба с блокировкой 8 mm. TouКольцо LE. TouКольцо SLE. (Lock Washer 8 mm. Touring LE. Touring SLE.)

под заказ118 руб.
26402001600

RONDELLE-FREIN *WASHER-LOCK#8

под заказ110 руб.
27222081665

Шестигранный винт M8 x 16. TouКольцо LE. TouКольцо SLE. (Hex. Screw M8 x 16. Touring LE. Touring SLE.)

под заказ222 руб.
27207181644

SCREW-HEX.CAP DIN.933

под заказ290 руб.
28420926180

Шайба. TouКольцо LE. TouКольцо SLE. (Washer. Touring LE. Touring SLE.)

под заказ138 руб.
29417300006

Self Саморез 4.8 x 16. TouКольцо LE. TouКольцо SLE. (Self Tapping Screw 4.8 x 16. Touring LE. Touring SLE.)

под заказ53 руб.
29420841495

SCREW-TAPP.PAN HD.SLTD.4,8 X 1

под заказ170 руб.
30420860940

Струбцина. TouКольцо LE. TouКольцо SLE. (Clamp. Touring LE. Touring SLE.)

под заказ348 руб.
31420941250

Taptite Винт M6 x 20. TouКольцо LE. TouКольцо SLE. (Taptite Screw M6 x 20. Touring LE. Touring SLE.)

под заказ375 руб.
32570068200

Rubber Адаптер. TouКольцо LE. (Rubber Adaptor. Touring LE.)

под заказпо запросу
33408803700

Шестерня Струбцина Tridon. TouКольцо LE. (Gear Clamp Tridon. Touring LE.)

под заказ745 руб.
33420851430

BRIBE *CLAMP

под заказпо запросу
34572097800

вход Duct. TouКольцо LE. TouКольцо SLE. (Inlet Duct. Touring LE. Touring SLE.)

под заказпо запросу
35517124300

Шайба. TouКольцо LE. TouКольцо SLE. (Washer. Touring LE. Touring SLE.)

под заказ130 руб.
36228551045

Эластичная гайка со стопором M5. TouКольцо LE. TouКольцо SLE. (Elastic Stop Nut M5. Touring LE. Touring SLE.)

под заказ102 руб.
36232551414

NUT-STOP ELASTIC DIN.985

под заказ130 руб.
37222051665

Шестигранный винт M5 x 16. TouКольцо LE. TouКольцо SLE. (Hex. Screw M5 x 16. Touring LE. Touring SLE.)

под заказ102 руб.
37207151644

SCREW-HEX.CAP DIN.933

под заказ130 руб.
38732601292

Винт. TouКольцо LE. TouКольцо SLE. (Screw. Touring LE. Touring SLE.)

под заказпо запросу
39415036500

Сальник. TouКольцо LE. TouКольцо SLE. (Seal. Touring LE. Touring SLE.)

под заказ1350 руб.
40414479100

Зажим. TouКольцо LE. TouКольцо SLE. (Clip. Touring LE. Touring SLE.)

под заказ284 руб.
41572083800

выход Deflector. TouКольцо LE. TouКольцо SLE. (Outlet Deflector. Touring LE. Touring SLE.)

под заказпо запросу
41509000058

DEFLECT.SORTIE *DEFLECT.-OUTL.

под заказпо запросу
42572083700

выход Duct. TouКольцо LE. (Outlet Duct. Touring LE.)

под заказ2250 руб.
572083900

выход Duct. TouКольцо SLE. (Outlet Duct. Touring SLE.)

под заказпо запросу
43732900047

Serrated Шайба с блокировкой 5 mm. TouКольцо LE. TouКольцо SLE. (Serrated Lock Washer 5 mm. Touring LE. Touring SLE.)

под заказ52 руб.
44365901100

Шестигранный винт. TouКольцо LE. TouКольцо SLE. (Hex. Screw. Touring LE. Touring SLE.)

под заказ263 руб.
44365900600

SCREW-HEX.TAPING 12

под заказ210 руб.
ski-doo

Время выполнения запроса 3.1409378051758 сек.


 
 

данный сайт носит информационный характер и не является публичной офертой

склад запчастей для водомоторной техники