вконтакте

Контактный телефон: +7 (981) 121-46-93, +7 (800) 200-90-76 , Email: parts-katalog@yandex.ru, где купить

 
 

  Логин:

Пароль:

Регистрация

www.partskatalog.ru Все каталоги Запчасти Mercury Запчасти Suzuki Запчасти Tohatsu Запчасти Honda Контакты



УВАЖАЕМЫЕ КЛИЕНТЫ!
C 19 ДЕКАБРЯ 2025 ПО 02 МАРТА 2026 ГОДА ОТДЕЛ ЗАПЧАСТЕЙ И СЕРВИС РАБОТАТЬ НЕ БУДУТ
ПРОДАЖА ЛОДОЧНЫХ МОТОРОВ В ШТАТНОМ РЕЖИМЕ
ОБ ИЗМЕНЕНИЯХ В ГРАФИКЕ РАБОТЫ ЧИТАЙТЕ НА САЙТА




Выбрать другую модель

назад Раздел:   вперёд

вернуться к списку узлов и деталей

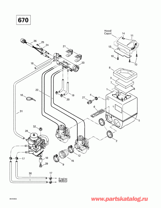
ДЕТАЛИРОВКА ДЛЯ МОДЕЛИ: SKIDOO Summit 500/X 670, 1999

Раздел: Air Система впуска System (670) | Air Intake System (670)


снегоход SkiDoo - Air Intake System (670)

Номер на
рисунке
АртикулНаименованиеКол-во
на складе
Цена
1 508000028

Air Система впуска в сборе. Includes 1 - 8. Summit X670. (Air Intake Assy. Includes 1 - 8. Summit X670.)

под заказпо запросу
2 570049000

Air Адаптер VM-40. Summit X670. (Air Adaptor VM-40. Summit X670.)

под заказпо запросу
3 415014800

Воздушный фильтр. Summit X670. (Air Filter. Summit X670.)

под заказ901 руб.
4 570065500

Пыльник. Summit X670. (Grommet. Summit X670.)

под заказ1150 руб.
5 516000130

Caution Наклейки. Summit X670. (Caution Label. Summit X670.)

под заказпо запросу
5 516001191

ETIQUETTE INST.*INST-LABEL

под заказпо запросу
6 570069700

Latch. Summit X670. (Latch. Summit X670.)

под заказ1030 руб.
6 570048800

LOQUET *LATCH

под заказ810 руб.
7 517283900

Система впуска Grill. Summit X670. (Intake Grill. Summit X670.)

под заказпо запросу
8 415125500

нижний Foam. Summit X670. (Lower Foam. Summit X670.)

под заказпо запросу
9 414532800

Воротник. Summit X670. (Collar. Summit X670.)

под заказпо запросу
9 27414532800

CLAMP

под заказпо запросу
10243141640

Винт M4.8 x 16. Summit X670. (Screw M4.8 x 16. Summit X670.)

под заказпо запросу
10732603009

SCREW-PLASTITE HEX.WR.HD.

под заказпо запросу
11572077900

Система впуска Крышка. Summit X670. (Intake Cover. Summit X670.)

под заказ1050 руб.
12414532800

Воротник. Summit X670. (Collar. Summit X670.)

под заказпо запросу
1227414532800

CLAMP

под заказпо запросу
13517292800

Deflector. Summit X670. (Deflector. Summit X670.)

под заказпо запросу
14414972600

Воздушный фильтр. Summit X670. (Air Filter. Summit X670.)

под заказ3350 руб.
15570070100

Адаптер Карбюратор. Summit X670. (Adaptor Carburetor. Summit X670.)

под заказпо запросу
16293750001

Tie Rap 94 mm. Summit X670. (Tie Rap 94 mm. Summit X670.)

под заказ90 руб.
16420866718

TIE RAP *TIE-RAP

под заказ110 руб.
17414415200

Пружина Струбцина. Summit X670. (Spring Clamp. Summit X670.)

под заказ138 руб.
18512058934

Проставка. Summit X670. (Spacer. Summit X670.)

под заказпо запросу
19415080200

Line. Summit X670. (Line. Summit X670.)

под заказ1150 руб.
19709000183

BOYAU POLYURE *POLYURETHANE H

под заказпо запросу
20414554800

Пружина Струбцина. Summit X670. (Spring Clamp. Summit X670.)

под заказ138 руб.
20414278600

BRIDE A RESSORT*CLAMP-SPRING

под заказ110 руб.
21512058919

Sвышеport. Summit X670. (Support. Summit X670.)

под заказ697 руб.
22404161814

Шланг. Summit X670. (Hose. Summit X670.)

под заказ3390 руб.
22404161880

BOYAU *HOSE

под заказ4340 руб.
23512058922

Pressure Коллектор в сборе. Includes 23 - 26. Summit X670. (Pressure Manifold Assy. Includes 23 - 26. Summit X670.)

под заказпо запросу
23512059571

COLLECTEUR PRES*MANIFOLD-PRESS

под заказпо запросу
24415061600

Lock. Summit X670. (Lock. Summit X670.)

под заказ593 руб.
25211000028

Винт K40 x 10. Summit X670. (Screw K40 x 10. Summit X670.)

под заказ222 руб.
25241140060

SCREW-PT.HEX.FLANGE K40 X 10

под заказ290 руб.
26515175219

Коллектор Жгут проводов. Summit X670. (Collector Harness. Summit X670.)

под заказпо запросу
27270600000

Air Датчик (температура) Summit X670. (Air Sensor (Temperature). Summit X670.)

под заказ9210 руб.
28415109000

Air Помпа. Summit X670. (Air Pump. Summit X670.)

под заказпо запросу
29222053065

Шестигранный винт M5 x 30. Summit X670. (Hex. Screw M5 x 30. Summit X670.)

под заказ222 руб.
29207053044

SCREW-HEX.CAP DIN.931

под заказ290 руб.
30415079800

Шланг. Summit X670. (Hose. Summit X670.)

под заказпо запросу
30414286700

BOYAU *HOSE-RUBBER

под заказпо запросу
31270000306

Шланг 4.5 mm. Summit X670. (Hose 4.5 mm. Summit X670.)

под заказ505 руб.
32228751045

Elastic Фланецd Гайка M5. Summit X670. (Elastic Flanged Nut M5. Summit X670.)

под заказпо запросу
32233251414

NUT-FLANGE ELASTIC DIN.6926

под заказ270 руб.
ski-doo

Время выполнения запроса 2.106299161911 сек.


 
 

данный сайт носит информационный характер и не является публичной офертой

склад запчастей для водомоторной техники