вконтакте

Контактный телефон: +7 (981) 121-46-93, +7 (800) 200-90-76 , Email: parts-katalog@yandex.ru, где купить

 
 

  Логин:

Пароль:

Регистрация

www.partskatalog.ru Все каталоги Запчасти Mercury Запчасти Suzuki Запчасти Tohatsu Запчасти Honda Контакты



УВАЖАЕМЫЕ КЛИЕНТЫ!
C 19 ДЕКАБРЯ 2025 ПО 02 МАРТА 2026 ГОДА ОТДЕЛ ЗАПЧАСТЕЙ И СЕРВИС РАБОТАТЬ НЕ БУДУТ
ПРОДАЖА ЛОДОЧНЫХ МОТОРОВ В ШТАТНОМ РЕЖИМЕ
ОБ ИЗМЕНЕНИЯХ В ГРАФИКЕ РАБОТЫ ЧИТАЙТЕ НА САЙТА




Выбрать другую модель

назад Раздел:   вперёд

вернуться к списку узлов и деталей

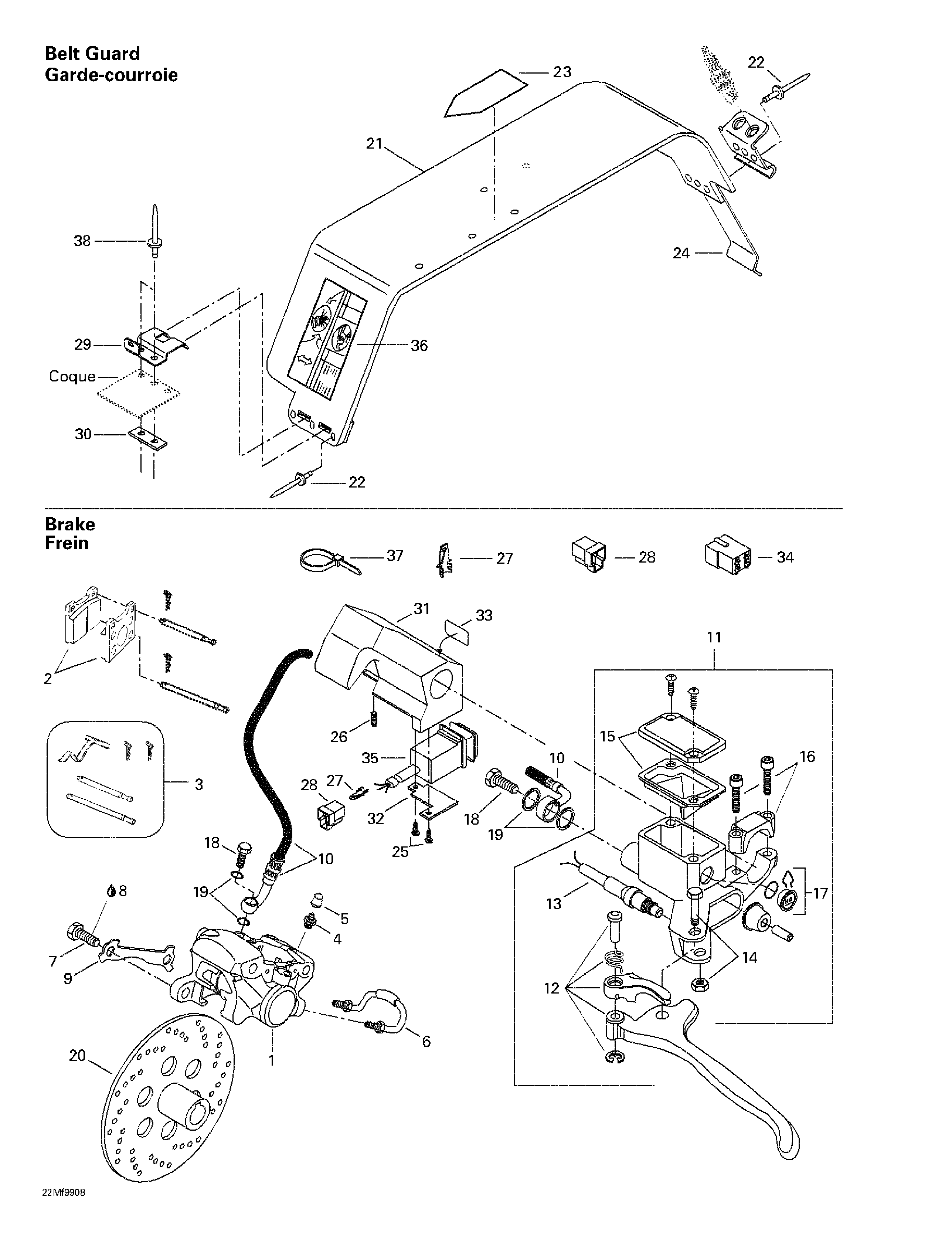
ДЕТАЛИРОВКА ДЛЯ МОДЕЛИ: SKIDOO Skandic 380/500, 1999

Раздел: Hydraulic тормоз и Belt Guard | Hydraulic Brake And Belt Guard


snowmobile  модификация Skandic 380/500, 1999 - Hydraulic Brake And Belt Guard

Номер на
рисунке
АртикулНаименованиеКол-во
на складе
Цена
1 415034500

Caliper. Includes 1 - 6. Skandic 500. (Caliper. Includes 1 - 6. Skandic 500.)

под заказ21000 руб.
1 507032412

ETRIER *CALIPER

под заказ22900 руб.
2 415053600

тормоз Lining Kit. Skandic 500. (Brake Lining Kit. Skandic 500.)

под заказ5280 руб.
2 415129172

ENS.GARNITURES *KIT-PADS BRAKE

17 шт5140 руб.
1500 руб.
2 SM-05059

     (не оригинальная запчасть) Тормозные колодки BRP SM-05059

под заказ2 440 руб.
2 SM-05059F

     (не оригинальная запчасть) Тормозные колодки BRP SM-05059F

под заказ3 850 руб.
3 414990700

Kit (Штифтs, Фиксаторs, Пружина) Skandic 500. (Kit (Pins, Retainers, Spring). Skandic 500.)

под заказ2920 руб.
4 414989800

Винт-Bleeder. Skandic 500. (Screw-Bleeder. Skandic 500.)

под заказ1610 руб.
5 414989700

Boot. Skandic 500. (Boot. Skandic 500.)

под заказ2340 руб.
6 414989900

Трубка. Skandic 500. (Tube. Skandic 500.)

под заказ2380 руб.
7 207103544

Шестигранный винт M10 x 35. Skandic 500. (Hex. Screw M10 x 35. Skandic 500.)

под заказ284 руб.
8 293800015

Loctite 242, 10 ml. Skandic 500. (Loctite 242, 10 ml. Skandic 500.)

под заказ1680 руб.
8 293800060

LOCTITE 243 *LOCTITE-243

под заказ2150 руб.
9 507029900

Locking Tab. Skandic 500. (Locking Tab. Skandic 500.)

под заказ131 руб.
9 507032316

FREIN DE VIS *LOCK-TAB

под заказ170 руб.
10507032219

Шланг. Skandic 500. (Hose. Skandic 500.)

под заказ4290 руб.
11415099500

Master Цилиндр. Includes 11 - 17. Skandic 500. (Master Cylinder. Includes 11 - 17. Skandic 500.)

под заказ18670 руб.
11415129439

MAITRE CYLINDRE*MASTER-CYLIND

под заказ20300 руб.
12415075300

Рычаг в сборе. Skandic 500. (Lever Assy. Skandic 500.)

под заказ3970 руб.
12507032428

LEVIER *LEVER

под заказ6070 руб.
13415117500

MicroПереключатель в сборе. Skandic 500. (Microswitch Assy. Skandic 500.)

под заказ3700 руб.
13507032366

MICROSWITCH

под заказ5210 руб.
1301-280-01

     (не оригинальная запчасть) Выключатель стоп-сигнала BRP 01-280-01

под заказ1 060 руб.
14415030000

Штифт в сборе. Skandic 500. (Pin Assy. Skandic 500.)

под заказ1290 руб.
14507032280

AXE *PIN

под заказ970 руб.
15415029900

Крышка в сборе Skandic 500. (Cover Assy. Skandic 500.)

под заказ3000 руб.
16415029800

Струбцина в сборе. Skandic 500. (Clamp Assy. Skandic 500.)

под заказ1570 руб.
16507032477

BRIDE *CLAMP

под заказ2010 руб.
17414990600

Window в сборе. Skandic 500. (Window Assy. Skandic 500.)

под заказ1120 руб.
18414920500

Болт (Шланг) Skandic 500. (Bolt (Hose). Skandic 500.)

под заказ731 руб.
19414920600

Шайба (Шланг) Skandic 500. (Washer (Hose). Skandic 500.)

под заказ284 руб.
20507032203

тормоз Disk. Skandic 500. (Brake Disk. Skandic 500.)

под заказ11020 руб.
20507032458

DISQUE USINE *DISK-BRAKE MACH.

под заказ14100 руб.
21417300012

Belt Guard в сборе. Includes 21 - 24. Skandic 500. (Belt Guard Assy. Includes 21 - 24. Skandic 500.)

под заказпо запросу
22390402200

Pop Заклёпка. Skandic 500. (Pop Rivet. Skandic 500.)

под заказ138 руб.
23516000132

Warning Наклейки. Skandic 500. (Warning Label. Skandic 500.)

под заказпо запросу
23516002670

ETIQUETTE SECUR*SECURITY-LABEL

под заказпо запросу
24414941800

Инструмент Box Пружина. Skandic 500. (Tool Box Spring. Skandic 500.)

под заказ236 руб.
25414473200

Self Саморез. Skandic 500. (Self Tapping Screw. Skandic 500.)

под заказ222 руб.
25211000098

SCREW-THREAD CUT.PH.PAN TYPE25

под заказ290 руб.
26414440800

Установочный винт M8 x 10. Skandic 500. (Set Screw M8 x 10. Skandic 500.)

под заказ290 руб.
26114144408

SCREW

под заказ220 руб.
27409210000

Male Коннектор. Skandic 500. (Male Connector. Skandic 500.)

под заказ572 руб.
27561503400

COSSE MALE *TERMINAL-MALE

под заказ450 руб.
28409204200

Male Коннектор Корпус. Skandic 500. (Male Connector Housing. Skandic 500.)

под заказ572 руб.
29518314200

Шкив Guard Кронштейн. Skandic 500. (Pulley Guard Bracket. Skandic 500.)

под заказ236 руб.
30518207500

Reinдляcement. Skandic 500. (Reinforcement. Skandic 500.)

под заказ383 руб.
31572079500

Корпус Переключатель Dimmer. Skandic 500. (Housing Switch Dimmer. Skandic 500.)

под заказ1180 руб.
32517283800

Кронштейн. Skandic 500. (Bracket. Skandic 500.)

под заказ406 руб.
33415025500

Переключатель Наклейка. Skandic 500. (Switch Decal. Skandic 500.)

под заказ426 руб.
34409209300

Male Коннектор Корпус. Skandic 500. (Male Connector Housing. Skandic 500.)

под заказ540 руб.
35515175293

Переключатель. Skandic 500. (Switch. Skandic 500.)

под заказ3130 руб.
35515175423

COMMUTATEUR *SWITCH

под заказ3410 руб.
3501-120-36

     (не оригинальная запчасть) Переключатель света BRP/Polaris/Yamaha 01-120-36

под заказ2 310 руб.
36418001702

Наклейка (Suspension Adjustment) Skandic 500. (Decal (Suspension Adjustment). Skandic 500.)

под заказпо запросу
36516001640

DECAL-AJUST.

под заказпо запросу
37414115200

Tie-Rap. Skandic 500. (Tie-Rap. Skandic 500.)

под заказ130 руб.
37414587300

TIE RAP *TIE-RAP

под заказ110 руб.
38390402200

Pop Заклёпка. Skandic 500. (Pop Rivet. Skandic 500.)

под заказ138 руб.
ski-doo

Время выполнения запроса 1.5632500648499 сек.


 
 

данный сайт носит информационный характер и не является публичной офертой

склад запчастей для водомоторной техники