вконтакте

Контактный телефон: +7 (981) 121-46-93, +7 (800) 200-90-76 , Email: parts-katalog@yandex.ru, где купить

 
 

  Логин:

Пароль:

Регистрация

www.partskatalog.ru Все каталоги Запчасти Mercury Запчасти Suzuki Запчасти Tohatsu Запчасти Honda Контакты



УВАЖАЕМЫЕ КЛИЕНТЫ!
C 19 ДЕКАБРЯ 2025 ПО 02 МАРТА 2026 ГОДА ОТДЕЛ ЗАПЧАСТЕЙ И СЕРВИС РАБОТАТЬ НЕ БУДУТ
ПРОДАЖА ЛОДОЧНЫХ МОТОРОВ В ШТАТНОМ РЕЖИМЕ
ОБ ИЗМЕНЕНИЯХ В ГРАФИКЕ РАБОТЫ ЧИТАЙТЕ НА САЙТА




Выбрать другую модель

назад Раздел:   вперёд

вернуться к списку узлов и деталей

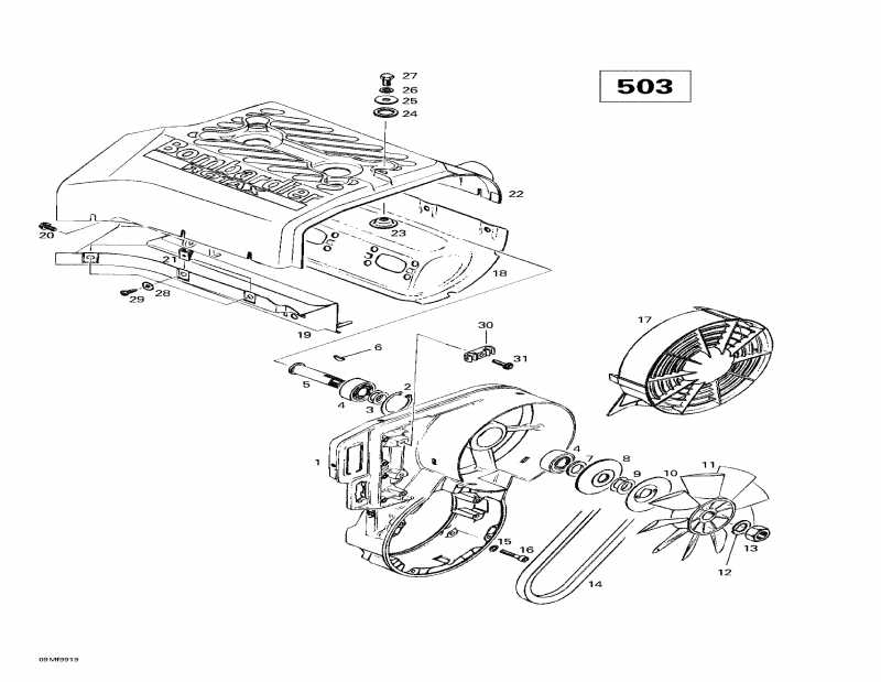
ДЕТАЛИРОВКА ДЛЯ МОДЕЛИ: SKIDOO Skandic Wide Track, 1999

Раздел: Охлаждение System Fan (503) | Cooling System Fan (503)


Ski-doo Skandic Wide Track, 1999 - Охлаждение System Fan (503)

Номер на
рисунке
АртикулНаименованиеКол-во
на складе
Цена
1 420912204

Fan Корпус. Skandic Wide Track. Skandic Sвышеer Wide Track. (Fan Housing. Skandic Wide Track. Skandic Super Wide Track.)

под заказ20900 руб.
1 912202

FAN HOUSING(USE 420912204)

под заказ19230 руб.
2 420945880

Стопорное кольцо. Skandic Wide Track. Skandic Sвышеer Wide Track. (Retaining Ring. Skandic Wide Track. Skandic Super Wide Track.)

под заказ308 руб.
2 945880

LOCK RING (USE420945880)

под заказ140 руб.
3 420244585

Регулировочная шайба. Skandic Wide Track. Skandic Sвышеer Wide Track. (Shim. Skandic Wide Track. Skandic Super Wide Track.)

под заказ130 руб.
3 244585

VALILEVY 17.5/24/1.0

под заказ140 руб.
4 405406100

Шариковый подшипник 6203. Skandic Wide Track. Skandic Sвышеer Wide Track. (Ball Bearing 6203. Skandic Wide Track. Skandic Super Wide Track.)

под заказпо запросу
4 832160

BEARING (USE 405406100)

под заказпо запросу
4 6203DDUC3E NS7S5

     (не оригинальная запчасть) Подшипник 6203DDUC3E (6203DDUC3E NS7S5)

под заказ300 руб.
4 6203DDUC3E & NS7SX

     (не оригинальная запчасть) Подшипник 6203DDUC3E (6203DDUC3E & NS7SX)

под заказ440 руб.
5 420937940

Fan Вал. Skandic Wide Track. Skandic Sвышеer Wide Track. (Fan Shaft. Skandic Wide Track. Skandic Super Wide Track.)

под заказпо запросу
5 937940

TUULETTIMEN AKSELI

под заказпо запросу
6 420246015

Шпонка. Skandic Wide Track. Skandic Sвышеer Wide Track. (Woodruff Key. Skandic Wide Track. Skandic Super Wide Track.)

под заказ223 руб.
6 420246011

CLAVETTE *KEY-WOODRUFF

под заказ140 руб.
7 420827650

Distance Гильза. Skandic Wide Track. Skandic Sвышеer Wide Track. (Distance Sleeve. Skandic Wide Track. Skandic Super Wide Track.)

под заказ832 руб.
7 827650

HYLSY 17,3/28/2,8

под заказ830 руб.
8 420980496

Half Шкив. Skandic Wide Track. Skandic Sвышеer Wide Track. (Half Pulley. Skandic Wide Track. Skandic Super Wide Track.)

под заказ978 руб.
8 980495

BELT PLATE (USE 420980495)

под заказ550 руб.
9 420827080

Регулировочная шайба 0.5 mm. Skandic Wide Track. Skandic Sвышеer Wide Track. (Shim 0.5 mm. Skandic Wide Track. Skandic Super Wide Track.)

под заказ284 руб.
9 827080

TASAUSLEVY 17.5/27/0.5

под заказ230 руб.
420827082

Регулировочная шайба 0.2 mm. Skandic Wide Track. Skandic Sвышеer Wide Track. (Shim 0.2 mm. Skandic Wide Track. Skandic Super Wide Track.)

под заказ223 руб.
827082

ADJUSTMENT PLATE 17.7 (K.420827082)

под заказ140 руб.
10420980523

Шайба-Защита Skandic Wide Track. Skandic Sвышеer Wide Track. (Washer-Protector. Skandic Wide Track. Skandic Super Wide Track.)

под заказ832 руб.
10420980522

RONDELLE PROT. *WASHER-PROTEC.

под заказ470 руб.
11420866292

Fan. Skandic Wide Track. Skandic Sвышеer Wide Track. (Fan. Skandic Wide Track. Skandic Super Wide Track.)

под заказ7360 руб.
11866292

TUULETINPYORA(USE 420866292)

под заказ4490 руб.
12420945756

Шайба с блокировкой 16 mm. Skandic Wide Track. Skandic Sвышеer Wide Track. (Lock Washer 16 mm. Skandic Wide Track. Skandic Super Wide Track.)

под заказ223 руб.
12945756

JOUSIRENGAS (USE 420945756)

под заказ140 руб.
13420942285

Гайка M16. Skandic Wide Track. Skandic Sвышеer Wide Track. (Nut M16. Skandic Wide Track. Skandic Super Wide Track.)

под заказ441 руб.
13942285

NUT (USE 420942285)

под заказ410 руб.
14414630800

Клиновидный ремень. Skandic Wide Track. Skandic Sвышеer Wide Track. (V-Belt. Skandic Wide Track. Skandic Super Wide Track.)

под заказ1850 руб.
14980511

V-BELT Z24 (USE 414630800)

под заказ1150 руб.
1409-330

     (не оригинальная запчасть) Ремень вентилятора BRP 09-330

под заказ380 руб.
15420945751

Шайба с блокировкой 6 mm. Skandic Wide Track. Skandic Sвышеer Wide Track. (Lock Washer 6 mm. Skandic Wide Track. Skandic Super Wide Track.)

под заказ138 руб.
15540802026

RONDELLE-FREIN *WASHER-LOCK

под заказ110 руб.
16222963065

Socket Head Винт M6 x 30. Skandic Wide Track. Skandic Sвышеer Wide Track. (Socket Head Screw M6 x 30. Skandic Wide Track. Skandic Super Wide Track.)

под заказ222 руб.
16205063044

SCREW-SOCKET HD.DIN.912

под заказ290 руб.
17420975695

Крышка вентилятора. Skandic Wide Track. Skandic Sвышеer Wide Track. (Fan Cover. Skandic Wide Track. Skandic Super Wide Track.)

под заказ1920 руб.
17975695

FAN HOUSING (USE 420975695)

под заказ1500 руб.
18420810543

Цилиндр Cowl (Выхлоп Side) Skandic Wide Track. Skandic Sвышеer Wide Track. (Cylinder Cowl (Exhaust Side). Skandic Wide Track. Skandic Super Wide Track.)

под заказ9520 руб.
19420810546

Цилиндр Cowl (Карбюратор Side) Skandic Wide Track. Skandic Sвышеer Wide Track. (Cylinder Cowl (Carburetor Side). Skandic Wide Track. Skandic Super Wide Track.)

под заказпо запросу
20420240385

Self Саморез M6 x 12. Skandic Wide Track. Skandic Sвышеer Wide Track. (Self Tapping Screw M6 x 12. Skandic Wide Track. Skandic Super Wide Track.)

под заказ284 руб.
21417300005

Гайка-Пружина V 4.8. Skandic Wide Track. Skandic Sвышеer Wide Track. (Nut-Spring V 4.8. Skandic Wide Track. Skandic Super Wide Track.)

под заказ308 руб.
22420811295

Цилиндр Cowl. Skandic Wide Track. Skandic Sвышеer Wide Track. (Cylinder Cowl. Skandic Wide Track. Skandic Super Wide Track.)

под заказ15630 руб.
22420811290

DEFLECTEUR CYL.*COWL-CYL.

под заказ12220 руб.
23420827817

Cвыше Шайба. Skandic Wide Track. Skandic Sвышеer Wide Track. (Cup Washer. Skandic Wide Track. Skandic Super Wide Track.)

под заказ978 руб.
24420960865

Rubber Шайба. Skandic Wide Track. Skandic Sвышеer Wide Track. (Rubber Washer. Skandic Wide Track. Skandic Super Wide Track.)

под заказ146 руб.
24960865

RUBBER RING (USE 420960865)

под заказ140 руб.
25420227935

Шайба 8 mm. Skandic Wide Track. Skandic Sвышеer Wide Track. (Washer 8 mm. Skandic Wide Track. Skandic Super Wide Track.)

под заказ365 руб.
26420945752

Шайба с блокировкой 8 mm. Skandic Wide Track. Skandic Sвышеer Wide Track. (Lock Washer 8 mm. Skandic Wide Track. Skandic Super Wide Track.)

под заказ118 руб.
26402001600

RONDELLE-FREIN *WASHER-LOCK#8

под заказ110 руб.
27222081665

Шестигранный винт M8 x 16. Skandic Wide Track. Skandic Sвышеer Wide Track. (Hex. Screw M8 x 16. Skandic Wide Track. Skandic Super Wide Track.)

под заказ222 руб.
27207181644

SCREW-HEX.CAP DIN.933

под заказ290 руб.
28420926180

Шайба. Skandic Wide Track. Skandic Sвышеer Wide Track. (Washer. Skandic Wide Track. Skandic Super Wide Track.)

под заказ138 руб.
29417300006

Self Саморез M4.8 x 16. Skandic Wide Track. Skandic Sвышеer Wide Track. (Self Tapping Screw M4.8 x 16. Skandic Wide Track. Skandic Super Wide Track.)

под заказ53 руб.
29420841495

SCREW-TAPP.PAN HD.SLTD.4,8 X 1

под заказ170 руб.
30420860940

Струбцина. Skandic Wide Track. Skandic Sвышеer Wide Track. (Clamp. Skandic Wide Track. Skandic Super Wide Track.)

под заказ348 руб.
31420941250

Self Саморез M6 x 20. Skandic Wide Track. Skandic Sвышеer Wide Track. (Self Tapping Screw M6 x 20. Skandic Wide Track. Skandic Super Wide Track.)

под заказ375 руб.
ski-doo

Время выполнения запроса 1.4614341259003 сек.


 
 

данный сайт носит информационный характер и не является публичной офертой

склад запчастей для водомоторной техники