вконтакте

Контактный телефон: +7 (981) 121-46-93, +7 (800) 200-90-76 , Email: parts-katalog@yandex.ru, где купить

 
 

  Логин:

Пароль:

Регистрация

www.partskatalog.ru Все каталоги Запчасти Mercury Запчасти Suzuki Запчасти Tohatsu Запчасти Honda Контакты



УВАЖАЕМЫЕ КЛИЕНТЫ!
C 19 ДЕКАБРЯ 2025 ПО 02 МАРТА 2026 ГОДА ОТДЕЛ ЗАПЧАСТЕЙ И СЕРВИС РАБОТАТЬ НЕ БУДУТ
ПРОДАЖА ЛОДОЧНЫХ МОТОРОВ В ШТАТНОМ РЕЖИМЕ
ОБ ИЗМЕНЕНИЯХ В ГРАФИКЕ РАБОТЫ ЧИТАЙТЕ НА САЙТА




Выбрать другую модель

назад Раздел:   вперёд

вернуться к списку узлов и деталей

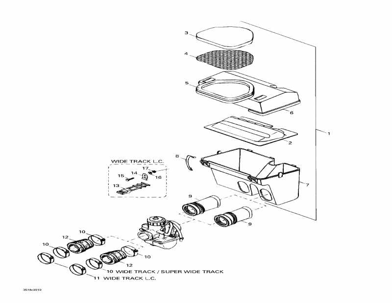
ДЕТАЛИРОВКА ДЛЯ МОДЕЛИ: SKIDOO Skandic Wide Track LC, 1999

Раздел: Air Глушитель | Air Silencer


snowmobile Ski Doo Skandic Wide Track LC, 1999 раздел - Air Silencer

Номер на
рисунке
АртикулНаименованиеКол-во
на складе
Цена
1 M5142659

Air Система впуска в сборе. Includes 1 - 9. Skandic Wide Track. (Air Intake Assy. Includes 1 - 9. Skandic Wide Track.)

под заказпо запросу
M5144123

Air Система впуска в сборе. Skandic Sвышеer Wide Track. (Air Intake Assy. Skandic Super Wide Track.)

под заказпо запросу
M5142962

Air Система впуска в сборе. Skandic Wide Track LC. (Air Intake Assy. Skandic Wide Track LC.)

под заказпо запросу
2 M5343431

Трубка Пластина. Skandic Wide Track. Skandic Wide Track LC. (Tube Plate. Skandic Wide Track. Skandic Wide Track LC.)

под заказпо запросу
M5144078

Трубка Пластина. Skandic Sвышеer Wide Track. (Tube Plate. Skandic Super Wide Track.)

под заказпо запросу
3 M5342958

Воздушный фильтр (Air Filter)

под заказпо запросу
4 M5342960

Система впуска Grill (Intake Grill)

под заказпо запросу
5 M5342959

Сальникing Foam (Sealing Foam)

под заказпо запросу
6 M5142786

Система впуска Крышка (Intake Cover)

под заказпо запросу
7 M5142751

Air Система впуска. Skandic Wide Track. Skandic Sвышеer Wide Track. (Air Intake. Skandic Wide Track. Skandic Super Wide Track.)

под заказпо запросу
M5142834

Air Система впуска. Skandic Wide Track LC. (Air Intake. Skandic Wide Track LC.)

под заказпо запросу
8 M5442836

Пружина Lock (Spring Lock)

под заказпо запросу
9 M5142626

Air Система впуска Адаптер. Skandic Wide Track. Skandic Sвышеer Wide Track. (Air Intake Adaptor. Skandic Wide Track. Skandic Super Wide Track.)

под заказпо запросу
M5142854

Air Система впуска Адаптер. Skandic Wide Track LC. (Air Intake Adaptor. Skandic Wide Track LC.)

под заказпо запросу
10414532700

Воротник (Collar)

под заказ2500 руб.
10404120500

BRIDE *CLAMP

под заказ1960 руб.
11414532800

Воротник. Skandic Wide Track LC. (Collar. Skandic Wide Track LC.)

под заказпо запросу
1127414532800

CLAMP

под заказпо запросу
12M5342627

Карбюратор Адаптер. Skandic Wide Track. Skandic Sвышеer Wide Track. (Carburetor Adaptor. Skandic Wide Track. Skandic Super Wide Track.)

под заказпо запросу
570038000

Карбюратор Адаптер. Skandic Wide Track LC. (Carburetor Adaptor. Skandic Wide Track LC.)

под заказ1730 руб.
570127500

ADAPTEUR CARB. *ADAPTOR-CARB.

под заказ1350 руб.
13570069700

Latch. Skandic Wide Track LC. (Latch. Skandic Wide Track LC.)

под заказ1030 руб.
13570048800

LOQUET *LATCH

под заказ810 руб.
14M21137

Зажим. Skandic Wide Track LC. (Clip. Skandic Wide Track LC.)

под заказпо запросу
15M40063

Винт M5 x 12. Skandic Wide Track LC. (Screw M5 x 12. Skandic Wide Track LC.)

под заказ133 руб.
16M20008

Шайба. Skandic Wide Track LC. (Washer. Skandic Wide Track LC.)

под заказпо запросу
17228551045

Эластичная гайка со стопором M5. Skandic Wide Track LC. (Elastic Stop Nut M5. Skandic Wide Track LC.)

под заказ102 руб.
17232551414

NUT-STOP ELASTIC DIN.985

под заказ130 руб.
ski-doo

Время выполнения запроса 10.231296062469 сек.


 
 

данный сайт носит информационный характер и не является публичной офертой

склад запчастей для водомоторной техники