вконтакте

Контактный телефон: +7 (981) 121-46-93, +7 (800) 200-90-76 , Email: parts-katalog@yandex.ru, где купить

 
 

  Логин:

Пароль:

Регистрация

www.partskatalog.ru Все каталоги Запчасти Mercury Запчасти Suzuki Запчасти Tohatsu Запчасти Honda Контакты



УВАЖАЕМЫЕ КЛИЕНТЫ!
C 19 ДЕКАБРЯ 2025 ПО 02 МАРТА 2026 ГОДА ОТДЕЛ ЗАПЧАСТЕЙ И СЕРВИС РАБОТАТЬ НЕ БУДУТ
ПРОДАЖА ЛОДОЧНЫХ МОТОРОВ В ШТАТНОМ РЕЖИМЕ
ОБ ИЗМЕНЕНИЯХ В ГРАФИКЕ РАБОТЫ ЧИТАЙТЕ НА САЙТА




Выбрать другую модель

назад Раздел:   вперёд

вернуться к списку узлов и деталей

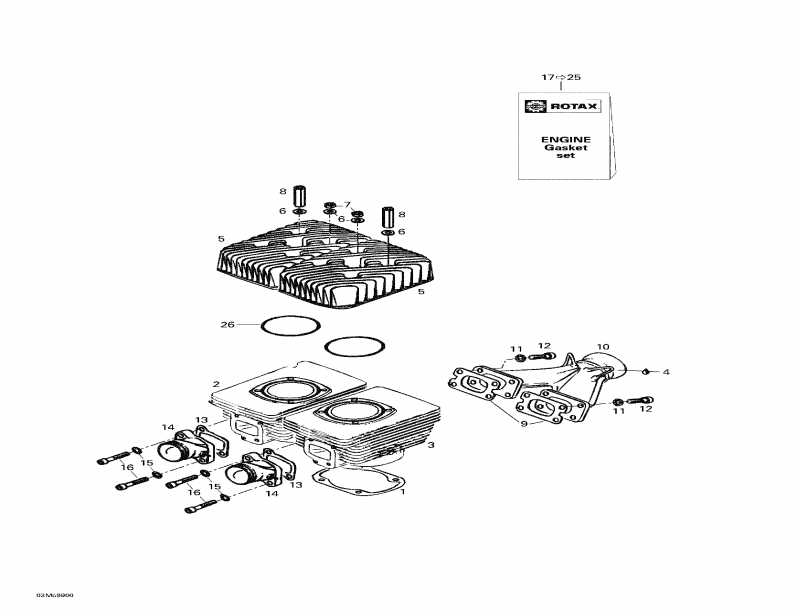
ДЕТАЛИРОВКА ДЛЯ МОДЕЛИ: SKIDOO MX Z 440, 1999

Раздел: Цилиндр, Выхлопной патрубок | Cylinder, Exhaust Manifold


снегоход  MX Z 440, 1999 раздел - Cylinder, Exhaust Manifold

Номер на
рисунке
АртикулНаименованиеКол-во
на складе
Цена
1 420931782

Прокладка 0.6 mm (Gasket 0.6 mm)

под заказпо запросу
420931781

Прокладка 0.4 mm (Gasket 0.4 mm)

под заказпо запросу
850105

GASKET 0.4 (USE 420931781)

под заказпо запросу
420931780

Прокладка 0.3 mm (Gasket 0.3 mm)

под заказ383 руб.
2 420923348

Цилиндр with Гильза, P.T.O (Cylinder with Sleeve,P.T.O)

под заказпо запросу
2 FL-1283

     (не оригинальная запчасть) Гильза BRP 440F FL-1283

под заказ13 900 руб.
3 420923358

Цилиндр with Гильза, MAG (Cylinder with Sleeve, MAG)

под заказпо запросу
3 FL-1283

     (не оригинальная запчасть) Гильза BRP 440F FL-1283

под заказ13 900 руб.
4 413710300

Сальникant, Loctite 17914, 80 ml (Sealant, Loctite 17914, 80 ml)

под заказ1570 руб.
4 293800090

ENDUIT ETANCHE *SEALANT

под заказ2010 руб.
5 420923375

Головка блока цилиндра (Cylinder Head)

под заказпо запросу
6 420250311

Шайба 8.4 mm (Washer 8.4 mm)

под заказ138 руб.
6 402003100

RONDELLE *WASHER

под заказ110 руб.
7 228081045

Гайка Hex. M8 (Nut Hex. M8)

под заказ102 руб.
7 232081414

NUT-HEXAGONAL DIN.934

под заказ130 руб.
8 420842208

Distance Гайка M8 (Distance Nut M8)

под заказ601 руб.
9 420850114

Прокладка 1.0 mm (Gasket 1.0 mm)

под заказ832 руб.
9 850113

PAKOSARJAN TIIVISTE X1CO4

под заказ450 руб.
9 SM-09515

     (не оригинальная запчасть) Прокладка выпускного коллектора BRP SM-09515

под заказ230 руб.
10420978437

Выхлоп Коллектор в сборе (Exhaust Manifold Assy)

под заказпо запросу
11224781140

Шайба с блокировкой 8 mm (Lock Washer 8 mm)

под заказ108 руб.
11234181401

WASHER-LOCK DIN*.127B

под заказ140 руб.
12222983065

Socket Head Винт M8 x 30 (Socket Head Screw M8 x 30)

под заказпо запросу
12702000090

VIS *SCREW

под заказпо запросу
13420831866

Система впуска Прокладка 1.0 mm (Intake Gasket 1.0 mm)

под заказпо запросу
13831866

TIIVISTE ROTAX-377 -94

под заказпо запросу
13SM-09514

     (не оригинальная запчасть) Прокладка впускного коллектора BRP SM-09514

под заказ190 руб.
14420867408

Система впуска Socket в сборе (Intake Socket Assy)

под заказ4350 руб.
15420945752

Шайба с блокировкой 8 mm (Lock Washer 8 mm)

под заказ118 руб.
15402001600

RONDELLE-FREIN *WASHER-LOCK#8

под заказ110 руб.
16420841591

Socket Head Винт M8 x 35 (Socket Head Screw M8 x 35)

под заказ428 руб.
16290841591

VIS HEX.M8X35 *SCREW-HEX.M8X35

под заказ340 руб.
17420994220

Двигатель Комплект прокладок. Includes 17 - 25. (Engine Gasket Set. Includes 17 - 25.)

под заказ7640 руб.
17420994232

ENS.JOINT *KIT-GASKET

под заказ9700 руб.
1709-711210

     (не оригинальная запчасть) Полный комплект прокладок BRP 380F/440F 09-711210

под заказ2 950 руб.
18420250165

Уплотнительное кольцо (O-Ring)

под заказпо запросу
18830350

O-RING 60-2 (USE 420250165)

под заказпо запросу
19420831950

Сальник Oil (Seal Oil)

под заказпо запросу
19831950

TIIVISTERENGAS 35X72X7/8.5

под заказпо запросу
1909-55104

     (не оригинальная запчасть) Комплект сальников BRP 380F/440F/503F/552F 09-55104

под заказ830 руб.
1909-165

     (не оригинальная запчасть) Сальник коленвала BRP 09-165

под заказ710 руб.
1909-55205

     (не оригинальная запчасть) Комплект сальников BRP 09-55205

под заказ3 030 руб.
1909-55216

     (не оригинальная запчасть) Комплект сальников BRP 593LC 09-55216

под заказ720 руб.
1909-55215

     (не оригинальная запчасть) Комплект сальников BRP 552F 09-55215

под заказ2 310 руб.
19009-780T

     (не оригинальная запчасть) Сальник (PTO) BRP 009-780T

под заказ1 410 руб.
20420850105

Прокладка 0.40 mm (Gasket 0.40 mm)

под заказ545 руб.
20420430351

JOINT 0,4 *GASKET-0,4

под заказ910 руб.
21420931380

Уплотнительное кольцо (O-Ring)

под заказ808 руб.
22420850114

Прокладка (Gasket)

под заказ832 руб.
22850113

PAKOSARJAN TIIVISTE X1CO4

под заказ450 руб.
22SM-09515

     (не оригинальная запчасть) Прокладка выпускного коллектора BRP SM-09515

под заказ230 руб.
23420831866

Прокладка-Система впуска (Gasket-Intake)

под заказпо запросу
23831866

TIIVISTE ROTAX-377 -94

под заказпо запросу
23SM-09514

     (не оригинальная запчасть) Прокладка впускного коллектора BRP SM-09514

под заказ190 руб.
24420945735

Стопорное кольцо (Поршень) (Circlip (Piston))

под заказ348 руб.
24945735

CIRCLIP

под заказ110 руб.
25404146600

Прокладка (Gasket)

под заказ284 руб.
25420227500

RONDELLE ETANCH*WASHER-SEAL

под заказ230 руб.
26420931380

OКольцо (ORing)

под заказ808 руб.
ski-doo

Время выполнения запроса 3.2010569572449 сек.


 
 

данный сайт носит информационный характер и не является публичной офертой

склад запчастей для водомоторной техники