вконтакте

Контактный телефон: +7 (981) 121-46-93, +7 (800) 200-90-76 , Email: parts-katalog@yandex.ru, где купить

 
 

  Логин:

Пароль:

Регистрация

www.partskatalog.ru Все каталоги Запчасти Mercury Запчасти Suzuki Запчасти Tohatsu Запчасти Honda Контакты



УВАЖАЕМЫЕ КЛИЕНТЫ!
C 19 ДЕКАБРЯ 2025 ПО 02 МАРТА 2026 ГОДА ОТДЕЛ ЗАПЧАСТЕЙ И СЕРВИС РАБОТАТЬ НЕ БУДУТ
ПРОДАЖА ЛОДОЧНЫХ МОТОРОВ В ШТАТНОМ РЕЖИМЕ
ОБ ИЗМЕНЕНИЯХ В ГРАФИКЕ РАБОТЫ ЧИТАЙТЕ НА САЙТА




Выбрать другую модель

назад Раздел:   вперёд

вернуться к списку узлов и деталей

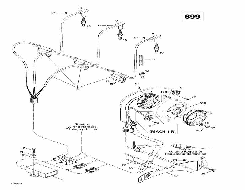
ДЕТАЛИРОВКА ДЛЯ МОДЕЛИ: SKIDOO Mach 1 R, 1999

Раздел: Магнето 12v 290w (699) | Magneto 12v 290w (699)


снегоход SKIDOO - Магнето 12v 290w (699)

Номер на
рисунке
АртикулНаименованиеКол-во
на складе
Цена
1 410923000

Магнето в сборе 12V 290W. Includes 1 - 3. Mach 1. (Magneto Assy 12V 290W. Includes 1 - 3. Mach 1.)

под заказпо запросу
1 410923100

Магнето в сборе 12V 290W. Mach 1-R. (Magneto Assy 12V 290W. Mach 1-R.)

под заказпо запросу
1 410922911

Статор в сборе. Mach 1 (Stator Assy. Mach 1)

под заказпо запросу
1 410922700

PLAQUE REACTEUR*PLATE-STATOR A

под заказпо запросу
1 410922913

Статор в сборе. Mach 1 R (Stator Assy. Mach 1 R)

под заказпо запросу
2 410922917

Магнето Маховик. Mach 1 (Magneto Flywheel. Mach 1)

под заказпо запросу
2 410922920

Магнето Маховик. Mach 1 R (Magneto Flywheel. Mach 1 R)

под заказпо запросу
3 410922918

Pick выше в сборе (Pick Up Assy)

под заказпо запросу
4 420840886

Цилиндр Винт M6 x 30 (Cylinder Screw M6 x 30)

под заказ284 руб.
4 290840886

VIS ALLEN *SCREW-SOCKET

под заказ230 руб.
5 224061151

плоский Шайба 6 mm (Flat Washer 6 mm)

под заказ206 руб.
5 234061410

WASHER-FLAT M6 DIN.125A

под заказ270 руб.
6 420840391

Taptite Винт M6 x 14 (Taptite Screw M6 x 14)

под заказ40 руб.
7 512058997

Calibration Module. Mach 1. (Calibration Module. Mach 1.)

под заказпо запросу
7 512059230

MODULE CALIB. *MODULE-CALIB.

под заказпо запросу
512058994

Calibration Module. Mach 1-R. (Calibration Module. Mach 1-R.)

под заказпо запросу
8 420966705

Катушка зажигания. Includes 8 - 9. (Ignition Coil. Includes 8 - 9.)

под заказ25500 руб.
9 278000237

Spark Защитный колачок (Spark Plug Cap)

под заказ1580 руб.
9 420866708

PROT.BOUGIE *PROT-SPARK PLU

под заказ1230 руб.
10414961100

Свеча зажигания (NGK BR9-ES) (Spark Plug (NGK BR9-ES))

под заказ166 руб.
10414567000

BOUGIE BR9ES *PLUG-SPARK

под заказ170 руб.
11207162044

Шестигранный винт M6 x 20 (Hex. Screw M6 x 20)

под заказ284 руб.
11420940561

SCREW-HEX.M6 X 20

под заказ230 руб.
12515175148

Корпус Sвышеport (Housing Support)

под заказпо запросу
13420945751

Шайба с блокировкой (Lock Washer)

под заказ138 руб.
13540802026

RONDELLE-FREIN *WASHER-LOCK

под заказ110 руб.
14228061045

Hex. Гайка M6 (Hex. Nut M6)

под заказ222 руб.
14232061414

NUT-HEXAGONAL DIN.934

под заказ290 руб.
15420852418

Starting Шкив (Starting Pulley)

под заказ1620 руб.
16420827405

Шайба (Washer)

под заказ715 руб.
17420841520

Allen Винт M8 x 12 (Allen Screw M8 x 12)

под заказ122 руб.
18293800015

Loctite 242, 10 ml (Loctite 242, 10 ml)

под заказ1680 руб.
18293800060

LOCTITE 243 *LOCTITE-243

под заказ2150 руб.
19207161644

Шестигранный винт M6 x 16 (Hex. Screw M6 x 16)

под заказ284 руб.
19420241186

SCREW-HEX.M6 X 16

под заказ230 руб.
20270000141

Зажим (Clip)

под заказ1000 руб.
21219700417

Synthetic Смазка, 400g (Synthetic Grease, 400g)

под заказ7860 руб.
21293550033

SYNTHETIC GREASE 10X14OZ (1шт=1кор=10 туб)

под заказ10050 руб.
22XXX

Silastic 732 RTV , 100 gr (Silastic 732 RTV ,100 gr)

23XXX

Заклёпка (Rivet)

24414115200

Tie Rap (Tie Rap)

под заказ130 руб.
24414587300

TIE RAP *TIE-RAP

под заказ110 руб.
25222051465

Шестигранный винт M5 x 14 (Hex. Screw M5 x 14)

под заказ222 руб.
25207151444

SCREW-HEX.CAP DIN.933

под заказ290 руб.
26228751045

Elastic Фланецd Stop Гайка M5 (Elastic Flanged Stop Nut M5)

под заказпо запросу
26233251414

NUT-FLANGE ELASTIC DIN.6926

под заказ270 руб.
27415079900

Трубопровод (Tubing)

под заказ284 руб.
27710001437

GAINE *PROTECTOR TUBE

под заказ230 руб.
28224761110

Шайба с блокировкой 6 mm (Lock Washer 6 mm)

под заказ102 руб.
28234161471

WASHER-LOCK BLACK DIN.127B

под заказ130 руб.
ski-doo

Время выполнения запроса 1.250501871109 сек.


 
 

данный сайт носит информационный характер и не является публичной офертой

склад запчастей для водомоторной техники