вконтакте

Контактный телефон: +7 (981) 121-46-93, +7 (800) 200-90-76 , Email: parts-katalog@yandex.ru, где купить

 
 

  Логин:

Пароль:

Регистрация

www.partskatalog.ru Все каталоги Запчасти Mercury Запчасти Suzuki Запчасти Tohatsu Запчасти Honda Контакты


Выбрать другую модель

назад Раздел:   вперёд

вернуться к списку узлов и деталей

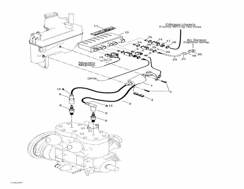
ДЕТАЛИРОВКА ДЛЯ МОДЕЛИ: SKIDOO Summit H.M., 2000

Раздел: Ignition | Ignition


SkiDoo Summit H.M., 2000 - Ignition

Номер на
рисунке
АртикулНаименованиеКол-во
на складе
Цена
1 512059039

Катушка зажигания. Includes 1 - 3. (Ignition Coil. Includes 1 - 3.)

под заказ7360 руб.
1 5348142

IGNITION COIL ASSY

под заказ5980 руб.
2 410914600

пластиковый Зажим (Plastic Clip)

под заказ572 руб.
3 278001268

Свеча зажигания Провод (Spark Plug Wire)

под заказпо запросу
3 420965521

CABLE ALLUMAGE *CABLE-IGNITION

под заказпо запросу
4 250000005

Саморез (Tapping Screw)

под заказпо запросу
5 409207100

Female Lock 2c (Female Lock 2c)

под заказ428 руб.
6 278000632

Female Клемма (Female Terminal)

под заказ284 руб.
7 409207300

Female Корпус 2c (Female Housing 2c)

под заказ859 руб.
8 278000237

Свеча зажигания Защита (Spark Plug Protector)

под заказ1580 руб.
8 420866708

PROT.BOUGIE *PROT-SPARK PLU

под заказ1230 руб.
9 414961100

Свеча зажигания (NGK BR9ES) (Spark Plug (NGK BR9ES))

под заказ166 руб.
9 414567000

BOUGIE BR9ES *PLUG-SPARK

под заказ170 руб.
10512059253

Calibration Module. Summit 700 (CDN) (Calibration Module. Summit 700 (CDN).)

под заказпо запросу
512059245

Calibration Module. Summit 700 (US) Summit 700 SB. Summit 700 HM. (Calibration Module. Summit 700 (US). Summit 700 SB. Summit 700 HM.)

под заказпо запросу
11516000245

Электрика Box Наклейка (Electrical Box Decal)

под заказ410 руб.
12293550004

Dielectric Смазка, 150 g (Dielectric Grease, 150 g)

под заказ4740 руб.
12747018002

GRAISSE *GREASE

под заказ3710 руб.
13293750001

Tie Rap (94 мм) (Tie Rap (94 mm))

под заказ90 руб.
13420866718

TIE RAP *TIE-RAP

под заказ110 руб.
14278000736

Female Корпус 6c (Female Housing 6c)

под заказ1590 руб.
15278000737

(Female) Secondary Lock (6 Circuits) (Deutsch) ((Female) Secondary Lock (6 Circuits) (Deutsch))

под заказ284 руб.
15278001666

WEDGE-6 WAYS M

под заказ230 руб.
16278000632

Female Клемма (Female Terminal)

под заказ284 руб.
17293000052

Заглушка (Plug)

под заказ284 руб.
18XXX

Жгут проводов DPM Air температура. Includes 18 - 26. (Harness DPM Air Temperature. Includes 18 - 26.)

19278000998

Female Клемма AMP (Female Terminal AMP)

под заказ428 руб.
19415128502

TERMINAL F. *TERMINAL F.

под заказ340 руб.
20278001005

Female Корпус Busch (Female Housing Busch)

под заказ1440 руб.
21278000999

Сальник AMP (Seal AMP)

под заказ284 руб.
22515175303

Заглушка AMP (Plug AMP)

под заказ572 руб.
23515175332

Трубопровод (Tubing)

под заказ715 руб.
24XXX

Female Lock Deutsch (Female Lock Deutsch)

25409015100

Female Клемма Deutsch (Female Terminal Deutsch)

под заказ572 руб.
26XXX

Female Корпус Deutsch (Female Housing Deutsch)

ski-doo

Время выполнения запроса 0.54806613922119 сек.


 
 

данный сайт носит информационный характер и не является публичной офертой

склад запчастей для водомоторной техники