вконтакте

Контактный телефон: +7 (981) 121-46-93, +7 (800) 200-90-76 , Email: parts-katalog@yandex.ru, где купить

 
 

  Логин:

Пароль:

Регистрация

www.partskatalog.ru Все каталоги Запчасти Mercury Запчасти Suzuki Запчасти Tohatsu Запчасти Honda Контакты



УВАЖАЕМЫЕ КЛИЕНТЫ!
C 19 ДЕКАБРЯ 2025 ПО 02 МАРТА 2026 ГОДА ОТДЕЛ ЗАПЧАСТЕЙ И СЕРВИС РАБОТАТЬ НЕ БУДУТ
ПРОДАЖА ЛОДОЧНЫХ МОТОРОВ В ШТАТНОМ РЕЖИМЕ
ОБ ИЗМЕНЕНИЯХ В ГРАФИКЕ РАБОТЫ ЧИТАЙТЕ НА САЙТА




Выбрать другую модель

назад Раздел:   вперёд

вернуться к списку узлов и деталей

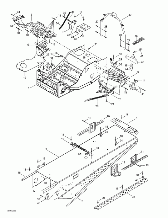
ДЕТАЛИРОВКА ДЛЯ МОДЕЛИ: SKIDOO Summit 600/SB, 2000

Раздел: Рама и Аксессуары | Frame And Accessories


snowmobile SKIDOO Summit 600/SB, 2000 раздел - Рама и Аксессуары

Номер на
рисунке
АртикулНаименованиеКол-во
на складе
Цена
1 518322097

Рама (Frame)

под заказпо запросу
2 518322117

дляming Рама (Forming Frame)

под заказпо запросу
3 518304746

Footrest Reinдляcement (Footrest Reinforcement)

под заказ2420 руб.
4 518321304

Rear Колпачок (Rear Cap)

под заказпо запросу
5 390909200

Pop Заклёпка (Pop Rivet)

под заказ138 руб.
5 605636005

Rivet Avex 4.8x10 St

под заказ70 руб.
6 518320506

R.H. Footrest Sвышеport (R.H. Footrest Support)

под заказ9040 руб.
6 518320503

SUP.REP.PI.DR. *SUP.-FOOT.RH

под заказ8300 руб.
7 518320507

L.H. Footrest Sвышеport (L.H. Footrest Support)

под заказ10610 руб.
7 518320502

SUP.REP.PI.GA. *SUP.-FOOT.LH

под заказ8300 руб.
8 518319722

R.H. Footrest (R.H. Footrest)

под заказ4690 руб.
9 518319723

L.H. Footrest (L.H. Footrest)

под заказпо запросу
10518321502

R.H. Slide Кронштейн (R.H. Slide Bracket)

под заказпо запросу
11518321506

L.H. Slide Кронштейн (L.H. Slide Bracket)

под заказ2710 руб.
12518321495

Front Кронштейн (Front Bracket)

под заказ981 руб.
12518312910

ATTACHE AVANT *BRACKET-FRONT

под заказ900 руб.
13518321305

R.H. Footrest Reinдляcement (R.H. Footrest Reinforcement)

под заказ1190 руб.
14518321307

L.H. Footrest Reinдляcement (L.H. Footrest Reinforcement)

под заказ1190 руб.
15518321510

Топливный бак Кронштейн (Fuel Tank Bracket)

под заказ1810 руб.
16518321919

R.H. Рама Reinдляcement (R.H. Frame Reinforcement)

под заказпо запросу
16518322395

RENF.TUNNEL DR.*REINF-FRAME RH

под заказпо запросу
17518321920

L.H. Рама Reinдляcement (L.H. Frame Reinforcement)

под заказпо запросу
18390402200

Pop Заклёпка (Pop Rivet)

под заказ138 руб.
19518319760

R.H. Нижний поддон Пластина (R.H. Bottom Pan Plate)

под заказ2230 руб.
20518321959

L.H. Reinдляcement Пластина (L.H. Reinforcement Plate)

под заказ793 руб.
20518321700

PLAQUE RENF.GA.*PLATE-REINF.LH

под заказ730 руб.
21207152044

Шестигранный винт M5 x 20 (Hex. Screw M5 x 20)

под заказ138 руб.
21222052065

SCREW-HEX.CAP DIN.933

под заказ110 руб.
22233251414

Elastic Фланец Гайка M5 (Elastic Flange Nut M5)

под заказ263 руб.
22233251434

NUT-FLANGE ELASTIC DIN.6926

под заказ290 руб.
23518321604

Направляющая (Guide)

под заказпо запросу
24518319730

Седло Кронштейн (Seat Bracket)

под заказ541 руб.
24518323321

SEAT BRACKE WELD

под заказ590 руб.
25518319728

Double Кронштейн (Double Bracket)

под заказпо запросу
26391301700

плоский Шайба (Flat Washer)

под заказ108 руб.
26250200081

RONDELLE PLATE *FLAT WASHER

под заказ140 руб.
27207663544

Шестигранный флавцевый винт M6 x 35 (Hex. Flange Screw M6 x 35)

под заказ284 руб.
28233261414

Elastic Фланец Гайка M6 (Elastic Flange Nut M6)

под заказ284 руб.
29518202100

Шкив Guard Кронштейн (Pulley Guard Bracket)

под заказ1200 руб.
30518207500

Reinдляcement (Reinforcement)

под заказ383 руб.
31414859400

Колпачок (Cap)

под заказ428 руб.
32518206300

Muffler Sвышеport (Muffler Support)

под заказ859 руб.
32518322635

SUPPORT SILENC.*SUPPORT-MUFFLER

под заказ940 руб.
33518310400

Air Система впуска Sвышеport (Air Intake Support)

под заказ853 руб.
34518321569

Направляющая шнура (Rope Guide)

под заказ589 руб.
35518321570

Зажим (Clip)

под заказ572 руб.
36390406500

Pop Заклёпка (Pop Rivet)

под заказ138 руб.
36390407300

RIVET-POP 3/16 *RIVET-POP 3/16

под заказ110 руб.
37518319762

Шланг Sвышеport (Hose Support)

под заказпо запросу
38518319405

Strip (Strip)

под заказ2120 руб.
39390402300

Pop Заклёпка (Pop Rivet)

под заказ138 руб.
40517225900

Шайба (Washer)

под заказ160 руб.
40517304282

RONDELLE PLATE *FLAT WASHER

под заказ130 руб.
41390909100

Pop Заклёпка (Pop Rivet)

под заказ21 руб.
42518321957

Handle Sвышеport (Handle Support)

под заказпо запросу
43517225900

Шайба (Washer)

под заказ160 руб.
43517304282

RONDELLE PLATE *FLAT WASHER

под заказ130 руб.
44518322031

Набор инструмента Кронштейн (Tool Kit Bracket)

под заказ231 руб.
45570069700

Latch (Latch)

под заказ1030 руб.
45570048800

LOQUET *LATCH

под заказ810 руб.
46518321999

Sвышеport Набор инструмента (Support Tool Kit)

под заказ546 руб.
ski-doo

Время выполнения запроса 3.1582090854645 сек.


 
 

данный сайт носит информационный характер и не является публичной офертой

склад запчастей для водомоторной техники