вконтакте

Контактный телефон: +7 (981) 121-46-93, +7 (800) 200-90-76 , Email: parts-katalog@yandex.ru, где купить

 
 

  Логин:

Пароль:

Регистрация

www.partskatalog.ru Все каталоги Запчасти Mercury Запчасти Suzuki Запчасти Tohatsu Запчасти Honda Контакты



УВАЖАЕМЫЕ КЛИЕНТЫ!
C 19 ДЕКАБРЯ 2025 ПО 02 МАРТА 2026 ГОДА ОТДЕЛ ЗАПЧАСТЕЙ И СЕРВИС РАБОТАТЬ НЕ БУДУТ
ПРОДАЖА ЛОДОЧНЫХ МОТОРОВ В ШТАТНОМ РЕЖИМЕ
ОБ ИЗМЕНЕНИЯХ В ГРАФИКЕ РАБОТЫ ЧИТАЙТЕ НА САЙТА




Выбрать другую модель

назад Раздел:   вперёд

вернуться к списку узлов и деталей

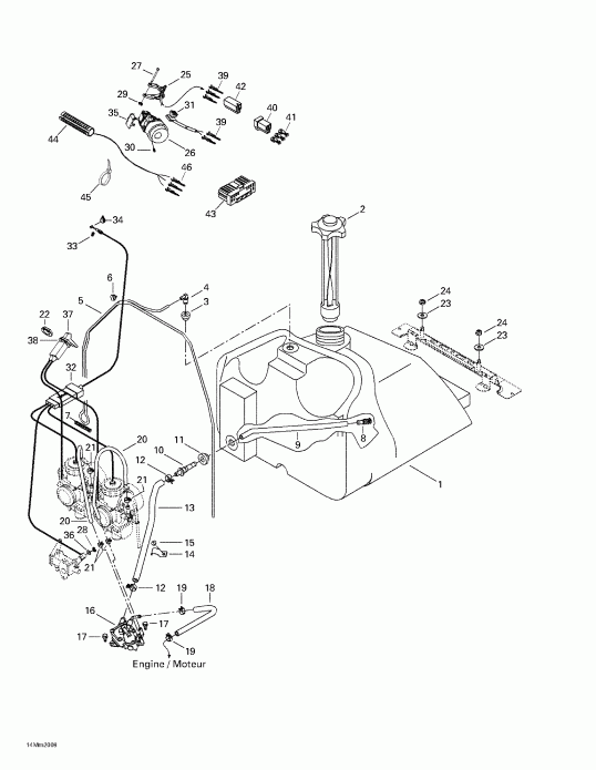
ДЕТАЛИРОВКА ДЛЯ МОДЕЛИ: SKIDOO Summit 600/SB, 2000

Раздел: Топливная система | Fuel System


snowmobile BRP модификация Summit 600/SB, 2000 - Топливная система

Номер на
рисунке
АртикулНаименованиеКол-во
на складе
Цена
1 513032987

Топливный бак (Fuel Tank)

под заказ12840 руб.
2 513032901

Топливный бак Колпачок (Fuel Tank Cap)

под заказ3590 руб.
2 513033020

BOUCHON RES.ESS*CAP-FUEL TANK

под заказ2210 руб.
2 SM-07092

     (не оригинальная запчасть) Крышка топливного бака BRP SM-07092

под заказ1 920 руб.
3 513032908

Пыльник (Grommet)

под заказ627 руб.
4 414814100

Male Коннектор (Male Connector)

под заказ300 руб.
5 415080100

Primer Line (Primer Line)

под заказ186 руб.
5 420256032

CONDUIT D-HUILE*LINE-OIL 560MM

под заказ150 руб.
6 513032923

Трубка Струбцина (Tube Clamp)

под заказ215 руб.
7 414818200

Пружина (Spring)

под заказ218 руб.
8 414872100

Топливный фильтр (Fuel Filter)

под заказ1150 руб.
8 07-241-02

     (не оригинальная запчасть) Фильтр топливный в бак BRP/Polaris 07-241-02

под заказ720 руб.
9 415005700

Шланг (Hose)

под заказ731 руб.
9 414943700

BOYAU *HOSE

под заказ550 руб.
10414872700

Male Коннектор (Male Connector)

под заказ133 руб.
11570273900

Пыльник (Grommet)

под заказ978 руб.
11707800347

PASSE-FILS *GROMMET

под заказ1150 руб.
11SM-07402

     (не оригинальная запчасть) Втулка топливной системы BRP SM-07402

под заказ140 руб.
12513032979

Пружина Струбцина (Spring Clamp)

под заказ428 руб.
13513032903

дляmed Шланг (Formed Hose)

под заказ2280 руб.
14415018200

Зажим (Clip)

под заказ138 руб.
15390406500

Pop Заклёпка (Pop Rivet)

под заказ138 руб.
15390407300

RIVET-POP 3/16 *RIVET-POP 3/16

под заказ110 руб.
16403901800

Топливный насос (Fuel Pump)

под заказ7120 руб.
16403901805

POMPE A ESSENCE*PUMP-FUEL

под заказ7760 руб.
17210361280

Шестигранный винт M6 x 12 (Hex. Screw M6 x 12)

под заказ284 руб.
17732601120

SCREW-FORMING HEX.HD.FL.DIN.75

под заказ230 руб.
18415079800

Резиновый шланг (Rubber Hose)

под заказпо запросу
18414286700

BOYAU *HOSE-RUBBER

под заказпо запросу
19414415200

Пружина Струбцина (Spring Clamp)

под заказ138 руб.
20415117800

дляmed Трубка (Formed Tube)

под заказ1210 руб.
21414420700

Пружина Струбцина (Spring Clamp)

под заказ138 руб.
2127414420700

SPRING CLIP 414420700

под заказ110 руб.
22512059094

пластиковый Гайка (Plastic Nut)

под заказ436 руб.
23234082410

плоский Шайба 8 mm (Flat Washer 8 mm)

под заказ263 руб.
23702000064

RONDELLE *WASHER

под заказ210 руб.
24232581414

Эластичная гайка со стопором M8 (Elastic Stop Nut M8)

под заказ136 руб.
24420942030

NUT-LOCK M8

под заказ110 руб.
25572101900

Handle в сборе 40 mm (Handle Assy 40 mm)

под заказ4120 руб.
25512059172

MANETTE ASS. *HANDLE-ASSY

под заказ4480 руб.
26572100900

Дроссель Handle Корпус (Throttle Handle Housing)

под заказ2190 руб.
27414438700

Рычаг Штифт (Lever Pin)

под заказ803 руб.
28414753500

Стопорное кольцо (Circlip)

под заказ130 руб.
29414439000

Стопорное кольцо (Circlip)

под заказ354 руб.
30414440800

Установочный винт M8 x 10 (Set Screw M8 x 10)

под заказ290 руб.
30114144408

SCREW

под заказ220 руб.
31515175410

Kill Переключатель (Kill Switch)

под заказпо запросу
31515177061

Kill Switch

под заказ5510 руб.
31SM-01572

     (не оригинальная запчасть) Кнопка выключения двигателя BRP SM-01572

под заказ3 390 руб.
32512058902

Тросик дросселя (Throttle Cable)

под заказ5980 руб.
33414274500

Стопорное кольцо (Circlip)

под заказ138 руб.
34293550004

Dielectric Смазка, 150 g (Dielectric Grease, 150 g)

под заказ4740 руб.
34747018002

GRAISSE *GREASE

под заказ3710 руб.
35572100901

Переключатель Крышка (Switch Cover)

под заказ1050 руб.
35572093900

COUV.INTERRUPT.*COVER-SWITCH

под заказ710 руб.
36414753300

Шайба (Washer)

под заказ81 руб.
37512059203

Choke Кабели. Includes 37 - 38. (Choke Cable. Includes 37 - 38.)

под заказ5140 руб.
37512059093

CABLE ETRANG. *CABLE-CHOKE

под заказ4710 руб.
38394103300

Шайба с блокировкой (Lock Washer)

под заказ284 руб.
39515175232

Male Клемма (Male Terminal)

под заказ572 руб.
40515175495

Female Корпус (3) (Female Housing (3))

под заказ1580 руб.
41515175231

Female Клемма (Female Terminal)

под заказ428 руб.
42515175494

Male Корпус (3) (Male Housing (3))

под заказ1580 руб.
43515175352

Male Корпус (Male Housing)

под заказ970 руб.
44515175389

Heater (Heater)

под заказ2910 руб.
44515175573

ELEMENT CHAUFF.*HEATER

под заказ4140 руб.
45293750001

Tie Rap (Tie Rap)

под заказ90 руб.
45420866718

TIE RAP *TIE-RAP

под заказ110 руб.
46515175232

Male Клемма (Male Terminal)

под заказ572 руб.
ski-doo

Время выполнения запроса 2.2466049194336 сек.


 
 

данный сайт носит информационный характер и не является публичной офертой

склад запчастей для водомоторной техники