вконтакте

Контактный телефон: +7 (981) 121-46-93, +7 (800) 200-90-76 , Email: parts-katalog@yandex.ru, где купить

 
 

  Логин:

Пароль:

Регистрация

www.partskatalog.ru Все каталоги Запчасти Mercury Запчасти Suzuki Запчасти Tohatsu Запчасти Honda Контакты


Выбрать другую модель

назад Раздел:   вперёд

вернуться к списку узлов и деталей

ДЕТАЛИРОВКА ДЛЯ МОДЕЛИ: SKIDOO MX Z 700, 2000

Раздел: Карбюраторs 2 | Carburetors 2


Skidoo MX Z 700, 2000 раздел - Carburetors 2

Номер на
рисунке
АртикулНаименованиеКол-во
на складе
Цена
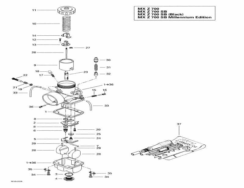
1 403138622

VM 40-128 Карбюратор. Includes 1 - 36. MX Z 700. (VM 40-128 Carburetor. Includes 1 - 36. MX Z 700.)

под заказпо запросу
403138620

VM 40-130 Карбюратор. MX Z 700 SB. MX Z 700 SB (чёрный) MX Z 700 SB Millennium Edition. (VM 40-130 Carburetor. MX Z 700 SB. MX Z 700 SB (Black). MX Z 700 SB Millennium Edition.)

под заказпо запросу
1 404104700

Прокладка. MX Z 700. MX Z 700 SB. MX Z 700 SB (чёрный) MX Z 700 SB Millennium Edition. (Gasket. MX Z 700. MX Z 700 SB. MX Z 700 SB (Black). MX Z 700 SB Millennium Edition.)

под заказ1170 руб.
2 404112700

Baffle. MX Z 700. MX Z 700 SB. MX Z 700 SB (чёрный) MX Z 700 SB Millennium Edition. (Baffle. MX Z 700. MX Z 700 SB. MX Z 700 SB (Black). MX Z 700 SB Millennium Edition.)

под заказ1030 руб.
3 404112800

Шайба. MX Z 700. MX Z 700 SB. MX Z 700 SB (чёрный) MX Z 700 SB Millennium Edition. (Washer. MX Z 700. MX Z 700 SB. MX Z 700 SB (Black). MX Z 700 SB Millennium Edition.)

под заказ222 руб.
4 404112900

Drain Заглушка винта. MX Z 700. MX Z 700 SB. MX Z 700 SB (чёрный) MX Z 700 SB Millennium Edition. (Drain Plug Screw. MX Z 700. MX Z 700 SB. MX Z 700 SB (Black). MX Z 700 SB Millennium Edition.)

под заказ952 руб.
5 404161823

Поплавок Рычаг. MX Z 700. MX Z 700 SB. MX Z 700 SB (чёрный) MX Z 700 SB Millennium Edition. (Float Lever. MX Z 700. MX Z 700 SB. MX Z 700 SB (Black). MX Z 700 SB Millennium Edition.)

под заказ1270 руб.
6 404147400

Игольчатый клапан 1.5. MX Z 700. MX Z 700 SB. MX Z 700 SB (чёрный) MX Z 700 SB Millennium Edition. (Needle Valve 1.5. MX Z 700. MX Z 700 SB. MX Z 700 SB (Black). MX Z 700 SB Millennium Edition.)

под заказ4640 руб.
6 861751

VALVE SEAT

под заказ3130 руб.
7 404103300

Рычаг Штифт. MX Z 700. MX Z 700 SB. MX Z 700 SB (чёрный) MX Z 700 SB Millennium Edition. (Lever Pin. MX Z 700. MX Z 700 SB. MX Z 700 SB (Black). MX Z 700 SB Millennium Edition.)

под заказ428 руб.
8 404101600

Седло Шайба. MX Z 700. MX Z 700 SB. MX Z 700 SB (чёрный) MX Z 700 SB Millennium Edition. (Seat Washer. MX Z 700. MX Z 700 SB. MX Z 700 SB (Black). MX Z 700 SB Millennium Edition.)

под заказ237 руб.
9 404132300

Поршень Клапан CA 2.5. MX Z 700. MX Z 700 SB. MX Z 700 SB (чёрный) MX Z 700 SB Millennium Edition. (Piston Valve CA 2.5. MX Z 700. MX Z 700 SB. MX Z 700 SB (Black). MX Z 700 SB Millennium Edition.)

под заказ13990 руб.
9 404161300

TIROIR ACC.2.5 *PISTON-VAL.2.5

под заказ12840 руб.
10404156500

Пружина. MX Z 700. MX Z 700 SB. MX Z 700 SB (чёрный) MX Z 700 SB Millennium Edition. (Spring. MX Z 700. MX Z 700 SB. MX Z 700 SB (Black). MX Z 700 SB Millennium Edition.)

под заказпо запросу
11404126800

Крышка. MX Z 700. MX Z 700 SB. MX Z 700 SB (чёрный) MX Z 700 SB Millennium Edition. (Cover. MX Z 700. MX Z 700 SB. MX Z 700 SB (Black). MX Z 700 SB Millennium Edition.)

под заказпо запросу
12404121300

Винт with Шайба. MX Z 700. MX Z 700 SB. MX Z 700 SB (чёрный) MX Z 700 SB Millennium Edition. (Screw with Washer. MX Z 700. MX Z 700 SB. MX Z 700 SB (Black). MX Z 700 SB Millennium Edition.)

под заказ428 руб.
12404128200

SCREW-WITH LOCK WASHER

под заказ340 руб.
13404160800

Коннектор. MX Z 700. MX Z 700 SB. MX Z 700 SB (чёрный) MX Z 700 SB Millennium Edition. (Connector. MX Z 700. MX Z 700 SB. MX Z 700 SB (Black). MX Z 700 SB Millennium Edition.)

под заказ1210 руб.
13404128000

RACCORD *FITTING

под заказ950 руб.
14404128100

Крышка. MX Z 700. MX Z 700 SB. MX Z 700 SB (чёрный) MX Z 700 SB Millennium Edition. (Cover. MX Z 700. MX Z 700 SB. MX Z 700 SB (Black). MX Z 700 SB Millennium Edition.)

под заказпо запросу
15404139800

Пружина (Air Винт) MX Z 700. MX Z 700 SB. MX Z 700 SB (чёрный) MX Z 700 SB Millennium Edition. (Spring (Air Screw). MX Z 700. MX Z 700 SB. MX Z 700 SB (Black). MX Z 700 SB Millennium Edition.)

под заказ588 руб.
16404149000

Air Винт. MX Z 700. MX Z 700 SB. MX Z 700 SB (чёрный) MX Z 700 SB Millennium Edition. (Air Screw. MX Z 700. MX Z 700 SB. MX Z 700 SB (Black). MX Z 700 SB Millennium Edition.)

под заказ2320 руб.
17404153400

Ниппель. MX Z 700. MX Z 700 SB. MX Z 700 SB (чёрный) MX Z 700 SB Millennium Edition. (Nipple. MX Z 700. MX Z 700 SB. MX Z 700 SB (Black). MX Z 700 SB Millennium Edition.)

под заказ859 руб.
17404159100

RACCORD *NIPPLE

под заказ680 руб.
18404154900

Колпачок. MX Z 700. MX Z 700 SB. MX Z 700 SB (чёрный) MX Z 700 SB Millennium Edition. (Cap. MX Z 700. MX Z 700 SB. MX Z 700 SB (Black). MX Z 700 SB Millennium Edition.)

под заказ1150 руб.
19270500018

Шайба. MX Z 700. MX Z 700 SB. MX Z 700 SB (чёрный) MX Z 700 SB Millennium Edition. (Washer. MX Z 700. MX Z 700 SB. MX Z 700 SB (Black). MX Z 700 SB Millennium Edition.)

под заказ159 руб.
20404190400

Pilot Jet PJ 45. MX Z 700. MX Z 700 SB. MX Z 700 SB (чёрный) MX Z 700 SB Millennium Edition. (Pilot Jet PJ 45. MX Z 700. MX Z 700 SB. MX Z 700 SB (Black). MX Z 700 SB Millennium Edition.)

под заказпо запросу
21404101700

Пружина (Adjustment Винт) MX Z 700. MX Z 700 SB. MX Z 700 SB (чёрный) MX Z 700 SB Millennium Edition. (Spring (Adjustment Screw). MX Z 700. MX Z 700 SB. MX Z 700 SB (Black). MX Z 700 SB Millennium Edition.)

под заказ295 руб.
21420938940

SPRING

под заказ240 руб.
22404125200

Дроссель Adjustment Винт. MX Z 700. (Throttle Adjustment Screw. MX Z 700.)

под заказ1060 руб.
404151900

Дроссель Adjustment Винт. MX Z 700 SB. MX Z 700 SB (чёрный) MX Z 700 SB Millennium Edition. (Throttle Adjustment Screw. MX Z 700 SB. MX Z 700 SB (Black). MX Z 700 SB Millennium Edition.)

под заказ834 руб.
23404161875

Игла распылителя 224-Z-7. MX Z 700. MX Z 700 SB. MX Z 700 SB (чёрный) MX Z 700 SB Millennium Edition. (Needle Jet 224-Z-7. MX Z 700. MX Z 700 SB. MX Z 700 SB (Black). MX Z 700 SB Millennium Edition.)

под заказпо запросу
24404100500

Главный жиклёр MJ 280. MX Z 700. MX Z 700 SB. MX Z 700 SB (чёрный) MX Z 700 SB Millennium Edition. (Main Jet MJ 280. MX Z 700. MX Z 700 SB. MX Z 700 SB (Black). MX Z 700 SB Millennium Edition.)

под заказ588 руб.
24963881

MAIN JET 280 (USE 404100500)

под заказ370 руб.
25404116700

Шайба. MX Z 700. MX Z 700 SB. MX Z 700 SB (чёрный) MX Z 700 SB Millennium Edition. (Washer. MX Z 700. MX Z 700 SB. MX Z 700 SB (Black). MX Z 700 SB Millennium Edition.)

под заказ1670 руб.
26404161840

иголка J8-7DHY06. MX Z 700. MX Z 700 SB. MX Z 700 SB (чёрный) MX Z 700 SB Millennium Edition. (Needle J8-7DHY06. MX Z 700. MX Z 700 SB. MX Z 700 SB (Black). MX Z 700 SB Millennium Edition.)

под заказ2460 руб.
27404152200

Уплотнительное кольцо. MX Z 700. MX Z 700 SB. MX Z 700 SB (чёрный) MX Z 700 SB Millennium Edition. (E-Ring. MX Z 700. MX Z 700 SB. MX Z 700 SB (Black). MX Z 700 SB Millennium Edition.)

под заказ428 руб.
28404105400

Поплавок. MX Z 700. MX Z 700 SB. MX Z 700 SB (чёрный) MX Z 700 SB Millennium Edition. (Float. MX Z 700. MX Z 700 SB. MX Z 700 SB (Black). MX Z 700 SB Millennium Edition.)

под заказ2180 руб.
28404120300

FLOTTE *FLOAT

под заказ1700 руб.
29404105800

Колпачок. MX Z 700. MX Z 700 SB. MX Z 700 SB (чёрный) MX Z 700 SB Millennium Edition. (Cap. MX Z 700. MX Z 700 SB. MX Z 700 SB (Black). MX Z 700 SB Millennium Edition.)

под заказ481 руб.
29420960990

FOAT FIXATION CAP

под заказпо запросу
29SM-07243

     (не оригинальная запчасть) Поплавок карбюратора BRP SM-07243

под заказ830 руб.
30404161100

Направляющая Держатель. MX Z 700. MX Z 700 SB. MX Z 700 SB (чёрный) MX Z 700 SB Millennium Edition. (Guide Holder. MX Z 700. MX Z 700 SB. MX Z 700 SB (Black). MX Z 700 SB Millennium Edition.)

под заказ2620 руб.
31404161844

Пружина. MX Z 700. MX Z 700 SB. MX Z 700 SB (чёрный) MX Z 700 SB Millennium Edition. (Spring. MX Z 700. MX Z 700 SB. MX Z 700 SB (Black). MX Z 700 SB Millennium Edition.)

под заказ546 руб.
32404161845

Плунжер в сборе. MX Z 700. MX Z 700 SB. MX Z 700 SB (чёрный) MX Z 700 SB Millennium Edition. (Plunger Assy. MX Z 700. MX Z 700 SB. MX Z 700 SB (Black). MX Z 700 SB Millennium Edition.)

под заказ1780 руб.
33404161880

Шланг. MX Z 700. MX Z 700 SB. MX Z 700 SB (чёрный) MX Z 700 SB Millennium Edition. (Hose. MX Z 700. MX Z 700 SB. MX Z 700 SB (Black). MX Z 700 SB Millennium Edition.)

под заказ4340 руб.
33404161814

DURITE *HOSE

под заказ3390 руб.
34404102000

Винт with Шайба с блокировкой. MX Z 700. MX Z 700 SB. MX Z 700 SB (чёрный) MX Z 700 SB Millennium Edition. (Screw with Lock Washer. MX Z 700. MX Z 700 SB. MX Z 700 SB (Black). MX Z 700 SB Millennium Edition.)

под заказ237 руб.
35404103000

Пластина. MX Z 700. (Plate. MX Z 700.)

под заказ792 руб.
36404131700

Заглушка винта. MX Z 700 SB. MX Z 700 SB (чёрный) MX Z 700 SB Millennium Edition. (Plug Screw. MX Z 700 SB. MX Z 700 SB (Black). MX Z 700 SB Millennium Edition.)

под заказ589 руб.
37404112000

Набор инструмента. MX Z 700. MX Z 700 SB. MX Z 700 SB (чёрный) MX Z 700 SB Millennium Edition. (Tool Kit. MX Z 700. MX Z 700 SB. MX Z 700 SB (Black). MX Z 700 SB Millennium Edition.)

под заказ7330 руб.
37876960

SPECIAL TOOL KIT

под заказ5730 руб.
ski-doo

Время выполнения запроса 1.8190710544586 сек.


 
 

данный сайт носит информационный характер и не является публичной офертой

склад запчастей для водомоторной техники