вконтакте

Контактный телефон: +7 (981) 121-46-93, +7 (800) 200-90-76 , Email: parts-katalog@yandex.ru, где купить

 
 

  Логин:

Пароль:

Регистрация

www.partskatalog.ru Все каталоги Запчасти Mercury Запчасти Suzuki Запчасти Tohatsu Запчасти Honda Контакты



УВАЖАЕМЫЕ КЛИЕНТЫ!
C 19 ДЕКАБРЯ 2025 ПО 02 МАРТА 2026 ГОДА ОТДЕЛ ЗАПЧАСТЕЙ И СЕРВИС РАБОТАТЬ НЕ БУДУТ
ПРОДАЖА ЛОДОЧНЫХ МОТОРОВ В ШТАТНОМ РЕЖИМЕ
ОБ ИЗМЕНЕНИЯХ В ГРАФИКЕ РАБОТЫ ЧИТАЙТЕ НА САЙТА




Выбрать другую модель

назад Раздел:   вперёд

вернуться к списку узлов и деталей

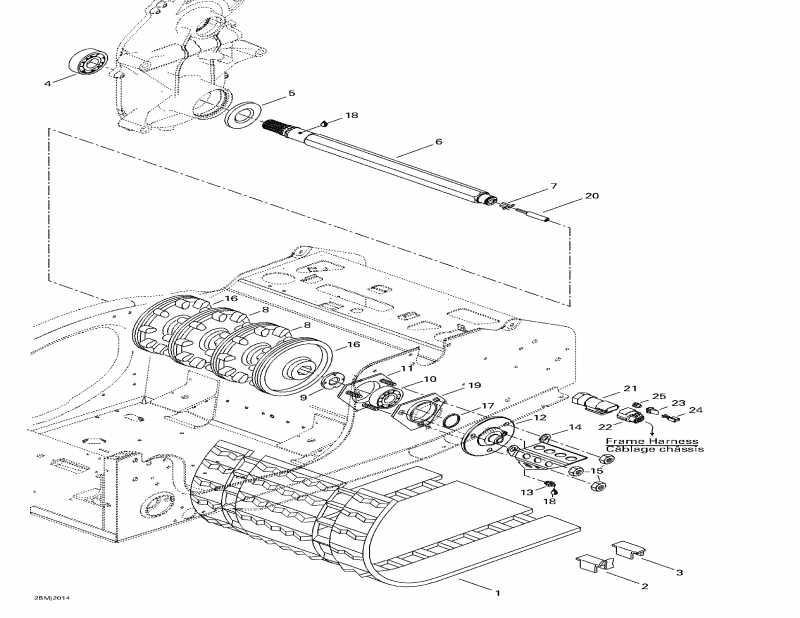
ДЕТАЛИРОВКА ДЛЯ МОДЕЛИ: SKIDOO Grand Touring SE Millennium Edition, 2000

Раздел: Drive Axle и Track | Drive Axle And Track


снегоход  модификация Grand Touring SE Millennium Edition, 2000 - Drive Axle And Track

Номер на
рисунке
АртикулНаименованиеКол-во
на складе
Цена
1 504151804

Track в сборе. Includes 1 - 3. (Track Assy. Includes 1 - 3.)

под заказ64700 руб.
1 504152455

CHENILLE *TRACK-ASSY 15"X136"X0.88"

под заказ62200 руб.
2 500003400

Направляющая Cleat (Guide Cleat)

под заказ135 руб.
2 415129528

GUIDE *CLIP

под заказ230 руб.
3 504151828

Cleat (Cleat)

под заказ260 руб.
3 504152652

AGRAFE *CLEAT-FLAT

под заказ290 руб.
4 405403900

Шариковый подшипник 6206 (Ball Bearing 6206)

под заказ1780 руб.
4 504152010

ROULEMENT BILLE*BEARING-BALL

под заказ1930 руб.
5 504151925

Сальник (Oil Seal)

под заказ1120 руб.
5 581056500

ANNEAU ETAN.ASS*SEAL-OIL ASSY.

под заказ740 руб.
6 501026500

Drive Axle (Drive Axle)

под заказпо запросу
7 572010100

Спидометр Drive Insert (Speedometer Drive Insert)

под заказ234 руб.
8 414663900

9-Tooth Цепное колесо ЗВЕЗДОЧКА (9-Tooth Sprocket)

под заказ3660 руб.
9 501017400

Шариковый подшипник Защита (Ball Bearing Protector)

под заказ670 руб.
10405408600

Шариковый подшипник (Ball Bearing)

под заказ2570 руб.
10293350060

ROULEMENT BILLE*BALL BEARING

под заказ3000 руб.
10SM-03163

     (не оригинальная запчасть) Комплект подшипников КПП BRP SM-03163

под заказ2 330 руб.
11504151860

Подшипник Корпус (Bearing Housing)

под заказ901 руб.
11501026800

LOGEMENT ROUL. *HOUSING-BEAR.W

под заказ830 руб.
12504151836

Фланец (Speedo Drive Insert) (Flange (Speedo Drive Insert))

под заказ430 руб.
12572094000

FLASQUE IND.VIT*FLANGE-SPEED.

под заказ400 руб.
13408200700

Смазочный фиттинг (Grease Fitting)

под заказ311 руб.
14517290100

Кабели Защита (Cable Protector)

под заказ428 руб.
15232581414

Эластичная гайка со стопором M8 (Elastic Stop Nut M8)

под заказ136 руб.
15420942030

NUT-LOCK M8

под заказ110 руб.
16414990800

9-Tooth Half Цепное колесо ЗВЕЗДОЧКА (9-Tooth Half Sprocket)

под заказпо запросу
17371910200

Стопорное кольцо (Circlip)

под заказ157 руб.
18219700417

Synthetic Смазка, 400g (Synthetic Grease, 400g)

под заказ7860 руб.
18293550033

SYNTHETIC GREASE 10X14OZ (1шт=1кор=10 туб)

под заказ10050 руб.
19501025000

Фланец (Flange)

под заказ383 руб.
20572098200

Гаечный ключ (Wrench)

под заказ146 руб.
21415049800

Speed Датчик (Speed Sensor)

под заказпо запросу
22409004900

Коннектор (Connector)

под заказ1490 руб.
23409005300

Блокирущая пластина (Lock Plate)

под заказпо запросу
24409004800

Female Клемма (Female Terminal)

под заказ795 руб.
25409005400

Резиновый колпачок (Rubber Cap)

под заказ300 руб.
ski-doo

Время выполнения запроса 1.8621380329132 сек.


 
 

данный сайт носит информационный характер и не является публичной офертой

склад запчастей для водомоторной техники