вконтакте

Контактный телефон: +7 (981) 121-46-93, +7 (800) 200-90-76 , Email: parts-katalog@yandex.ru, где купить

 
 

  Логин:

Пароль:

Регистрация

www.partskatalog.ru Все каталоги Запчасти Mercury Запчасти Suzuki Запчасти Tohatsu Запчасти Honda Контакты



УВАЖАЕМЫЕ КЛИЕНТЫ!
C 19 ДЕКАБРЯ 2025 ПО 02 МАРТА 2026 ГОДА ОТДЕЛ ЗАПЧАСТЕЙ И СЕРВИС РАБОТАТЬ НЕ БУДУТ
ПРОДАЖА ЛОДОЧНЫХ МОТОРОВ В ШТАТНОМ РЕЖИМЕ
ОБ ИЗМЕНЕНИЯХ В ГРАФИКЕ РАБОТЫ ЧИТАЙТЕ НА САЙТА




Выбрать другую модель

назад Раздел:   вперёд

вернуться к списку узлов и деталей

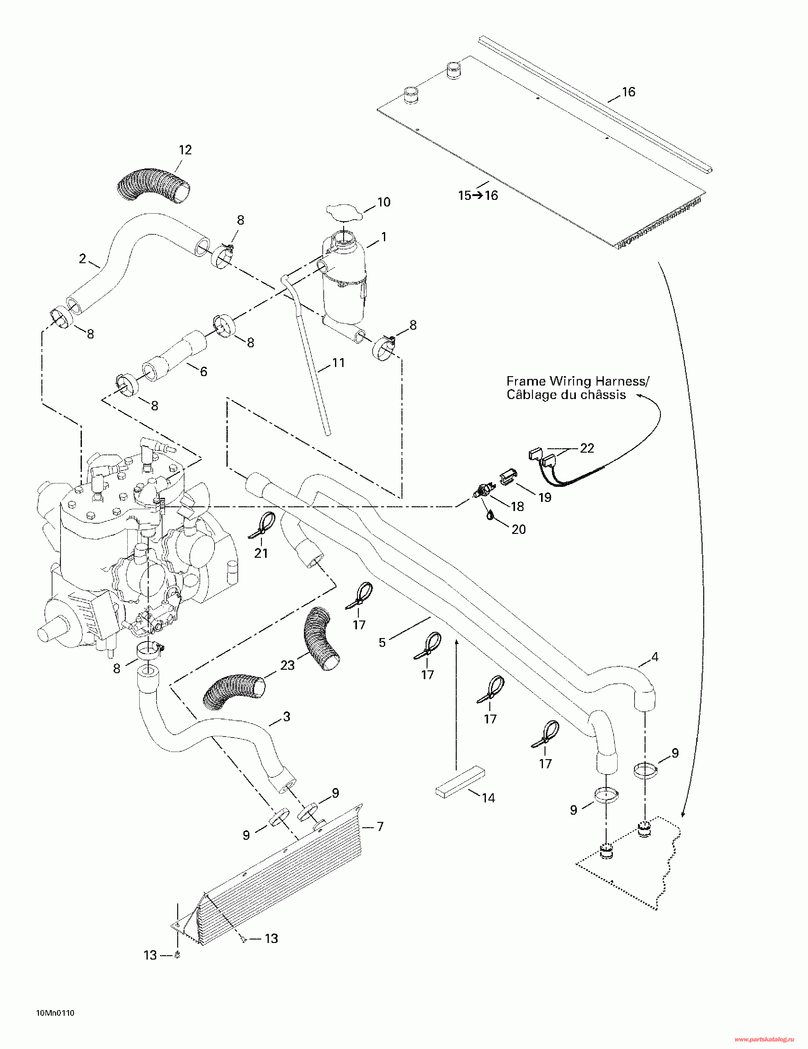
ДЕТАЛИРОВКА ДЛЯ МОДЕЛИ: SKIDOO MX Z 500/600/700, 2001

Раздел: Охлаждение System | Cooling System


снегоход Skidoo MX Z 500/600/700, 2001 - Cooling System

Номер на
рисунке
АртикулНаименованиеКол-во
на складе
Цена
1 509000134

Tank Coolant (Tank Coolant)

под заказ6280 руб.
1 509000133

RES.ANTIGEL *TANK-COOLANT

под заказ3950 руб.
2 509000001

Двигатель вход Шланг (Engine Inlet Hose)

под заказ1900 руб.
2 509000135

BOYAU ENTRE MOT*HOSE-INLET ENG

под заказ2430 руб.
3 509000046

Двигатель выход Шланг (Engine Outlet Hose)

под заказ3220 руб.
4 509000003

Radiator вход Шланг (Radiator Inlet Hose)

под заказ6020 руб.
5 509000004

Radiator выход Шланг (Radiator Outlet Hose)

под заказпо запросу
6 509000112

Deviation Шланг (Deviation Hose)

под заказпо запросу
6 509000005

BOYAU *HOSE

под заказпо запросу
7 517297100

Front Radiator (Front Radiator)

под заказпо запросу
8 408800400

Tridon Шестерня Струбцина (Tridon Gear Clamp)

под заказ1150 руб.
8 740002006

COLLIER SERRAGE*CLAMP-GEAR

под заказ900 руб.
9 509000045

Oetiker Шестерня Струбцина (Oetiker Gear Clamp)

под заказ715 руб.
10414684700

Pressure Колпачок (Pressure Cap)

под заказ1680 руб.
10509000187

BOUCHON RADIAT.*PRESSURE CAP

под заказ2150 руб.
10SM-10005

     (не оригинальная запчасть) Крышка расширительного бачка BRP/Polaris SM-10005

под заказ890 руб.
11415110000

Polyurethane Шланг 5.2 mm (Polyurethane Hose 5.2 mm)

под заказ276 руб.
11709000017

BOYAU VENTIL. *HOSE-VENT

под заказ220 руб.
12415084700

Protective Shield (Protective Shield)

под заказ292 руб.
12414991800

GAINE PROTECTR.*SHIELD-PROTEC.

под заказ230 руб.
13390402200

Pop Заклёпка 3 / 16 (Pop Rivet 3/16)

под заказ138 руб.
14293200003

Сальник (Seal)

под заказ715 руб.
14415129559

JOINT ETANCHE *GASKET

под заказпо запросу
15517296300

Rear Radiator. Includes 15 - 16. (Rear Radiator. Includes 15 - 16.)

под заказпо запросу
16518321655

Radiator Защита (Radiator Protector)

под заказ1300 руб.
16415012300

PROTECTEUR RAD.*PROTECTOR-RAD.

под заказ1660 руб.
16917-51-80

     (не оригинальная запчасть) Защита радиатора BRP 917-51-80

под заказ1 060 руб.
17293750008

Tie Rap 350 mm (Tie Rap 350 mm)

под заказ138 руб.
17748001001

TIE RAP 350MM *TIE RAP 350MM

под заказ110 руб.
18512047000

температура Датчик (Temperature Sensor)

под заказ3640 руб.
19515175297

Коннектор Заглушка (Connector Plug)

под заказ856 руб.
20293800018

Loctite 592, Трубка Сальникant, 50 ml (Loctite 592, Pipe Sealant, 50 ml)

под заказ2800 руб.
20413702300

ENDUIT ETANCHE *SEALANT-TEFLON

под заказ2360 руб.
21293750002

Tie Rap 130 mm (Tie Rap 130 mm)

под заказ130 руб.
22409010300

Female Клемма (Female Terminal)

под заказ428 руб.
23409902200

Трубопровод. MX-Z 700. (Tubing. MX-Z 700.)

под заказ1150 руб.
23415116600

GAINE *PROTECTOR TUBE

под заказ900 руб.
ski-doo

Время выполнения запроса 1.465539932251 сек.


 
 

данный сайт носит информационный характер и не является публичной офертой

склад запчастей для водомоторной техники