вконтакте

Контактный телефон: +7 (981) 121-46-93, +7 (800) 200-90-76 , Email: parts-katalog@yandex.ru, где купить

 
 

  Логин:

Пароль:

Регистрация

www.partskatalog.ru Все каталоги Запчасти Mercury Запчасти Suzuki Запчасти Tohatsu Запчасти Honda Контакты


Выбрать другую модель

назад Раздел:   вперёд

вернуться к списку узлов и деталей

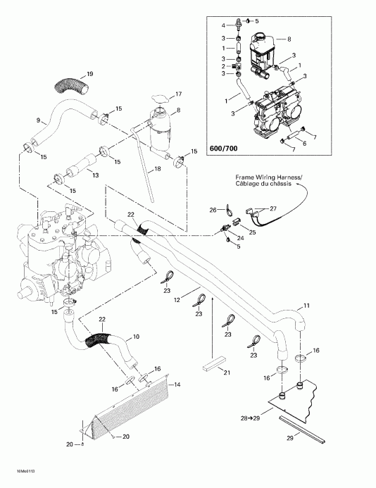
ДЕТАЛИРОВКА ДЛЯ МОДЕЛИ: SKIDOO Grand Touring 500/600/700, 2001

Раздел: Охлаждение System | Cooling System


снегоход Ski-doo Grand Touring 500/600/700, 2001 раздел - Cooling System

Номер на
рисунке
АртикулНаименованиеКол-во
на складе
Цена
1 509000093

Шланг 8 mm. Grand TouКольцо 600. Grand TouКольцо 700. (Hose 8 mm. Grand Touring 600. Grand Touring 700.)

под заказпо запросу
2 512059324

Клапан 5 / 16". Grand TouКольцо 600. Grand TouКольцо 700. (Valve 5/16". Grand Touring 600. Grand Touring 700.)

под заказ3280 руб.
3 414655700

Пружина Струбцина. Grand TouКольцо 600. Grand TouКольцо 700. (Spring Clamp. Grand Touring 600. Grand Touring 700.)

под заказ138 руб.
3 27414655700

SPRING CLAMP

под заказ110 руб.
4 293710082

Straight Fitting. Grand TouКольцо 600. Grand TouКольцо 700. (Straight Fitting. Grand Touring 600. Grand Touring 700.)

под заказ715 руб.
5 293800018

Loctite 592, Трубка Сальникant, 50 ml (Loctite 592, Pipe Sealant, 50 ml)

под заказ2800 руб.
5 413702300

ENDUIT ETANCHE *SEALANT-TEFLON

под заказ2360 руб.
6 404161956

Шланг. Grand TouКольцо 600. Grand TouКольцо 700. (Hose. Grand Touring 600. Grand Touring 700.)

под заказ1400 руб.
7 404161957

Зажим. Grand TouКольцо 600. Grand TouКольцо 700. (Clip. Grand Touring 600. Grand Touring 700.)

под заказ1170 руб.
8 509000114

Tank-Coolant. Grand TouКольцо 500. (Tank-Coolant. Grand Touring 500.)

под заказ3950 руб.
8 509000134

RES.ANTIGEL *TANK-COOLANT

под заказ6280 руб.
509000115

Tank-Coolant. Grand TouКольцо 600. Grand TouКольцо 700. (Tank-Coolant. Grand Touring 600. Grand Touring 700.)

под заказ3950 руб.
509000134

RES.ANTIGEL *TANK-COOLANT

под заказ6280 руб.
9 509000001

Двигатель вход Шланг (Engine Inlet Hose)

под заказ1900 руб.
9 509000135

BOYAU ENTRE MOT*HOSE-INLET ENG

под заказ2430 руб.
10509000046

Двигатель выход Шланг (Engine Outlet Hose)

под заказ3220 руб.
11509000003

Radiator вход Шланг (Radiator Inlet Hose)

под заказ6020 руб.
12509000004

Radiator выход Шланг (Radiator Outlet Hose)

под заказпо запросу
13509000112

Deviation Шланг (Deviation Hose)

под заказпо запросу
13509000005

BOYAU *HOSE

под заказпо запросу
14517297100

Front Radiator (Front Radiator)

под заказпо запросу
15408800400

Tridon Шестерня Струбцина (Tridon Gear Clamp)

под заказ1150 руб.
15740002006

COLLIER SERRAGE*CLAMP-GEAR

под заказ900 руб.
16509000045

Oetiker Шестерня Струбцина (Oetiker Gear Clamp)

под заказ715 руб.
17414684700

Pressure Колпачок (Pressure Cap)

под заказ1680 руб.
17509000187

BOUCHON RADIAT.*PRESSURE CAP

под заказ2150 руб.
17SM-10005

     (не оригинальная запчасть) Крышка расширительного бачка BRP/Polaris SM-10005

под заказ890 руб.
18415110000

Polyurethane Шланг 5.2 mm (Polyurethane Hose 5.2 mm)

под заказ276 руб.
18709000017

BOYAU VENTIL. *HOSE-VENT

под заказ220 руб.
19415084700

Protective Shield (Protective Shield)

под заказ292 руб.
19414991800

GAINE PROTECTR.*SHIELD-PROTEC.

под заказ230 руб.
20390402200

Pop Заклёпка 3 / 16 (Pop Rivet 3/16)

под заказ138 руб.
21293200003

Сальник (Seal)

под заказ715 руб.
21415129559

JOINT ETANCHE *GASKET

под заказпо запросу
22409902200

Трубопровод 25 mm. Grand TouКольцо 700. (Tubing 25 mm. Grand Touring 700.)

под заказ1150 руб.
22415116600

GAINE *PROTECTOR TUBE

под заказ900 руб.
23293750008

Tie Rap 350 mm (Tie Rap 350 mm)

под заказ138 руб.
23748001001

TIE RAP 350MM *TIE RAP 350MM

под заказ110 руб.
24512047000

температура Датчик. Grand TouКольцо 500. Grand TouКольцо 600. (Temperature Sensor. Grand Touring 500. Grand Touring 600.)

под заказ3640 руб.
414728700

температура Датчик. Grand TouКольцо 700. (Temperature Sensor. Grand Touring 700.)

под заказ3470 руб.
357287

SENDER 414728700 BBD

под заказ3180 руб.
25515175297

Коннектор Заглушка (Connector Plug)

под заказ856 руб.
26293750002

Tie Rap 130 mm (Tie Rap 130 mm)

под заказ130 руб.
27409010300

Female Клемма (Female Terminal)

под заказ428 руб.
28517296310

Rear Radiator. Includes 28 - 29. (Rear Radiator. Includes 28 - 29.)

под заказ41600 руб.
28518322905

RAD.-REAR WELD.

под заказ45400 руб.
29518321656

Radiator Защита (Radiator Protector)

под заказпо запросу
29917-51-80

     (не оригинальная запчасть) Защита радиатора BRP 917-51-80

под заказ1 060 руб.
ski-doo

Время выполнения запроса 1.385801076889 сек.


 
 

данный сайт носит информационный характер и не является публичной офертой

склад запчастей для водомоторной техники