вконтакте

Контактный телефон: +7 (981) 121-46-93, +7 (800) 200-90-76 , Email: parts-katalog@yandex.ru, где купить

 
 

  Логин:

Пароль:

Регистрация

www.partskatalog.ru Все каталоги Запчасти Mercury Запчасти Suzuki Запчасти Tohatsu Запчасти Honda Контакты



УВАЖАЕМЫЕ КЛИЕНТЫ!
C 19 ДЕКАБРЯ 2025 ПО 02 МАРТА 2026 ГОДА ОТДЕЛ ЗАПЧАСТЕЙ И СЕРВИС РАБОТАТЬ НЕ БУДУТ
ПРОДАЖА ЛОДОЧНЫХ МОТОРОВ В ШТАТНОМ РЕЖИМЕ
ОБ ИЗМЕНЕНИЯХ В ГРАФИКЕ РАБОТЫ ЧИТАЙТЕ НА САЙТА




Выбрать другую модель

назад Раздел:   вперёд

вернуться к списку узлов и деталей

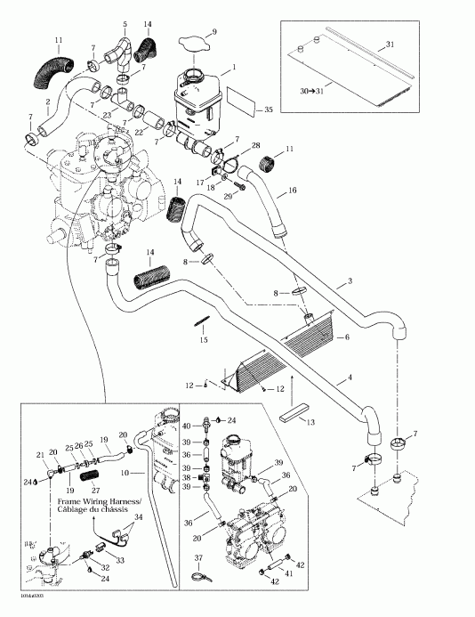
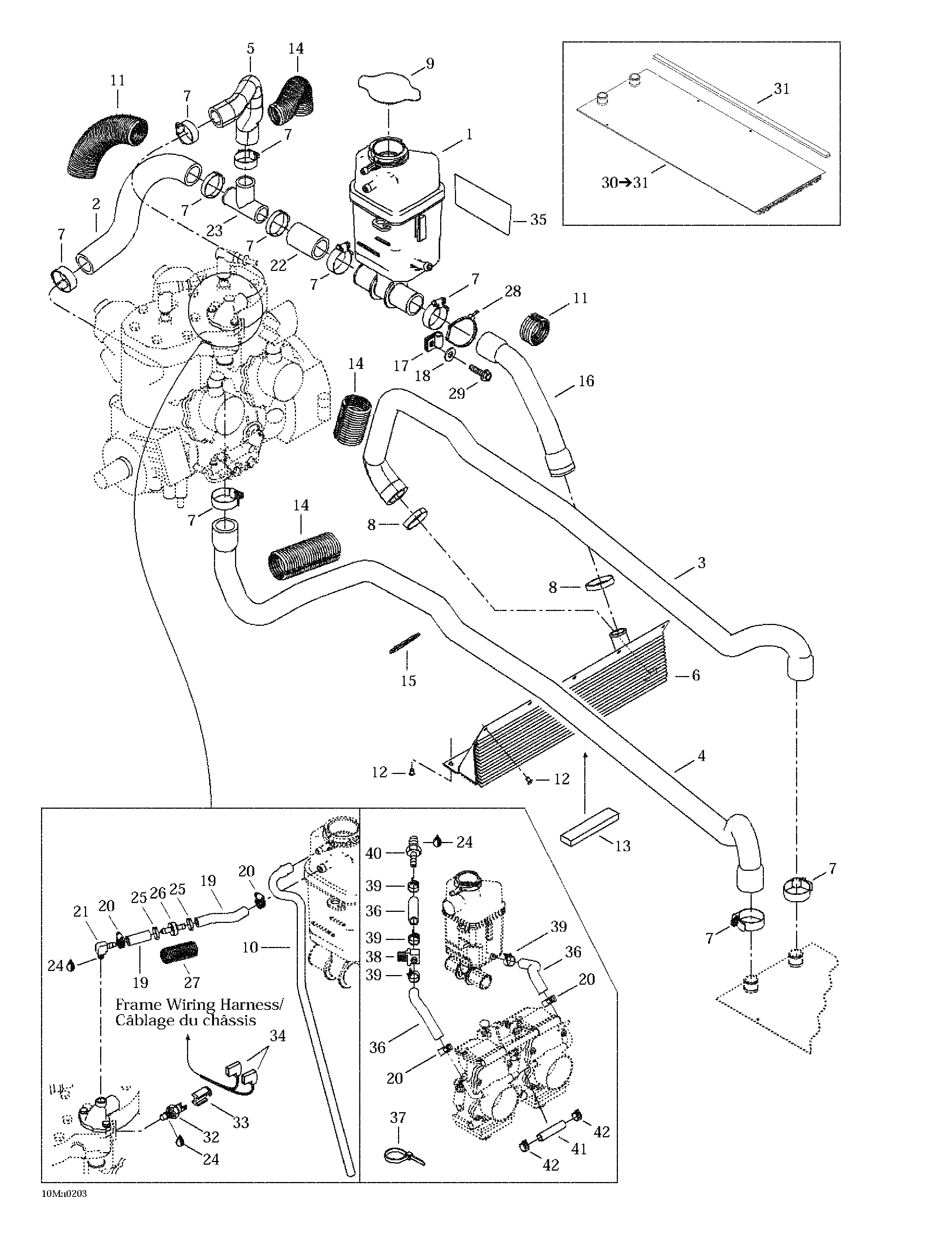
ДЕТАЛИРОВКА ДЛЯ МОДЕЛИ: SKIDOO Summit 600/700/800, 2002

Раздел: Охлаждение System | Cooling System


снегоход BRP SkiDoo - Cooling System

Номер на
рисунке
АртикулНаименованиеКол-во
на складе
Цена
1 509000167

Tank Coolant (Tank Coolant)

под заказ6500 руб.
1 509000140

RES.ANTIGEL *TANK-COOLANT

под заказ4760 руб.
2 509000141

Двигатель вход Шланг (Engine Inlet Hose)

под заказпо запросу
3 509000003

Radiator вход Шланг (Radiator Inlet Hose)

под заказ6020 руб.
4 509000145

Radiator выход Шланг (Radiator Outlet Hose)

под заказпо запросу
5 509000142

Шланг (Hose)

под заказ1230 руб.
6 509000150

Front Radiator (Front Radiator)

под заказпо запросу
7 408800400

Tridon Струбцина (Tridon Clamp)

под заказ1150 руб.
7 740002006

COLLIER SERRAGE*CLAMP-GEAR

под заказ900 руб.
8 509000045

Oetiker Струбцина (Oetiker Clamp)

под заказ715 руб.
9 414684700

Pressure Колпачок (Pressure Cap)

под заказ1680 руб.
9 509000187

BOUCHON RADIAT.*PRESSURE CAP

под заказ2150 руб.
9 SM-10005

     (не оригинальная запчасть) Крышка расширительного бачка BRP/Polaris SM-10005

под заказ890 руб.
10415110000

Polyurethane Шланг 5.2 mm (Polyurethane Hose 5.2 mm)

под заказ276 руб.
10709000017

BOYAU VENTIL. *HOSE-VENT

под заказ220 руб.
11415084700

Protective Shield (Protective Shield)

под заказ292 руб.
11414991800

GAINE PROTECTR.*SHIELD-PROTEC.

под заказ230 руб.
12390402200

Pop Заклёпка 3 / 16" (Pop Rivet 3/16")

под заказ138 руб.
13293200003

Сальник (Seal)

под заказ715 руб.
13415129559

JOINT ETANCHE *GASKET

под заказпо запросу
14409902200

Трубопровод (Tubing)

под заказ1150 руб.
14415116600

GAINE *PROTECTOR TUBE

под заказ900 руб.
15293750008

Tie Rap 350 mm (Tie Rap 350 mm)

под заказ138 руб.
15748001001

TIE RAP 350MM *TIE RAP 350MM

под заказ110 руб.
16509000144

Radiator выход Шланг (Radiator Outlet Hose)

под заказ1550 руб.
17415052400

Attache (Attache)

под заказ415 руб.
18391301600

Шайба (Washer)

под заказ130 руб.
19509000093

Шланг 8 mm (Hose 8 mm)

под заказпо запросу
20293650128

Tridon Струбцина (Tridon Clamp)

под заказ222 руб.
20293650170

BRIDE SERRAGE *HOSE CLAMP

под заказ290 руб.
21293700020

Elbow Fitting 90 Deg (Elbow Fitting 90 Deg)

под заказ1100 руб.
22509000143

Шланг (Hose)

под заказпо запросу
23414619900

T-Fitting (T-Fitting)

под заказпо запросу
2328414619900

T-FITTING 414619900

под заказпо запросу
24293800018

Loctite 592, Трубка Сальникant, 50 ml (Loctite 592, Pipe Sealant, 50 ml)

под заказ2800 руб.
24413702300

ENDUIT ETANCHE *SEALANT-TEFLON

под заказ2360 руб.
25293650053

Crimp Струбцина (Crimp Clamp)

под заказ284 руб.
26509000153

Обратный клапан (Check Valve)

под заказ1310 руб.
27415080000

Трубопровод 16 mm (Tubing 16 mm)

под заказ715 руб.
27513033461

PROTECTOR TUBE

под заказ560 руб.
28509000165

Tie Rap (Tie Rap)

под заказ284 руб.
29210252040

Hex. Фланецd Винт M5 (Hex. Flanged Screw M5)

под заказ284 руб.
30518322903

Rear Radiator. Includes 30 - 31. (Rear Radiator. Includes 30 - 31.)

под заказ45400 руб.
518322907

Rear Radiator (HM, HMX) Summit 800. (Rear Radiator (HM, HMX). Summit 800.)

под заказпо запросу
31518322360

Radiator Защита (Radiator Protector)

под заказ1300 руб.
31415012300

PROTECTEUR RAD.*PROTECTOR-RAD.

под заказ1660 руб.
31917-51-80

     (не оригинальная запчасть) Защита радиатора BRP 917-51-80

под заказ1 060 руб.
XXX

Radiator Защита (HM, HMX) Summit 800. (Radiator Protector (HM, HMX). Summit 800.)

32512047000

температура Датчик (Temperature Sensor)

под заказ3640 руб.
33515175297

Коннектор Заглушка (Connector Plug)

под заказ856 руб.
34409010300

Female Клемма (Female Terminal)

под заказ428 руб.
35514053399

Reflective Sheet (Reflective Sheet)

под заказ410 руб.
36509000093

Шланг 8 mm (Hose 8 mm)

под заказпо запросу
37414115200

Tie Rap (With <>) (Tie Rap (With <>))

под заказ130 руб.
37414587300

TIE RAP *TIE-RAP

под заказ110 руб.
38512059324

Клапан 5 / 16" (Valve 5/16")

под заказ3280 руб.
39414655700

Пружина Струбцина (Spring Clamp)

под заказ138 руб.
3927414655700

SPRING CLAMP

под заказ110 руб.
40293710082

Straight Fitting (Straight Fitting)

под заказ715 руб.
41404161956

Шланг (Hose)

под заказ1400 руб.
42404161957

Зажим (Clip)

под заказ1170 руб.
ski-doo

Время выполнения запроса 2.2179961204529 сек.


 
 

данный сайт носит информационный характер и не является публичной офертой

склад запчастей для водомоторной техники