вконтакте

Контактный телефон: +7 (981) 121-46-93, +7 (800) 200-90-76 , Email: parts-katalog@yandex.ru, где купить

 
 

  Логин:

Пароль:

Регистрация

www.partskatalog.ru Все каталоги Запчасти Mercury Запчасти Suzuki Запчасти Tohatsu Запчасти Honda Контакты



УВАЖАЕМЫЕ КЛИЕНТЫ!
C 19 ДЕКАБРЯ 2025 ПО 02 МАРТА 2026 ГОДА ОТДЕЛ ЗАПЧАСТЕЙ И СЕРВИС РАБОТАТЬ НЕ БУДУТ
ПРОДАЖА ЛОДОЧНЫХ МОТОРОВ В ШТАТНОМ РЕЖИМЕ
ОБ ИЗМЕНЕНИЯХ В ГРАФИКЕ РАБОТЫ ЧИТАЙТЕ НА САЙТА




Выбрать другую модель

назад Раздел:   вперёд

вернуться к списку узлов и деталей

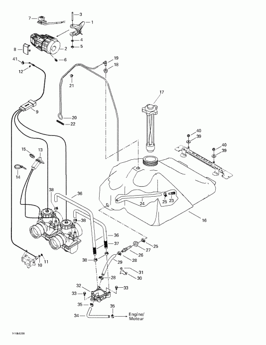
ДЕТАЛИРОВКА ДЛЯ МОДЕЛИ: SKIDOO Legend 380F/500F, 2002

Раздел: Топливная система | Fuel System


снегоход BRP SkiDoo Legend 380F/500F, 2002 раздел - Топливная система

Номер на
рисунке
АртикулНаименованиеКол-во
на складе
Цена
1 512059145

Heat Дроссель Handle (30 мм) MX Z 380 F. Legend 380 F. (Heat Throttle Handle (30 mm). MX Z 380 F. Legend 380 F.)

под заказ4330 руб.
1 512059624

HANDLE-ASSY

под заказ6430 руб.
512059144

Heat Дроссель Handle (34 мм) MX Z 500 F. Legend 500 F. (Heat Throttle Handle (34 mm). MX Z 500 F. Legend 500 F.)

под заказ2650 руб.
512060214

MANETTE ASS. *HANDLE-ASSY

под заказ4290 руб.
2 512059489

Дроссель Handle Корпус (Throttle Handle Housing)

под заказ2470 руб.
3 414438700

Рычаг Штифт (Lever Pin)

под заказ803 руб.
4 414438900

Шайба (Washer)

под заказ225 руб.
5 414439000

Стопорное кольцо (Circlip)

под заказ354 руб.
6 414440800

Установочный винт M8 x 10 (Set Screw M8 x 10)

под заказ290 руб.
6 114144408

SCREW

под заказ220 руб.
7 515175410

Kill Переключатель (Kill Switch)

под заказпо запросу
7 515177061

Kill Switch

под заказ5510 руб.
7 SM-01572

     (не оригинальная запчасть) Кнопка выключения двигателя BRP SM-01572

под заказ3 390 руб.
8 572100901

Переключатель Крышка (Switch Cover)

под заказ1050 руб.
8 572093900

COUV.INTERRUPT.*COVER-SWITCH

под заказ710 руб.
9 512059490

Тросик дросселя (Throttle Cable)

под заказ5760 руб.
9 512059625

CABLE-THROTTLE

под заказ7360 руб.
10414753300

Шайба (Washer)

под заказ81 руб.
11414753500

Стопорное кольцо (Circlip)

под заказ130 руб.
12414274500

Стопорное кольцо (Circlip)

под заказ138 руб.
13512059441

Choke Кабели (Choke Cable)

под заказ6210 руб.
14293750009

Tie Rap 160 mm (Tie Rap 160 mm)

под заказ138 руб.
15512059094

пластиковый Гайка (Plastic Nut)

под заказ436 руб.
16513032987

Топливный бак (Fuel Tank)

под заказ12840 руб.
17513032901

Топливный бак Колпачок (Fuel Tank Cap)

под заказ3590 руб.
17513033020

BOUCHON RES.ESS*CAP-FUEL TANK

под заказ2210 руб.
17SM-07092

     (не оригинальная запчасть) Крышка топливного бака BRP SM-07092

под заказ1 920 руб.
18513032908

Пыльник (Grommet)

под заказ627 руб.
19414814100

Male Коннектор (Male Connector)

под заказ300 руб.
20415080100

Primer Line (Primer Line)

под заказ186 руб.
20420256032

CONDUIT D-HUILE*LINE-OIL 560MM

под заказ150 руб.
21513032923

Трубка Струбцина (Tube Clamp)

под заказ215 руб.
22414818200

Пружина (Spring)

под заказ218 руб.
23414872100

Топливный фильтр (Fuel Filter)

под заказ1150 руб.
2307-241-02

     (не оригинальная запчасть) Фильтр топливный в бак BRP/Polaris 07-241-02

под заказ720 руб.
24415005700

Шланг (Hose)

под заказ731 руб.
24414943700

BOYAU *HOSE

под заказ550 руб.
25513033010

Пружина Струбцина (Spring Clamp)

под заказ627 руб.
26414872700

Male Коннектор (Male Connector)

под заказ133 руб.
27570273900

Пыльник (Grommet)

под заказ978 руб.
27707800347

PASSE-FILS *GROMMET

под заказ1150 руб.
27SM-07402

     (не оригинальная запчасть) Втулка топливной системы BRP SM-07402

под заказ140 руб.
28513032979

Пружина Струбцина (Spring Clamp)

под заказ428 руб.
29513032903

дляmed Шланг (Formed Hose)

под заказ2280 руб.
30415018200

Зажим (Clip)

под заказ138 руб.
31390406500

Pop Заклёпка 3 / 16" (Pop Rivet 3/16")

под заказ138 руб.
31390407300

RIVET-POP 3/16 *RIVET-POP 3/16

под заказ110 руб.
32403901809

Топливный насос (Fuel Pump)

под заказ4050 руб.
32403901813

PUMP-FUEL

под заказ5500 руб.
32SM-07358

     (не оригинальная запчасть) Топливный насос BRP SM-07358

под заказ3 000 руб.
32SM-07358A

     (не оригинальная запчасть) Ремкомплект топливного насоса (SM-07358) BRP SM-07358A

под заказ1 090 руб.
33210261680

Шестигранный винт M6 x 16 (Hex. Screw M6 x 16)

под заказ242 руб.
33732600002

SCREW-FORMING HEX.HD.FL.GM6174M

под заказ230 руб.
34415079800

Шланг (Hose)

под заказпо запросу
34414286700

BOYAU *HOSE-RUBBER

под заказпо запросу
35414415200

Пружина Струбцина (Spring Clamp)

под заказ138 руб.
36513033022

дляmed Трубка (Formed Tube)

под заказ1150 руб.
3639049

FUEL LINE 8/14.22, BLACK (BBD#513033022)

под заказ900 руб.
37415080000

Трубопровод (Tubing)

под заказ715 руб.
37513033461

PROTECTOR TUBE

под заказ560 руб.
38513033029

Пружина Струбцина (Spring Clamp)

под заказ215 руб.
39234082410

плоский Шайба 8 mm (Flat Washer 8 mm)

под заказ263 руб.
39702000064

RONDELLE *WASHER

под заказ210 руб.
40232581414

Эластичная гайка со стопором M8 (Elastic Stop Nut M8)

под заказ136 руб.
40420942030

NUT-LOCK M8

под заказ110 руб.
41293550004

Dielectric Смазка, 150 g (Dielectric Grease, 150 g)

под заказ4740 руб.
41747018002

GRAISSE *GREASE

под заказ3710 руб.
ski-doo

Время выполнения запроса 1.5645718574524 сек.


 
 

данный сайт носит информационный характер и не является публичной офертой

склад запчастей для водомоторной техники