вконтакте

Контактный телефон: +7 (981) 121-46-93, +7 (800) 200-90-76 , Email: parts-katalog@yandex.ru, где купить

 
 

  Логин:

Пароль:

Регистрация

www.partskatalog.ru Все каталоги Запчасти Mercury Запчасти Suzuki Запчасти Tohatsu Запчасти Honda Контакты



УВАЖАЕМЫЕ КЛИЕНТЫ!
C 19 ДЕКАБРЯ 2025 ПО 02 МАРТА 2026 ГОДА ОТДЕЛ ЗАПЧАСТЕЙ И СЕРВИС РАБОТАТЬ НЕ БУДУТ
ПРОДАЖА ЛОДОЧНЫХ МОТОРОВ В ШТАТНОМ РЕЖИМЕ
ОБ ИЗМЕНЕНИЯХ В ГРАФИКЕ РАБОТЫ ЧИТАЙТЕ НА САЙТА




Выбрать другую модель

назад Раздел:   вперёд

вернуться к списку узлов и деталей

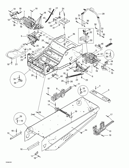
ДЕТАЛИРОВКА ДЛЯ МОДЕЛИ: SKIDOO Legend 380F/550F, 2003

Раздел: Рама и Аксессуары | Frame And Accessories


Legend 380F/550F, 2003 раздел - Frame And Accessories

Номер на
рисунке
АртикулНаименованиеКол-во
на складе
Цена
1 415128550

Рама. Includes 1 - 28. (Frame. Includes 1 - 28.)

под заказ118200 руб.
2 518323023

дляming Рама. Includes 2 - 4. (Forming Frame. Includes 2 - 4.)

под заказ59000 руб.
3 518321303

Rear Колпачок (Rear Cap)

под заказ4130 руб.
4 390402200

Pop Заклёпка 3 / 16" (Pop Rivet 3/16")

под заказ138 руб.
5 518320506

R.H. Footrest Sвышеport (R.H. Footrest Support)

под заказ9040 руб.
5 518320503

SUP.REP.PI.DR. *SUP.-FOOT.RH

под заказ8300 руб.
6 518320507

L.H. Footrest Sвышеport (L.H. Footrest Support)

под заказ10610 руб.
6 518320502

SUP.REP.PI.GA. *SUP.-FOOT.LH

под заказ8300 руб.
7 518323563

R.H. Footrest (R.H. Footrest)

под заказ4830 руб.
7 518323257

FOOTREST-RH

под заказ4430 руб.
8 518323564

L.H. Footrest (L.H. Footrest)

под заказ5950 руб.
8 518323258

FOOTREST-LH

под заказ4650 руб.
9 518319742

R.H. Slide Кронштейн (R.H. Slide Bracket)

под заказ4130 руб.
10518319743

L.H. Slide Кронштейн (L.H. Slide Bracket)

под заказ3930 руб.
11518321321

Reinдляcement Пластина (Reinforcement Plate)

под заказпо запросу
12518321305

R.H. Footrest Reinдляcement (R.H. Footrest Reinforcement)

под заказ1190 руб.
13518321307

L.H. Footrest Reinдляcement (L.H. Footrest Reinforcement)

под заказ1190 руб.
14518321510

Топливный бак Кронштейн (Fuel Tank Bracket)

под заказ1810 руб.
15518323193

R.H. Рама Reinдляcement (R.H. Frame Reinforcement)

под заказ1640 руб.
16518323195

L.H. Рама Reinдляcement (L.H. Frame Reinforcement)

под заказ1640 руб.
17390909200

Заклёпка AVEX (Rivet AVEX)

под заказ138 руб.
17605636005

Rivet Avex 4.8x10 St

под заказ70 руб.
18390909100

Заклёпка AVEX (Rivet AVEX)

под заказ21 руб.
19390402200

Pop Заклёпка 3 / 16" (Pop Rivet 3/16")

под заказ138 руб.
20390402300

Pop Заклёпка 3 / 16" (Pop Rivet 3/16")

под заказ138 руб.
21518322636

R.H. Нижний поддон Пластина (R.H. Bottom Pan Plate)

под заказ2620 руб.
22518322119

L.H. Reinдляcement Пластина (L.H. Reinforcement Plate)

под заказ1060 руб.
23207152044

Шестигранный винт M5 x 20 (Hex. Screw M5 x 20)

под заказ138 руб.
23222052065

SCREW-HEX.CAP DIN.933

под заказ110 руб.
24233251414

Elastic Фланецd Гайка M5 (Elastic Flanged Nut M5)

под заказ263 руб.
24233251434

NUT-FLANGE ELASTIC DIN.6926

под заказ290 руб.
25391301700

Шайба (Washer)

под заказ108 руб.
25250200081

RONDELLE PLATE *FLAT WASHER

под заказ140 руб.
26390910300

Заклёпка Henrob (Rivet Henrob)

под заказ72 руб.
27518323321

Седло Кронштейн (Seat Bracket)

под заказ589 руб.
27518319730

ATTACHE SIEGE S*BRKT-SEAT WELD

под заказ550 руб.
28518323173

Double Кронштейн (Double Bracket)

под заказ834 руб.
29518322755

Handle Sвышеport (Handle Support)

под заказ12160 руб.
30207663544

Hex. Фланецd Винт M6 x 35 (Hex. Flanged Screw M6 x 35)

под заказ284 руб.
31233261414

Elastic Фланецd Гайка M6 (Elastic Flanged Nut M6)

под заказ284 руб.
32518202100

Шкив Guard Кронштейн (Pulley Guard Bracket)

под заказ1200 руб.
33518207500

Reinдляcement (Reinforcement)

под заказ383 руб.
34390402200

Pop Заклёпка 3 / 16" (Pop Rivet 3/16")

под заказ138 руб.
35414859400

Колпачок (Cap)

под заказ428 руб.
36518322635

Muffler Sвышеport (Muffler Support)

под заказ936 руб.
36518206300

SUPPORT SILENC.*SUPPORT-MUFFLE

под заказ860 руб.
37518310400

Air Система впуска Sвышеport (Air Intake Support)

под заказ853 руб.
38518201307

Пластина Кронштейн (Plate Bracket)

под заказ546 руб.
39518322031

Набор инструмента Кронштейн (Tool Kit Bracket)

под заказ231 руб.
40518321569

Направляющая шнура (Rope Guide)

под заказ589 руб.
41518321570

Зажим (Clip)

под заказ572 руб.
42293150103

Pop Заклёпка 3 / 16" (Pop Rivet 3/16")

под заказ138 руб.
43518322699

Шланг Sвышеport (Hose Support)

под заказ546 руб.
44518321954

Защелка Panel (Fastener Panel)

под заказ572 руб.
45570069700

Latch (Latch)

под заказ1030 руб.
45570048800

LOQUET *LATCH

под заказ810 руб.
46518321999

Набор инструмента Кронштейн (Tool Kit Bracket)

под заказ546 руб.
47515175254

Кабели Sвышеport (Cable Support)

под заказпо запросу
48390402300

Pop Заклёпка 3 / 16" (Pop Rivet 3/16")

под заказ138 руб.
49271000110

Trim (Trim)

под заказ1440 руб.
ski-doo

Время выполнения запроса 2.2632870674133 сек.


 
 

данный сайт носит информационный характер и не является публичной офертой

склад запчастей для водомоторной техники