вконтакте

Контактный телефон: +7 (981) 121-46-93, +7 (800) 200-90-76 , Email: parts-katalog@yandex.ru, где купить

 
 

  Логин:

Пароль:

Регистрация

www.partskatalog.ru Все каталоги Запчасти Mercury Запчасти Suzuki Запчасти Tohatsu Запчасти Honda Контакты



УВАЖАЕМЫЕ КЛИЕНТЫ!
C 19 ДЕКАБРЯ 2025 ПО 02 МАРТА 2026 ГОДА ОТДЕЛ ЗАПЧАСТЕЙ И СЕРВИС РАБОТАТЬ НЕ БУДУТ
ПРОДАЖА ЛОДОЧНЫХ МОТОРОВ В ШТАТНОМ РЕЖИМЕ
ОБ ИЗМЕНЕНИЯХ В ГРАФИКЕ РАБОТЫ ЧИТАЙТЕ НА САЙТА




Выбрать другую модель

назад Раздел:   вперёд

вернуться к списку узлов и деталей

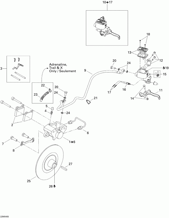
ДЕТАЛИРОВКА ДЛЯ МОДЕЛИ: SKIDOO MX Z 800 HO Adrenaline/X, 2004

Раздел: Hydraulic тормоз | Hydraulic Brake


snowmobile ski-doo модификация MX Z 800 HO Adrenaline/X, 2004 - Hydraulic Brake

Номер на
рисунке
АртикулНаименованиеКол-во
на складе
Цена
1 507032382

Caliper. X & Renegade X / Includes items 1 to 6 (Caliper. X & Renegade X / Includes items 1 to 6)

под заказ17360 руб.
1 507032452

ETRIER *CALIPER

под заказ18920 руб.
1 507032383

Caliper. Adrenaline , Trail & Renegade / Includes items 1 to 6 (Caliper. Adrenaline , Trail & Renegade / Includes items 1 to 6)

под заказ23300 руб.
2 415084600

тормоз Pad Kit (Brake Pad Kit)

под заказ4640 руб.
2 414990000

ENS.GARNITURES *KIT-PADS BRAKE

под заказ3780 руб.
2 SM-05059

     (не оригинальная запчасть) Тормозные колодки BRP SM-05059

под заказ2 440 руб.
2 SM-05059F

     (не оригинальная запчасть) Тормозные колодки BRP SM-05059F

под заказ3 850 руб.
3 414990700

Kit (Штифтs, Фиксаторs, Пружина) (Kit (Pins, Retainers, Spring))

под заказ2920 руб.
4 414989800

Bleeder Винт (Bleeder Screw)

под заказ1610 руб.
5 414989700

Boot (Boot)

под заказ2340 руб.
6 414989900

Rigid Трубопровод (Rigid Tubing)

под заказ2380 руб.
7 207103544

Hex Винт M10 X 35 (Hex Screw M10 X 35)

под заказ284 руб.
8 507032316

Locking Tab (Locking Tab)

под заказ167 руб.
8 507029900

FREIN DE VIS *LOCK-TAB

под заказ140 руб.
9 507032384

Шланг. Adrenaline , Trail & Renegade (Hose. Adrenaline , Trail & Renegade)

под заказ4290 руб.
9 507032385

Шланг. X & Renegade X (Hose. X & Renegade X)

под заказ5450 руб.
10507032362

Master Цилиндр. Includes items 10 to 17 (Master Cylinder. Includes items 10 to 17)

под заказ10110 руб.
10507032361

MAITRE CYLINDRE*CYLINDER MASTER

под заказ9280 руб.
11507032268

тормоз Short Рычаг в сборе (Brake Short Lever Assy)

под заказ6930 руб.
11SM-08064

     (не оригинальная запчасть) Ручка тормоза BRP SM-08064

под заказ2 590 руб.
12415029800

Струбцина Ass’Y (Clamp Ass’Y)

под заказ1570 руб.
12507032477

BRIDE *CLAMP

под заказ2010 руб.
13415029900

Колпачок (Cap)

под заказ3000 руб.
14415030000

Штифт Ass’Y (Pin Ass’Y)

под заказ1290 руб.
14507032280

AXE *PIN

под заказ970 руб.
15414990600

Window (Window)

под заказ1120 руб.
16507032366

MicroПереключатель (Microswitch)

под заказ5210 руб.
16507032334

MICRO CONTACT *MICROSWITCH

под заказ3700 руб.
1601-280-01

     (не оригинальная запчасть) Выключатель стоп-сигнала BRP 01-280-01

под заказ1 060 руб.
17515175232

Male Клемма (Male terminal)

под заказ572 руб.
18216141260

Винт (Screw)

под заказ284 руб.
18415078900

VIS *SCREW

под заказ230 руб.
19293600063

тормоз Fluid, Srf (Dot 4) (Brake Fluid, Srf (Dot 4))

под заказ7470 руб.
19293600062

тормоз Fluid, Gtlma (Dot 4) 12 X 354 ml (Brake Fluid, Gtlma (Dot 4) 12 X 354 ml)

под заказ495 руб.
19293600131

BRAKE FLUID 12*0,5

под заказ640 руб.
20414920500

Banjo Болт (Banjo Bolt)

под заказ731 руб.
21293750002

Tie Rap 130 mm (Tie Rap 130 mm)

под заказ130 руб.
22293750002

Tie Rap 130 mm. Adrenaline , Trail & Renegade (Tie Rap 130 mm. Adrenaline , Trail & Renegade)

под заказ130 руб.
23415079900

Трубопровод. Adrenaline , Trail & Renegade (Tubing. Adrenaline , Trail & Renegade)

под заказ284 руб.
23710001437

GAINE *PROTECTOR TUBE

под заказ230 руб.
24414920600

Шайба (Washer)

под заказ284 руб.
25507031300

тормоз Disk. Adrenaline , Trail & Renegade (Brake Disk. Adrenaline , Trail & Renegade)

под заказ11020 руб.
25507032456

DISQUE USINE *DISK-MACH.

под заказ11430 руб.
25507032301

тормоз Disk. X & Renegade X (Brake Disk. X & Renegade X)

под заказ11300 руб.
26293800070

Loctite 767, Antiseize Lubricant, 8 Oz (Loctite 767, Antiseize Lubricant, 8 Oz)

под заказ2440 руб.
26711297430

COPA SLIP *COPA-SLIP

под заказ1910 руб.
27507021300

Ключ (Key)

под заказ992 руб.
ski-doo

Время выполнения запроса 1.2491769790649 сек.


 
 

данный сайт носит информационный характер и не является публичной офертой

склад запчастей для водомоторной техники