вконтакте

Контактный телефон: +7 (981) 121-46-93, +7 (800) 200-90-76 , Email: parts-katalog@yandex.ru, где купить

 
 

  Логин:

Пароль:

Регистрация

www.partskatalog.ru Все каталоги Запчасти Mercury Запчасти Suzuki Запчасти Tohatsu Запчасти Honda Контакты



УВАЖАЕМЫЕ КЛИЕНТЫ!
C 19 ДЕКАБРЯ 2025 ПО 02 МАРТА 2026 ГОДА ОТДЕЛ ЗАПЧАСТЕЙ И СЕРВИС РАБОТАТЬ НЕ БУДУТ
ПРОДАЖА ЛОДОЧНЫХ МОТОРОВ В ШТАТНОМ РЕЖИМЕ
ОБ ИЗМЕНЕНИЯХ В ГРАФИКЕ РАБОТЫ ЧИТАЙТЕ НА САЙТА




Выбрать другую модель

назад Раздел:   вперёд

вернуться к списку узлов и деталей

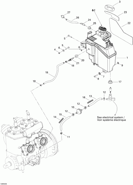
ДЕТАЛИРОВКА ДЛЯ МОДЕЛИ: SKIDOO MX Z 800 HO Adrenaline/X, 2004

Раздел: Масляный бак | Oil Tank


снегоход Skidoo MX Z 800 HO Adrenaline/X, 2004 раздел - Масляный бак

Номер на
рисунке
АртикулНаименованиеКол-во
на складе
Цена
1 519000067

Масляный бак (Oil Tank)

под заказ6440 руб.
1 519000111

RESERVOIR HUILE*OIL TANK

под заказ8110 руб.
2 413803100

Blizzard Oil (12 X 500 ml) (Blizzard Oil (12 X 500 ml))

под заказпо запросу
2 496014500

HUIL BLI.500X12*OIL-BLIZ.

под заказпо запросу
413802900

Injection Oil (12 X 1 л) (Injection Oil (12 X 1 Liter))

под заказ910 руб.
619590101

XPS 2 stroke Mineral 3*1 gallon (293600118)

под заказ2200 руб.
413803000

Injection Oil (3 X 4 л) (Injection Oil (3 X 4 Liter))

под заказ2020 руб.
619590101

XPS 2 stroke Mineral 3*1 gallon (293600118)

под заказ2200 руб.
413803200

Injection Oil (205 л) (Injection Oil (205 Liter))

под заказ102100 руб.
293600119

HUILE 2T BARIL *OIL 2T DRUM MINERALE

под заказ102100 руб.
293600046

Synthetic Injection Oil (3 X 4 л) (Synthetic Injection Oil (3 X 4 Liter))

под заказ3170 руб.
619590107

XPS 2 stroke Synthetic 3*1 gallon (293600133)

под заказ3460 руб.
293600047

Synthetic Injection Oil (205 л) (Synthetic Injection Oil (205 Liter))

под заказ161900 руб.
293600134

XPS 2 stroke Synthetic Drum 205 Liters (619590108)

под заказ161900 руб.
293600045

Synthetic Injection Oil (12 X 1 л) (Synthetic Injection Oil (12 X 1 Liter))

под заказ863 руб.
619590106

XPS 2 stroke Synthetic 12*1 quart (293600132)

под заказ940 руб.
3 519000033

Колпачок (Cap)

под заказ2280 руб.
4 232561414

Эластичная гайка со стопором M6 (Elastic Stop Nut M6)

под заказ130 руб.
4 420842040

NUT-STOP ELASTIC DIN.985

под заказ110 руб.
5 207663044

Hex Фланецd Винт M6 X 30 (Hex Flanged Screw M6 X 30)

под заказ222 руб.
5 207663034

SCREW-HEX.FLANGE DIN.6921

под заказ250 руб.
6 391302000

плоский Шайба (Flat Washer)

под заказ206 руб.
6 250200082

RONDELLE PLATE *FLAT WASHER

под заказ270 руб.
7 250200041

Tuflock Phillips Винт (Tuflock Phillips Screw)

под заказ284 руб.
7 250200000

WASHER-LOCK SERRATED INT.& EXT.M6

под заказ230 руб.
8 205062044

Socket Head Винт M6 X 20 (Socket Head Screw M6 X 20)

под заказ284 руб.
8 711241932

VIS CREUSE 6PAN*SCREW-SOCKET

под заказ230 руб.
9 732610072

Push Гайка (Push Nut)

под заказ263 руб.
9 732610068

NUT-PUSH

под заказ210 руб.
10414536500

Фильтр (Filter)

под заказ308 руб.
1007-246-05

     (не оригинальная запчасть) Фильтр масляный универсальный 07-246-05

под заказ370 руб.
1007-246-06

     (не оригинальная запчасть) Фильтр масляный BRP 07-246-06

под заказ470 руб.
1007-246-08

     (не оригинальная запчасть) Масляный фильтр 07-246-08

под заказ470 руб.
11414420700

Пружина Струбцина (Spring Clamp)

под заказ138 руб.
1127414420700

SPRING CLIP 414420700

под заказ110 руб.
12414415200

Пружина Струбцина (Spring Clamp)

под заказ138 руб.
13415080700

Line (Line)

под заказ1150 руб.
13519000230

BOYAU *HOSE

под заказ900 руб.
14519000064

Пружина (Spring)

под заказ218 руб.
15415080700

Line (Line)

под заказ1150 руб.
15519000230

BOYAU *HOSE

под заказ900 руб.
16519000065

Пружина (Spring)

под заказ356 руб.
17570023000

Insulated Кольцо (Insulated Ring)

под заказ572 руб.
172890230

GROMMET (USE 570023000)

под заказ450 руб.
17SM-07403

     (не оригинальная запчасть) Уплотнительная втулка масляного бачка BRP SM-07403

под заказ140 руб.
18414554800

Пружина Струбцина (Spring Clamp)

под заказ138 руб.
18414278600

BRIDE A RESSORT*CLAMP-SPRING

под заказ110 руб.
19415080200

Line (Line)

под заказ1150 руб.
19709000183

BOYAU POLYURE *POLYURETHANE H

под заказпо запросу
20570135100

Пыльник (Grommet)

под заказ559 руб.
20709200285

PASSE-FILS *GROMMET

под заказ720 руб.
21414580700

Elbow Male Коннектор (Elbow Male Connector)

под заказ428 руб.
21414388900

RACCORD MALE *CONNECTOR-MALE

под заказ340 руб.
22519000054

Reflective Sheet (Reflective Sheet)

под заказ452 руб.
23519000072

Reflective Sheet (Reflective Sheet)

под заказ399 руб.
24414580700

Elbow Male Коннектор (Elbow Male Connector)

под заказ428 руб.
24414388900

RACCORD MALE *CONNECTOR-MALE

под заказ340 руб.
25513032908

Пыльник (Grommet)

под заказ627 руб.
26415080200

Line (Line)

под заказ1150 руб.
26709000183

BOYAU POLYURE *POLYURETHANE H

под заказпо запросу
27275500398

Обратный клапан (Check Valve)

под заказ859 руб.
27414824700

SOUPAPE RETENUE*VALVE-CHECK

под заказ680 руб.
ski-doo

Время выполнения запроса 1.3199331760406 сек.


 
 

данный сайт носит информационный характер и не является публичной офертой

склад запчастей для водомоторной техники