| |
Выбрать другую модель
вернуться к списку узлов и деталей ДЕТАЛИРОВКА ДЛЯ МОДЕЛИ: SKIDOO MX Z 600 HO Renegade/Renegade X, 2004
Раздел: Hydraulic тормоз | Hydraulic Brake
Номер на рисунке | Артикул | Наименование | Кол-во на складе | Цена |
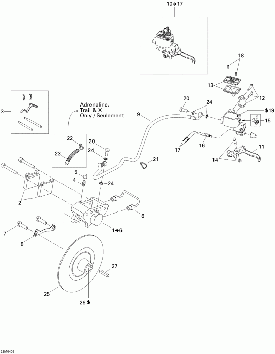
| 1 | 507032382 | Caliper. X & Renegade X / Includes items 1 to 6 (Caliper. X & Renegade X / Includes items 1 to 6) | под заказ | 17360 руб. |
| 1 | 507032452 | ETRIER *CALIPER | под заказ | 18920 руб. |
| | 507032383 | Caliper. Adrenaline , Trail & Renegade / Includes items 1 to 6 (Caliper. Adrenaline , Trail & Renegade / Includes items 1 to 6) | под заказ | 23300 руб. |
| 2 | 415084600 | тормоз Pad Kit (Brake Pad Kit) | под заказ | 4640 руб. |
| 2 | 414990000 | ENS.GARNITURES *KIT-PADS BRAKE | под заказ | 3780 руб. |
| 2 | SM-05059 | (не оригинальная запчасть) Тормозные колодки BRP SM-05059 | под заказ | 2 440 руб. |
| 2 | SM-05059F | (не оригинальная запчасть) Тормозные колодки BRP SM-05059F | под заказ | 3 850 руб. |
| 3 | 414990700 | Kit (Штифтs, Фиксаторs, Пружина) (Kit (Pins, Retainers, Spring)) | под заказ | 2920 руб. |
| 4 | 414989800 | Bleeder Винт (Bleeder Screw) | под заказ | 1610 руб. |
| 5 | 414989700 | Boot (Boot) | под заказ | 2340 руб. |
| 6 | 414989900 | Rigid Трубопровод (Rigid Tubing) | под заказ | 2380 руб. |
| 7 | 207103544 | Hex Винт M10 X 35 (Hex Screw M10 X 35) | под заказ | 284 руб. |
| 8 | 507032316 | Locking Tab (Locking Tab) | под заказ | 167 руб. |
| 8 | 507029900 | FREIN DE VIS *LOCK-TAB | под заказ | 140 руб. |
| 9 | 507032384 | Шланг. Adrenaline , Trail & Renegade (Hose. Adrenaline , Trail & Renegade) | под заказ | 4290 руб. |
| | 507032385 | Шланг. X & Renegade X (Hose. X & Renegade X) | под заказ | 5450 руб. |
| 10 | 507032362 | Master Цилиндр. Includes items 10 to 17 (Master Cylinder. Includes items 10 to 17) | под заказ | 10110 руб. |
| 10 | 507032361 | MAITRE CYLINDRE*CYLINDER MASTER | под заказ | 9280 руб. |
| 11 | 507032268 | тормоз Short Рычаг в сборе (Brake Short Lever Assy) | под заказ | 6930 руб. |
| 11 | SM-08064 | (не оригинальная запчасть) Ручка тормоза BRP SM-08064 | под заказ | 2 590 руб. |
| 12 | 415029800 | Струбцина Ass’Y (Clamp Ass’Y) | под заказ | 1570 руб. |
| 12 | 507032477 | BRIDE *CLAMP | под заказ | 2010 руб. |
| 13 | 415029900 | Колпачок (Cap) | под заказ | 3000 руб. |
| 14 | 415030000 | Штифт Ass’Y (Pin Ass’Y) | под заказ | 1290 руб. |
| 14 | 507032280 | AXE *PIN | под заказ | 970 руб. |
| 15 | 414990600 | Window (Window) | под заказ | 1120 руб. |
| 16 | 507032366 | MicroПереключатель (Microswitch) | под заказ | 5210 руб. |
| 16 | 507032334 | MICRO CONTACT *MICROSWITCH | под заказ | 3700 руб. |
| 16 | 01-280-01 | (не оригинальная запчасть) Выключатель стоп-сигнала BRP 01-280-01 | под заказ | 1 060 руб. |
| 17 | 515175232 | Male Клемма (Male terminal) | под заказ | 572 руб. |
| 18 | 216141260 | Винт (Screw) | под заказ | 284 руб. |
| 18 | 415078900 | VIS *SCREW | под заказ | 230 руб. |
| 19 | 293600063 | тормоз Fluid, Srf (Dot 4) (Brake Fluid, Srf (Dot 4)) | под заказ | 7470 руб. |
| | 293600062 | тормоз Fluid, Gtlma (Dot 4) 12 X 354 ml (Brake Fluid, Gtlma (Dot 4) 12 X 354 ml) | под заказ | 495 руб. |
| | 293600131 | BRAKE FLUID 12*0,5 | под заказ | 640 руб. |
| 20 | 414920500 | Banjo Болт (Banjo Bolt) | под заказ | 731 руб. |
| 21 | 293750002 | Tie Rap 130 mm (Tie Rap 130 mm) | под заказ | 130 руб. |
| 22 | 293750002 | Tie Rap 130 mm. Adrenaline , Trail & Renegade (Tie Rap 130 mm. Adrenaline , Trail & Renegade) | под заказ | 130 руб. |
| 23 | 415079900 | Трубопровод. Adrenaline , Trail & Renegade (Tubing. Adrenaline , Trail & Renegade) | под заказ | 284 руб. |
| 23 | 710001437 | GAINE *PROTECTOR TUBE | под заказ | 230 руб. |
| 24 | 414920600 | Шайба (Washer) | под заказ | 284 руб. |
| 25 | 507031300 | тормоз Disk. Adrenaline , Trail & Renegade (Brake Disk. Adrenaline , Trail & Renegade) | под заказ | 11020 руб. |
| 25 | 507032456 | DISQUE USINE *DISK-MACH. | под заказ | 11430 руб. |
| | 507032301 | тормоз Disk. X & Renegade X (Brake Disk. X & Renegade X) | под заказ | 11300 руб. |
| 26 | 293800070 | Loctite 767, Antiseize Lubricant, 8 Oz (Loctite 767, Antiseize Lubricant, 8 Oz) | под заказ | 2440 руб. |
| 26 | 711297430 | COPA SLIP *COPA-SLIP | под заказ | 1910 руб. |
| 27 | 507021300 | Ключ (Key) | под заказ | 992 руб. |

Время выполнения запроса 0.97007513046265 сек.
|
|