вконтакте

Контактный телефон: +7 (981) 121-46-93, +7 (800) 200-90-76 , Email: parts-katalog@yandex.ru, где купить

 
 

  Логин:

Пароль:

Регистрация

www.partskatalog.ru Все каталоги Запчасти Mercury Запчасти Suzuki Запчасти Tohatsu Запчасти Honda Контакты



УВАЖАЕМЫЕ КЛИЕНТЫ!
C 19 ДЕКАБРЯ 2025 ПО 02 МАРТА 2026 ГОДА ОТДЕЛ ЗАПЧАСТЕЙ И СЕРВИС РАБОТАТЬ НЕ БУДУТ
ПРОДАЖА ЛОДОЧНЫХ МОТОРОВ В ШТАТНОМ РЕЖИМЕ
ОБ ИЗМЕНЕНИЯХ В ГРАФИКЕ РАБОТЫ ЧИТАЙТЕ НА САЙТА




Выбрать другую модель

назад Раздел:   вперёд

вернуться к списку узлов и деталей

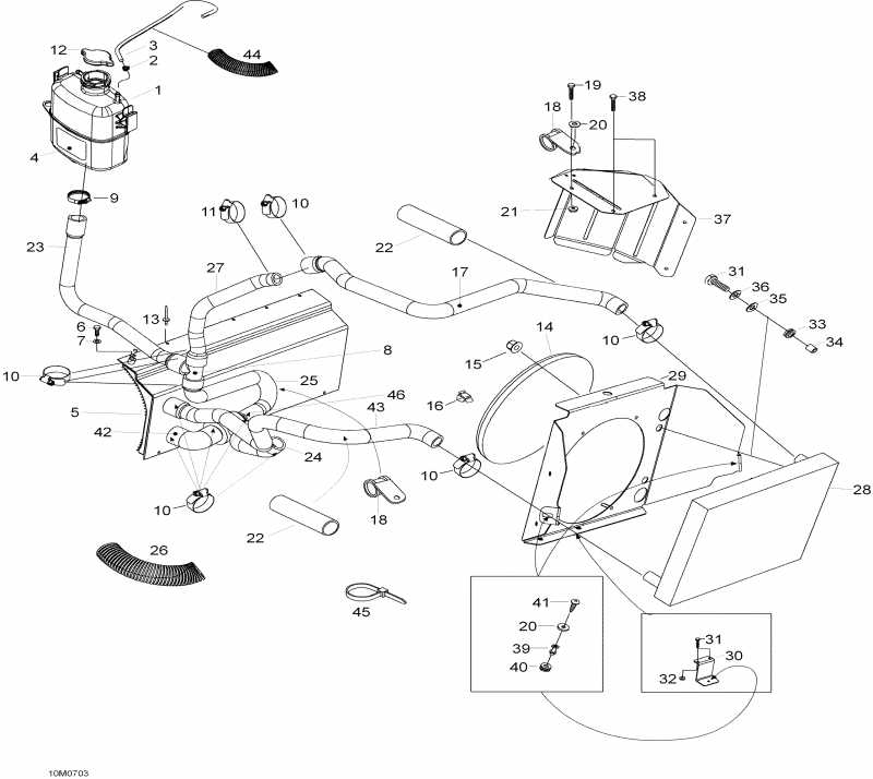
ДЕТАЛИРОВКА ДЛЯ МОДЕЛИ: SKIDOO Skandic SWT V-800, 2007

Раздел: Охлаждение System | Cooling System


снегоход BRP SkiDoo Skandic SWT V-800, 2007 раздел - Cooling System

Номер на
рисунке
АртикулНаименованиеКол-во
на складе
Цена
1 276000086

Coolant Tank (Coolant Tank)

под заказ7540 руб.
2 605627003

Струбцина (Clamp)

под заказ681 руб.
3 415080200

Polyurethane Шланг (Polyurethane Hose)

под заказ1150 руб.
3 709000183

BOYAU POLYURE *POLYURETHANE H

под заказпо запросу
4 M44110

Reflective Sheet (Reflective Sheet)

под заказ3000 руб.
5 605253699

Radiator (Radiator)

под заказ24900 руб.
6 207161044

Hex Винт M6 X 10 (Hex Screw M6 X 10)

под заказ130 руб.
6 420240771

SCREW-HEX.M6 X 10

под заказпо запросу
7 M20041

Сальник (Seal)

под заказ194 руб.
8 509000219

T-Fitting (T-Fitting)

под заказ1150 руб.
8 414619900

RACCORD EN T *FITTING-T

под заказпо запросу
9 408800400

Tridon Шестерня Струбцина (Tridon Gear Clamp)

под заказ1150 руб.
9 740002006

COLLIER SERRAGE*CLAMP-GEAR

под заказ900 руб.
10605627002

Струбцина (Clamp)

под заказ1040 руб.
11605627004

Струбцина (Clamp)

под заказ626 руб.
12509000180

Pressure Колпачок (Pressure Cap)

под заказ1580 руб.
12SM-10009

     (не оригинальная запчасть) Крышка радиатора Yamaha/Arctic Cat/BRP SM-10009

под заказ1 010 руб.
13M36108

Заклёпка (Rivet)

под заказпо запросу
14M42091

Motor Fan (Motor Fan)

под заказпо запросу
15M33200

Гайка M6 (Nut M6)

под заказпо запросу
16414227300

Зажим (Clip)

под заказ284 руб.
16414943400

PINCE *CLIP

под заказ230 руб.
17605253694

Шланг (Hose)

под заказ1790 руб.
18M27039

Струбцина (Clamp)

под заказ393 руб.
19207161644

Hex Винт M6 X 16 (Hex Screw M6 X 16)

под заказ284 руб.
19420241186

SCREW-HEX.M6 X 16

под заказ230 руб.
20M20009

Шайба 6.4 Din 9021 (Washer 6.4 Din 9021)

под заказпо запросу
21M33200

Гайка M6 (Nut M6)

под заказпо запросу
22M39062

Трубопровод (Tubing)

под заказ3010 руб.
23605253689

Шланг (Hose)

под заказ981 руб.
24605354452

Шланг (Hose)

под заказ1120 руб.
25605354451

Шланг (Hose)

под заказ1370 руб.
26M28036

Трубопровод (Tubing)

под заказ1380 руб.
27605253690

Шланг (Hose)

под заказ1280 руб.
28605353238

Radiator 250 (Radiator 250)

под заказ49100 руб.
29605254916

Sвышеport Пластина (Support Plate)

под заказ3820 руб.
30605354917

Fastening Пластина (Fastening plate)

под заказ1030 руб.
31207162044

Hex Колпачок Винт M6 X 20 (Hex Cap Screw M6 X 20)

под заказ284 руб.
31420940561

SCREW-HEX.M6 X 20

под заказ230 руб.
32M33200

Гайка M6 (Nut M6)

под заказпо запросу
33293720053

Пыльник (Grommet)

под заказ253 руб.
33709000582

PASSE-FILS *GROMMET

под заказ310 руб.
33SM-12511

     (не оригинальная запчасть) Втулка резиновая BRP SM-12511

под заказ160 руб.
34605453745

Втулка (Bushing)

под заказ681 руб.
35M20009

Шайба 6.4 Din 9021 (Washer 6.4 Din 9021)

под заказпо запросу
36234161471

Шайба с блокировкой M6, чёрный (Lock Washer M6, Black)

под заказ130 руб.
36224761110

WASHER-LOCK THIN BLACK DIN.127

под заказ110 руб.
37605254458

Deflector Пластина (Deflector Plate)

под заказ1450 руб.
38210251680

Hex дляming Винт M5 X 16 (Hex Forming Screw M5 X 16)

под заказ284 руб.
38732600008

SCREW-FORMING HEX.HD.FL.GM6174

под заказ230 руб.
39517303439

Ручка (Knob)

под заказ428 руб.
39517302719

BOUTON *KNOB

под заказ340 руб.
39SM-06020

     (не оригинальная запчасть) Крепеж для стекла BRP SM-06020

под заказ890 руб.
40517302841

Пыльник (Grommet)

под заказ572 руб.
40SM-12512

     (не оригинальная запчасть) Резиновая втулка (10 шт) BRP SM-12512

под заказ1 590 руб.
41207151244

Hex Винт M5 X 12 (Hex Screw M5 X 12)

под заказ130 руб.
41222051265

SCREW-HEX.CAP DIN.933

под заказ110 руб.
42605354450

Шланг (Hose)

под заказ1030 руб.
43605253693

Шланг (Hose)

под заказ3150 руб.
44M27127

Трубопровод (Tubing)

под заказпо запросу
45414115200

Tie-Rap 180 mm (Tie-Rap 180 mm)

под заказ130 руб.
45414587300

TIE RAP *TIE-RAP

под заказ110 руб.
46605353701

Термостат (Thermostat)

под заказ4130 руб.
ski-doo

Время выполнения запроса 5.1551010608673 сек.


 
 

данный сайт носит информационный характер и не является публичной офертой

склад запчастей для водомоторной техники