вконтакте

Контактный телефон: +7 (981) 121-46-93, +7 (800) 200-90-76 , Email: parts-katalog@yandex.ru, где купить

 
 

  Логин:

Пароль:

Регистрация

www.partskatalog.ru Все каталоги Запчасти Mercury Запчасти Suzuki Запчасти Tohatsu Запчасти Honda Контакты



УВАЖАЕМЫЕ КЛИЕНТЫ!
C 19 ДЕКАБРЯ 2025 ПО 02 МАРТА 2026 ГОДА ОТДЕЛ ЗАПЧАСТЕЙ И СЕРВИС РАБОТАТЬ НЕ БУДУТ
ПРОДАЖА ЛОДОЧНЫХ МОТОРОВ В ШТАТНОМ РЕЖИМЕ
ОБ ИЗМЕНЕНИЯХ В ГРАФИКЕ РАБОТЫ ЧИТАЙТЕ НА САЙТА




Выбрать другую модель

назад Раздел:   вперёд

вернуться к списку узлов и деталей

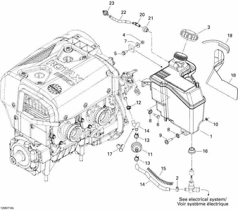
ДЕТАЛИРОВКА ДЛЯ МОДЕЛИ: SKIDOO Freestyle Session 550F, 2007

Раздел: Oil System 550f | Oil System 550f


Ski Doo - Oil System 550f

Номер на
рисунке
АртикулНаименованиеКол-во
на складе
Цена
1 519000073

Injection Масляный бак (Injection Oil Tank)

под заказ7130 руб.
2 293650042

Oetiker Струбцина (Oetiker Clamp)

под заказ284 руб.
3 519000033

Колпачок (Cap)

под заказ2280 руб.
4 232561414

Эластичная гайка со стопором M6 (Elastic Stop Nut M6)

под заказ130 руб.
4 420842040

NUT-STOP ELASTIC DIN.985

под заказ110 руб.
5 207661644

Hex. Фланецd Винт M6 X 16 (Hex. Flanged Screw M6 X 16)

под заказ276 руб.
6 207161844

Hex Винт M6 X 18 (Hex Screw M6 X 18)

под заказ138 руб.
6 222061865

SCREW-HEX.CAP DIN.933

под заказпо запросу
7 391302000

плоский Шайба (Flat Washer)

под заказ206 руб.
7 250200082

RONDELLE PLATE *FLAT WASHER

под заказ270 руб.
8 250200041

Шайба с блокировкой Serrated M6 (Lock Washer Serrated M6)

под заказ284 руб.
8 250200000

WASHER-LOCK SERRATED INT.& EXT.M6

под заказ230 руб.
9 250000081

Torx Button Head Винт M6 X 25 (Torx Button Head Screw M6 X 25)

под заказ242 руб.
9 250000728

SCREW-TORX BUTTON HEAD M6 X 25

под заказ360 руб.
10732610072

Push Гайка (Push Nut)

под заказ263 руб.
10732610068

NUT-PUSH

под заказ210 руб.
11414536500

Фильтр (Filter)

под заказ308 руб.
1107-246-05

     (не оригинальная запчасть) Фильтр масляный универсальный 07-246-05

под заказ370 руб.
1107-246-06

     (не оригинальная запчасть) Фильтр масляный BRP 07-246-06

под заказ470 руб.
1107-246-08

     (не оригинальная запчасть) Масляный фильтр 07-246-08

под заказ470 руб.
12414420700

Пружина Зажим (Spring Clip)

под заказ138 руб.
1227414420700

SPRING CLIP 414420700

под заказ110 руб.
13414415200

Universal Пружина Струбцина (Universal Spring Clamp)

под заказ138 руб.
14415080700

Line (Line)

под заказ1150 руб.
14519000230

BOYAU *HOSE

под заказ900 руб.
15519000125

Пружина (Spring)

под заказ218 руб.
16570023000

Insulating Кольцо (Insulating Ring)

под заказ572 руб.
162890230

GROMMET (USE 570023000)

под заказ450 руб.
16SM-07403

     (не оригинальная запчасть) Уплотнительная втулка масляного бачка BRP SM-07403

под заказ140 руб.
17519000124

Elbow Fitting 90° (Elbow Fitting 90°)

под заказ654 руб.
18519000054

Reflective Sheet (Reflective Sheet)

под заказ452 руб.
19519000072

Reflective Sheet (Reflective Sheet)

под заказ399 руб.
20414580700

Elbow Male Коннектор (Elbow Male Connector)

под заказ428 руб.
20414388900

RACCORD MALE *CONNECTOR-MALE

под заказ340 руб.
21513032908

Пыльник (Grommet)

под заказ627 руб.
22415080200

Polyurethane Шланг (Polyurethane Hose)

под заказ1150 руб.
22709000183

BOYAU POLYURE *POLYURETHANE H

под заказпо запросу
23275500398

Обратный клапан (Check Valve)

под заказ859 руб.
23414824700

SOUPAPE RETENUE*VALVE-CHECK

под заказ680 руб.
ski-doo

Время выполнения запроса 8.0902600288391 сек.


 
 

данный сайт носит информационный характер и не является публичной офертой

склад запчастей для водомоторной техники