вконтакте

Контактный телефон: +7 (981) 121-46-93, +7 (800) 200-90-76 , Email: parts-katalog@yandex.ru, где купить

 
 

  Логин:

Пароль:

Регистрация

www.partskatalog.ru Все каталоги Запчасти Mercury Запчасти Suzuki Запчасти Tohatsu Запчасти Honda Контакты



УВАЖАЕМЫЕ КЛИЕНТЫ!
C 19 ДЕКАБРЯ 2025 ПО 02 МАРТА 2026 ГОДА ОТДЕЛ ЗАПЧАСТЕЙ И СЕРВИС РАБОТАТЬ НЕ БУДУТ
ПРОДАЖА ЛОДОЧНЫХ МОТОРОВ В ШТАТНОМ РЕЖИМЕ
ОБ ИЗМЕНЕНИЯХ В ГРАФИКЕ РАБОТЫ ЧИТАЙТЕ НА САЙТА




Выбрать другую модель

назад Раздел:   вперёд

вернуться к списку узлов и деталей

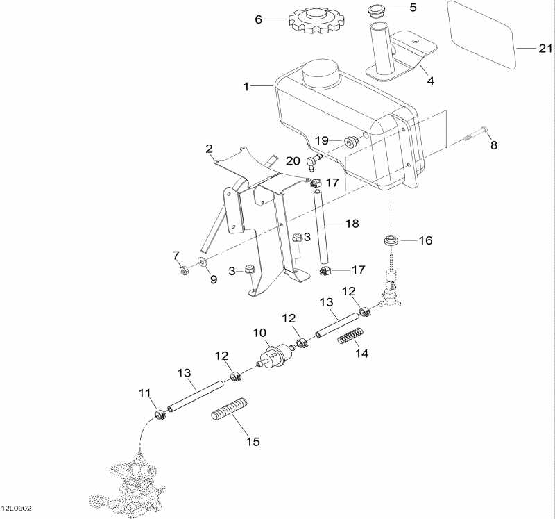
ДЕТАЛИРОВКА ДЛЯ МОДЕЛИ: SKIDOO Expedition TUV 600 H.O. SDI, 2009

Раздел: Oil System | Oil System


снегоход Skidoo модификация Expedition TUV 600 H.O. SDI, 2009 - Oil System

Номер на
рисунке
АртикулНаименованиеКол-во
на складе
Цена
1 605351449

Масляный бак (Oil Tank)

под заказ3010 руб.
2 605352356

Кронштейн (Bracket)

под заказ4560 руб.
3 M33200

Гайка M6 (Nut M6)

под заказпо запросу
4 605351804

Кронштейн (Bracket)

под заказ1510 руб.
5 M28136

Заглушка (Plug)

под заказ234 руб.
6 519000042

Колпачок (Cap)

под заказ3350 руб.
6 519000017

BOUCHON *CAP

под заказ2080 руб.
6 SM-07091

     (не оригинальная запчасть) Крышка масляного бачка BRP SM-07091

под заказ1 950 руб.
7 232561414

Эластичная гайка со стопором M6 (Elastic Stop Nut M6)

под заказ130 руб.
7 420842040

NUT-STOP ELASTIC DIN.985

под заказ110 руб.
8 207161644

Шестигранный винт M6 X 16 (Hex. Screw M6 X 16)

под заказ284 руб.
8 420241186

SCREW-HEX.M6 X 16

под заказ230 руб.
9 M20009

Шайба 6.4 Din 9021 (Washer 6.4 Din 9021)

под заказпо запросу
10414536500

Фильтр (Filter)

под заказ308 руб.
1007-246-05

     (не оригинальная запчасть) Фильтр масляный универсальный 07-246-05

под заказ370 руб.
1007-246-06

     (не оригинальная запчасть) Фильтр масляный BRP 07-246-06

под заказ470 руб.
1007-246-08

     (не оригинальная запчасть) Масляный фильтр 07-246-08

под заказ470 руб.
11414420700

Пружина Зажим (Spring Clip)

под заказ138 руб.
1127414420700

SPRING CLIP 414420700

под заказ110 руб.
12414415200

Universal Пружина Струбцина (Universal Spring Clamp)

под заказ138 руб.
13415080700

Line (Line)

под заказ1150 руб.
13519000230

BOYAU *HOSE

под заказ900 руб.
14519000065

Пружина (Spring)

под заказ356 руб.
15M28015

Корпус (Housing)

под заказ1120 руб.
16570023000

Insulating Кольцо (Insulating Ring)

под заказ572 руб.
162890230

GROMMET (USE 570023000)

под заказ450 руб.
16SM-07403

     (не оригинальная запчасть) Уплотнительная втулка масляного бачка BRP SM-07403

под заказ140 руб.
17414554800

Пружина Струбцина (Spring Clamp)

под заказ138 руб.
17414278600

BRIDE A RESSORT*CLAMP-SPRING

под заказ110 руб.
18415080200

Polyurethane Шланг (Polyurethane Hose)

под заказ1150 руб.
18709000183

BOYAU POLYURE *POLYURETHANE H

под заказпо запросу
19570135100

Пыльник (Grommet)

под заказ559 руб.
19709200285

PASSE-FILS *GROMMET

под заказ720 руб.
20414580700

Elbow Male Коннектор (Elbow Male Connector)

под заказ428 руб.
20414388900

RACCORD MALE *CONNECTOR-MALE

под заказ340 руб.
21M5443578

Reflecting Sheet (Reflecting Sheet)

под заказпо запросу
ski-doo

Время выполнения запроса 2.0097072124481 сек.


 
 

данный сайт носит информационный характер и не является публичной офертой

склад запчастей для водомоторной техники