вконтакте

Контактный телефон: +7 (981) 121-46-93, +7 (800) 200-90-76 , Email: parts-katalog@yandex.ru, где купить

 
 

  Логин:

Пароль:

Регистрация

www.partskatalog.ru Все каталоги Запчасти Mercury Запчасти Suzuki Запчасти Tohatsu Запчасти Honda Контакты



УВАЖАЕМЫЕ КЛИЕНТЫ!
C 19 ДЕКАБРЯ 2025 ПО 02 МАРТА 2026 ГОДА ОТДЕЛ ЗАПЧАСТЕЙ И СЕРВИС РАБОТАТЬ НЕ БУДУТ
ПРОДАЖА ЛОДОЧНЫХ МОТОРОВ В ШТАТНОМ РЕЖИМЕ
ОБ ИЗМЕНЕНИЯХ В ГРАФИКЕ РАБОТЫ ЧИТАЙТЕ НА САЙТА




Выбрать другую модель

назад Раздел:   вперёд

вернуться к списку узлов и деталей

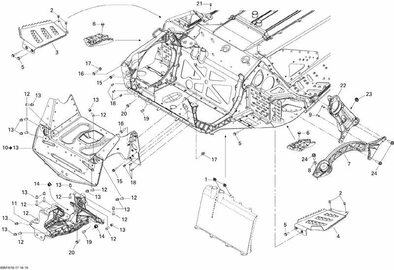
ДЕТАЛИРОВКА ДЛЯ МОДЕЛИ: SKIDOO MX Z Adrenaline 1200, 2010

Раздел: Рама и Suspension Module | Frame And Suspension Module


MX Z Adrenaline 1200, 2010 - Рама и Suspension Module

Номер на
рисунке
АртикулНаименованиеКол-во
на складе
Цена
1 233261414

Hex. Фланецd Elastic Гайка M6 (Hex. Flanged Elastic Nut M6)

под заказ284 руб.
2 N/A

Не доступно для this vehicle (Not available for this vehicle)

под заказпо запросу
2 N/A

Не доступно для this vehicle (Not available for this vehicle)

под заказпо запросу
3 N/A

Не доступно для this vehicle (Not available for this vehicle)

под заказпо запросу
3 N/A

Не доступно для this vehicle (Not available for this vehicle)

под заказпо запросу
4 N/A

Не доступно для this vehicle (Not available for this vehicle)

под заказпо запросу
4 N/A

Не доступно для this vehicle (Not available for this vehicle)

под заказпо запросу
5 N/A

Не доступно для this vehicle (Not available for this vehicle)

под заказпо запросу
6 207561244

Hex. Фланецd Винт M6 X 12, Scotch Рукоятка (Hex. Flanged Screw M6 X 12, Scotch Grip)

под заказ284 руб.
7 518326399

Brace (Brace)

под заказ12440 руб.
7 518327392

BRETELLE ASS *AS BRACE

под заказ13690 руб.
8 234281474

Коническая пружинная шайба M8 (Conical Spring Washer M8)

под заказ284 руб.
8 732900030

WASHER-SPRING CONICAL DIN.6796

под заказ230 руб.
9 390407200

Pop Заклёпка 3 / 16” (Pop Rivet 3/16”)

под заказ138 руб.
10518325924

S-Module. Includes 10 to 13 (S-Module. Includes 10 to 13)

под заказпо запросу
10518327495

CROSS MEMBER Reneg BC X 800

под заказ29900 руб.
11518325925

Передняя подвеска Sвышеport (Front Suspension Support)

под заказ12640 руб.
11518327475

SUPPORT Summit X 154

под заказ17480 руб.
12207662044

Hex. Фланецd Винт M6 X 20 (Hex. Flanged Screw M6 X 20)

под заказ284 руб.
13233261414

Hex. Фланецd Elastic Гайка M6 (Hex. Flanged Elastic Nut M6)

под заказ284 руб.
14233281414

Hex. Фланецd Elastic Гайка M8 (Hex. Flanged Elastic Nut M8)

под заказ284 руб.
15210261680

Hex. Фланецd Винт M6 X 16 (Hex. Flanged Screw M6 X 16)

под заказ242 руб.
15732600002

SCREW-FORMING HEX.HD.FL.GM6174M

под заказ230 руб.
16207662544

Hex. Фланецd Винт M6 X 25 (Hex. Flanged Screw M6 X 25)

под заказ284 руб.
16420940568

SCREW-HEX

под заказ230 руб.
17233261414

Hex. Фланецd Elastic Гайка M6 (Hex. Flanged Elastic Nut M6)

под заказ284 руб.
18293150175

MonoБолт Заклёпка (Monobolt Rivet)

под заказ156 руб.
18293150179

MAGNA-LOK 6

под заказ150 руб.
19293150182

MonoБолт Заклёпка 6.4 (Monobolt Rivet 6.4)

под заказ223 руб.
20207661644

Hex. Фланецd Винт M6 X 16 (Hex. Flanged Screw M6 X 16)

под заказ276 руб.
21390909100

Avex Заклёпка (Avex Rivet)

под заказ21 руб.
22518325933

Ведомый шкив Sвышеport (Driven Pulley Support)

под заказ5920 руб.
22518326192

SUPPORT POULIE *PULLEY SUPPORT

под заказ5920 руб.
23233281414

Hex. Фланецd Elastic Гайка M8 (Hex. Flanged Elastic Nut M8)

под заказ284 руб.
24250000351

Hex. Фланецd Винт M8 X 25, Nylon (Hex. Flanged Screw M8 X 25, Nylon)

под заказ284 руб.
ski-doo

Время выполнения запроса 5.6240930557251 сек.


 
 

данный сайт носит информационный характер и не является публичной офертой

склад запчастей для водомоторной техники