вконтакте

Контактный телефон: +7 (981) 121-46-93, +7 (800) 200-90-76 , Email: parts-katalog@yandex.ru, где купить

 
 

  Логин:

Пароль:

Регистрация

www.partskatalog.ru Все каталоги Запчасти Mercury Запчасти Suzuki Запчасти Tohatsu Запчасти Honda Контакты



УВАЖАЕМЫЕ КЛИЕНТЫ!
C 19 ДЕКАБРЯ 2025 ПО 02 МАРТА 2026 ГОДА ОТДЕЛ ЗАПЧАСТЕЙ И СЕРВИС РАБОТАТЬ НЕ БУДУТ
ПРОДАЖА ЛОДОЧНЫХ МОТОРОВ В ШТАТНОМ РЕЖИМЕ
ОБ ИЗМЕНЕНИЯХ В ГРАФИКЕ РАБОТЫ ЧИТАЙТЕ НА САЙТА




Выбрать другую модель

назад Раздел:   вперёд

вернуться к списку узлов и деталей

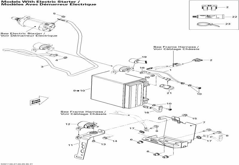
ДЕТАЛИРОВКА ДЛЯ МОДЕЛИ: SKIDOO MXZ TNT 550F XP-FAN, 2011

Раздел: Battery и Стартер | Battery And Starter


snowmobile BRP SkiDoo модификация MXZ TNT 550F XP-FAN, 2011 - Battery и Стартер

Номер на
рисунке
АртикулНаименованиеКол-во
на складе
Цена
1 515176744

Предохранитель Battery Провод (Fuse Battery Wire)

под заказ856 руб.
2 410917200

Предохранитель, 30 Amperes (Fuse, 30 Amperes)

под заказ284 руб.
2 42043

FUSIBLE 30 AMP. *FUSE-30 AMP.

под заказ140 руб.
3 515175905

Battery Провод (Battery Wire)

под заказ2140 руб.
4 232561414

Эластичная гайка со стопором M6 (Elastic Stop Nut M6)

под заказ130 руб.
4 420842040

NUT-STOP ELASTIC DIN.985

под заказ110 руб.
5 232561414

Эластичная гайка со стопором M6 (Elastic Stop Nut M6)

под заказ130 руб.
5 420842040

NUT-STOP ELASTIC DIN.985

под заказ110 руб.
6 415107300

Insert (Insert)

под заказ672 руб.
6 293450275

AJOUT *INSERT

под заказ860 руб.
7 515176886

Battery Sвышеport в сборе (Battery Support Assy)

под заказ2210 руб.
7 515176830

SUPPORT *SUPPORT

под заказ1360 руб.
8 207662044

Hex. Фланецd Винт M6 X 20 (Hex. Flanged Screw M6 X 20)

под заказ284 руб.
9 410301203

Battery, 18 Amperes. Includes 9 to 10 (Battery, 18 Amperes. Includes 9 to 10)

под заказ12230 руб.
9 715900316

BATTERIE 18 AMP*BATTERY-18 AMP

под заказпо запросу
9 FTX20L-BS

     (не оригинальная запчасть) Аккумулятор FTX20L-BS (YTX20L-BS)

под заказ8 580 руб.
9 FHD20HL-BS-GEL

     (не оригинальная запчасть) Аккумулятор гелевый FHD20HL-BS-GEL (YTX20HL-BS, YTX20L-BS)

под заказ11 110 руб.
10295500849

Battery Защелка Kit (Battery Fastener Kit)

под заказ672 руб.
10250000282

BOULON BATTERIE*BOLT KIT

под заказ860 руб.
11515177008

Battery Strip (Battery Strip)

под заказ861 руб.
11515176368

LANIERE BATTERI*STRIP-BATTERY

под заказ610 руб.
12515176501

Стартер Реле (Starter Relay)

под заказ6860 руб.
12SM-01148

     (не оригинальная запчасть) Реле стартера BRP SM-01148

под заказ1 900 руб.
13390402200

Pop Заклёпка 3 / 16" (Pop Rivet 3/16")

под заказ138 руб.
14207661644

Hex. Фланецd Винт M6 X 16 (Hex. Flanged Screw M6 X 16)

под заказ276 руб.
15233261414

Hex. Фланецd Elastic Гайка M6 (Hex. Flanged Elastic Nut M6)

под заказ284 руб.
16515176358

Провод заземления (Ground Wire)

под заказ1850 руб.
17250200041

Шайба с блокировкой Serrated M6 (Lock Washer Serrated M6)

под заказ284 руб.
17250200000

WASHER-LOCK SERRATED INT.& EXT.M6

под заказ230 руб.
18515176556

Battery Провод (Battery Wire)

под заказ1340 руб.
19515175919

Защита Колпачок (Protector Cap)

под заказ1290 руб.
20232561414

Эластичная гайка со стопором M6 (Elastic Stop Nut M6)

под заказ130 руб.
20420842040

NUT-STOP ELASTIC DIN.985

под заказ110 руб.
21710000495

Защита Колпачок (Protector Cap)

под заказ1000 руб.
22293550004

Dielectric Смазка, 150 g (Dielectric Grease, 150 g)

под заказ4740 руб.
22747018002

GRAISSE *GREASE

под заказ3710 руб.
23414115200

Tie-Rap 180 mm (Tie-Rap 180 mm)

под заказ130 руб.
23414587300

TIE RAP *TIE-RAP

под заказ110 руб.
23293750002

Tie-Rap 130 mm (Tie-Rap 130 mm)

под заказ130 руб.
23293750008

Tie-Rap 350 mm (Tie-Rap 350 mm)

под заказ138 руб.
23748001001

TIE RAP 350MM *TIE RAP 350MM

под заказ110 руб.
23293750001

Tie-Rap 94 mm (Tie-Rap 94 mm)

под заказ90 руб.
23420866718

TIE RAP *TIE-RAP

под заказ110 руб.
23293750009

Tie-Rap 173 mm (Tie-Rap 173 mm)

под заказ138 руб.
ski-doo

Время выполнения запроса 0.67705702781677 сек.


 
 

данный сайт носит информационный характер и не является публичной офертой

склад запчастей для водомоторной техники