вконтакте

Контактный телефон: +7 (981) 121-46-93, +7 (800) 200-90-76 , Email: parts-katalog@yandex.ru, где купить

 
 

  Логин:

Пароль:

Регистрация

www.partskatalog.ru Все каталоги Запчасти Mercury Запчасти Suzuki Запчасти Tohatsu Запчасти Honda Контакты



УВАЖАЕМЫЕ КЛИЕНТЫ!
C 19 ДЕКАБРЯ 2025 ПО 02 МАРТА 2026 ГОДА ОТДЕЛ ЗАПЧАСТЕЙ И СЕРВИС РАБОТАТЬ НЕ БУДУТ
ПРОДАЖА ЛОДОЧНЫХ МОТОРОВ В ШТАТНОМ РЕЖИМЕ
ОБ ИЗМЕНЕНИЯХ В ГРАФИКЕ РАБОТЫ ЧИТАЙТЕ НА САЙТА




Выбрать другую модель

назад Раздел:   вперёд

вернуться к списку узлов и деталей

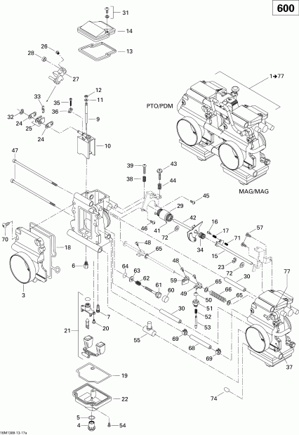
ДЕТАЛИРОВКА ДЛЯ МОДЕЛИ: SKIDOO GRAND TOURING SPORT 600 XP, 2013

Раздел: Карбюратор | Carburetor


snowmobile SKIDOO GRAND TOURING SPORT 600 XP, 2013 раздел - Карбюратор

Номер на
рисунке
АртикулНаименованиеКол-во
на складе
Цена
1 403138815

Карбюратор, комплект, TM40-B418. Includes 1 to 77 (Carburetor Kit, TM40-B418. Includes 1 to 77)

под заказ104600 руб.
1 403138809

CARBURATEUR *CARBURETTOR

под заказпо запросу
1 SM-07600

     (не оригинальная запчасть) Ремкомплект карбюратора BRP SM-07600

под заказ4 160 руб.
3 404162093

Funnel, PTO (Funnel, PTO)

под заказ17940 руб.
4 404162094

Дренажный винт (Drain Screw)

под заказ2280 руб.
5 404161945

Уплотнительное кольцо (O-Ring)

под заказ588 руб.
6 404106400

Главный жиклёр MJ 390 (PTO) (Main jet MJ 390 (PTO))

под заказ681 руб.
6 961015

MAIN JET 390(USE 404106400

под заказ320 руб.
7 404161944

Pilot Jet 17.5 (Pilot Jet 17.5)

под заказ396 руб.
9 404162129

Игла распылителя J8-9CEY02-58 (Needle Jet J8-9CEY02-58)

под заказ3140 руб.
10404162020

Клапан Поршень 2.0 (Valve Piston 2.0)

под заказ14220 руб.
11404137600

Прокладка (Packing)

под заказ481 руб.
12404152200

Уплотнительное кольцо (E-Ring)

под заказ428 руб.
13404161940

Прокладка (Gasket)

под заказ1930 руб.
14404161939

Крышка (Cover)

под заказ3140 руб.
15404162006

Вал дросселя (Throttle Shaft)

под заказ15680 руб.
16404136700

Винт (Screw)

под заказ904 руб.
17404135300

Adjustment Пружина (Adjustment Spring)

под заказ752 руб.
18404161935

Уплотнительное кольцо (O-Ring)

под заказ1930 руб.
19404161961

Уплотнительное кольцо (O-Ring)

под заказ885 руб.
20404161933

Винт (Screw)

под заказ851 руб.
21404161932

Поплавок (Float)

под заказ12360 руб.
21SM-07164

     (не оригинальная запчасть) Ремкомплект карбюратора BRP/Arctic Cat/Polaris SM-07164

под заказ3 990 руб.
22404162095

Корпус Поплавок в сборе (Body Float Assy)

под заказ5500 руб.
23707200027

Уплотнительное кольцо (E-Ring)

под заказ356 руб.
24404162007

Пластина (Plate)

под заказ1170 руб.
25404162008

Держатель (Holder)

под заказ1170 руб.
26404161928

Винт (Screw)

под заказ880 руб.
27404162009

Рычаг (Lever)

под заказ7430 руб.
28404161926

Кольцо (Ring)

под заказ880 руб.
29404161925

Кольцо (Ring)

под заказ880 руб.
30404161924

Кольцо (Ring)

под заказ2640 руб.
31404161923

Винт (Screw)

под заказ545 руб.
32404138300

Уплотнительное кольцо (E-Ring)

под заказ851 руб.
33404162010

Пружина (Spring)

под заказ1170 руб.
34404162011

Пружина (Spring)

под заказ880 руб.
35404161920

Винт (Screw)

под заказ880 руб.
36404161919

Пластина (Plate)

под заказ880 руб.
37404162096

Funnel, MAG (Funnel, MAG)

под заказ17810 руб.
38404161918

Пружина (Spring)

под заказ452 руб.
39404161917

Винт (Screw)

под заказ880 руб.
41404162014

Пружина (Spring)

под заказ2360 руб.
42404162015

Вал дросселя (Throttle Shaft)

под заказ15680 руб.
43404137500

Adjustment Винт (Adjustment Screw)

под заказ1400 руб.
44404161913

Пружина (Spring)

под заказ880 руб.
45404161912

Винт (Screw)

под заказ481 руб.
46404136100

Винт (Screw)

под заказ481 руб.
47404161911

Винт (Screw)

под заказ2640 руб.
48404161910

Винт (Screw)

под заказ880 руб.
49404161909

Рычаг (Lever)

под заказ1400 руб.
50404140000

Колпачок (Cap)

под заказ851 руб.
51404136900

Направляющая Держатель (Guide Holder)

под заказ1250 руб.
52404161908

Пружина (Spring)

под заказ970 руб.
53404161907

Плунжер в сборе (Plunger Assy)

под заказ2430 руб.
54404161906

Винт (Screw)

под заказ481 руб.
55404161905

Ниппель (Nipple)

под заказ3640 руб.
57404161903

Винт (Screw)

под заказ284 руб.
59404161901

Стартер Рычаг (Starter Lever)

под заказ2710 руб.
60404161899

Колпачок (Cap)

под заказ851 руб.
61404161898

Регулятор (Adjuster)

под заказ1850 руб.
62404161897

Пружина (Spring)

под заказ452 руб.
63404161896

Шайба (Washer)

под заказ463 руб.
64404161895

Прокладка (Packing)

под заказ588 руб.
65404161894

Прокладка (Packing)

под заказ880 руб.
66404103500

Пружина (Spring)

под заказ662 руб.
68404161956

Шланг (Hose)

под заказ1400 руб.
69404161957

Зажим (Clip)

под заказ1170 руб.
70404138800

Винт (Screw)

под заказ463 руб.
71404135400

Пружина (Spring)

под заказ627 руб.
72270500118

Прокладка (Packing)

под заказ715 руб.
74270500095

Колпачок (Cap)

под заказ715 руб.
74404140700

BOUCHON *CAP

под заказ560 руб.
77404128800

Elbow 90° (Elbow 90°)

под заказ2430 руб.
ski-doo

Время выполнения запроса 8.8468379974365 сек.


 
 

данный сайт носит информационный характер и не является публичной офертой

склад запчастей для водомоторной техники