вконтакте

Контактный телефон: +7 (981) 121-46-93, +7 (800) 200-90-76 , Email: parts-katalog@yandex.ru, где купить

 
 

  Логин:

Пароль:

Регистрация

www.partskatalog.ru Все каталоги Запчасти Mercury Запчасти Suzuki Запчасти Tohatsu Запчасти Honda Контакты



УВАЖАЕМЫЕ КЛИЕНТЫ!
C 19 ДЕКАБРЯ 2025 ПО 02 МАРТА 2026 ГОДА ОТДЕЛ ЗАПЧАСТЕЙ И СЕРВИС РАБОТАТЬ НЕ БУДУТ
ПРОДАЖА ЛОДОЧНЫХ МОТОРОВ В ШТАТНОМ РЕЖИМЕ
ОБ ИЗМЕНЕНИЯХ В ГРАФИКЕ РАБОТЫ ЧИТАЙТЕ НА САЙТА




Выбрать другую модель

назад Раздел:   вперёд

вернуться к списку узлов и деталей

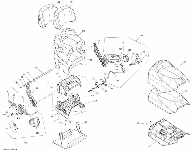
ДЕТАЛИРОВКА ДЛЯ МОДЕЛИ: SKIDOO GRAND TOURING SPORT 600 XP, 2014

Раздел: Седло | Seat


Ski Doo GRAND TOURING SPORT 600 XP, 2014 раздел - Седло

Номер на
рисунке
АртикулНаименованиеКол-во
на складе
Цена
11207361644

Шестигранный винт M6 X 16, Scotch Рукоятка (Hex. Screw M6 X 16, Scotch Grip)

под заказ572 руб.
1140379

SCREW M6X16(SCOTCH GRIP)DIN 933 8.8 YIC#

под заказ450 руб.
13207563044

Hex. Фланецd Винт M6 X 30, Scotch Рукоятка (Hex. Flanged Screw M6 X 30, Scotch Grip)

под заказ284 руб.
15224061201

плоский Шайба (Flat Washer)

под заказ284 руб.
15224061200

WASHER-FLAT

под заказ230 руб.
20250000113

Винт M4 X 16, Type K-40 (Screw M4 X 16, Type K-40)

под заказ222 руб.
20250000725

SCREW PLASTITE TYPE K-40 BZN M4 X 16

под заказ270 руб.
21250000129

Torx Винт M6 X 16 (Torx Screw M6 X 16)

под заказ242 руб.
21250000721

TORX-TRUSS M/S BZN NYLON PATCH

под заказ140 руб.
23250000146

Truss Head Torx Винт K50 X 16 (Truss Head Torx Screw K50 X 16)

под заказ222 руб.
23250000720

TORX-SCREW TRUSS HEAD PT.K50X16

под заказ140 руб.
23SM-06020

     (не оригинальная запчасть) Крепеж для стекла BRP SM-06020

под заказ890 руб.
28250200128

плоский Шайба 8 mm (Flat Washer 8 mm)

под заказ428 руб.
29271000558

Проставка (Spacer)

под заказ261 руб.
31293100003

Гайка M6 (Nut M6)

под заказ715 руб.
31211100038

NUT-T-SHAPE

под заказпо запросу
33390410100

Pop Заклёпка 3 / 16” (Pop Rivet 3/16”)

под заказ43 руб.
38293750008

Tie-Rap 350 mm (Tie-Rap 350 mm)

под заказ138 руб.
38748001001

TIE RAP 350MM *TIE RAP 350MM

под заказ110 руб.
40293150100

Pop Заклёпка 3 / 16" (Pop Rivet 3/16")

под заказ284 руб.
40390908000

RIVET-POP 3/16 *RIVET-POP 3/16

под заказ230 руб.
42414115200

Tie-Rap 180 mm (Tie-Rap 180 mm)

под заказ130 руб.
42414587300

TIE RAP *TIE-RAP

под заказ110 руб.
43414644300

Dart (Dart)

под заказ138 руб.
43UP-12454

     (не оригинальная запчасть) Заклепки для пластиковых навесных частей BRP UP-12454

под заказ450 руб.
46510004377

верхний Backrest Axle (Upper Backrest Axle)

под заказ3350 руб.
47510004378

Rubber Регулировочная шайба (Rubber Shim)

под заказ617 руб.
47605455359

SHIM-RUBBER

под заказ140 руб.
48510004379

Шайба (Washer)

под заказ670 руб.
52510004405

Moulding (Moulding)

под заказ333 руб.
53510004413

Rocker Переключатель (Rocker Switch)

под заказ715 руб.
54510004414

Защитный выключатель (Switch Protector)

под заказ715 руб.
55510004423

Foam Sвышеport (Foam Support)

под заказ2640 руб.
57510004449

Handle Рукоятка (Handle Grip)

под заказ816 руб.
62510004775

Front Седло Основание (Front Seat Base)

под заказ6430 руб.
63510004777

Front Седло Foam (Front Seat Foam)

под заказ18610 руб.
65510004782

Backrest Foam (Backrest Foam)

под заказ10370 руб.
67510004791

Rear Седло Foam (Rear Seat Foam)

под заказ25000 руб.
83510005181

Седло Крышка (Seat Cover)

под заказ20200 руб.
89510005309

Backrest Крышка (Backrest Cover)

под заказ15290 руб.
10510005009

RH Air Deflector (RH Air Deflector)

под заказ2070 руб.
10510005010

LH Air Deflector (LH Air Deflector)

под заказ2070 руб.
10510005814

Reinдляcement Handle (Reinforcement Handle)

под заказ1380 руб.
10510005036

Корпус Переключатель (Housing Switch)

под заказ1280 руб.
11510005399

Rear Седло Крышка (Rear Seat Cover)

под заказ19670 руб.
12510005535

Седло Основание в сборе (Seat Base Assy)

под заказ35200 руб.
12510005538

LH Рычаг, чёрный (LH Arm, Black)

под заказ2500 руб.
13510005539

RH Рычаг, чёрный (RH Arm, Black)

под заказ2500 руб.
13510005848

RH Handle в сборе (RH Handle Assy)

под заказ20600 руб.
13510005542

POIGNEE DROITE *RH.HANDLE

под заказ19030 руб.
13510005847

LH Handle в сборе (LH Handle Assy)

под заказ20600 руб.
13510005543

POIGNEE GAUCHE *LH.HANDLE

под заказ19030 руб.
15515175283

Корпус Sвышеport (Housing Support)

под заказ859 руб.
15515175494

Male Корпус, 3 Circuits (Male Housing, 3 Circuits)

под заказ1580 руб.
15515175506

Трубопровод (Tubing)

под заказ4930 руб.
16515176033

Male Коннектор (Male Connector)

под заказ1150 руб.
17515176697

Handle Жгут проводов (Handle Harness)

под заказ2070 руб.
18515176766

Седло Жгут проводов (Seat Harness)

под заказ2780 руб.
18515176999

Heated Element (Heated Element)

под заказ4850 руб.
18515176768

ELEMENT CHAUFF.*HEATED FILM

под заказпо запросу
19516003816

Heated Handle Наклейка (Heated Handle Decal)

под заказ697 руб.
19516003937

Коннектор Наклейка (Connector Decal)

под заказ1180 руб.
20708000759

Резиновый стопор (Rubber Stopper)

под заказ428 руб.
20708000771

BUTEE CAOUT. *STOPPER-RUBBER

под заказ340 руб.
24250000198

Torx Truss Винт M8 X 16 (Torx Truss Screw M8 X 16)

под заказ284 руб.
24250000197

Torx Truss Винт M8 X 30 (Torx Truss Screw M8 X 30)

под заказ242 руб.
ski-doo

Время выполнения запроса 1.1198048591614 сек.


 
 

данный сайт носит информационный характер и не является публичной офертой

склад запчастей для водомоторной техники