вконтакте

Контактный телефон: +7 (981) 121-46-93, +7 (800) 200-90-76 , Email: parts-katalog@yandex.ru, где купить

 
 

  Логин:

Пароль:

Регистрация

www.partskatalog.ru Все каталоги Запчасти Mercury Запчасти Suzuki Запчасти Tohatsu Запчасти Honda Контакты



УВАЖАЕМЫЕ КЛИЕНТЫ!
C 19 ДЕКАБРЯ 2025 ПО 02 МАРТА 2026 ГОДА ОТДЕЛ ЗАПЧАСТЕЙ И СЕРВИС РАБОТАТЬ НЕ БУДУТ
ПРОДАЖА ЛОДОЧНЫХ МОТОРОВ В ШТАТНОМ РЕЖИМЕ
ОБ ИЗМЕНЕНИЯХ В ГРАФИКЕ РАБОТЫ ЧИТАЙТЕ НА САЙТА




Выбрать другую модель

назад Раздел:   вперёд

вернуться к списку узлов и деталей

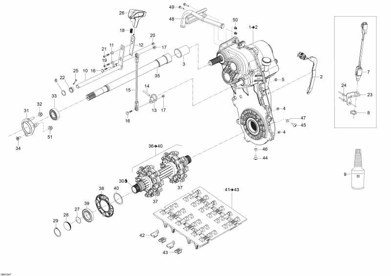
ДЕТАЛИРОВКА ДЛЯ МОДЕЛИ: SKIDOO Skandic SWT 550, 2015

Раздел: Drive System 19m1547 | Drive System 19m1547


Ski Doo Skandic SWT 550, 2015 раздел - 19m1547

Номер на
рисунке
АртикулНаименованиеКол-во
на складе
Цена
1 619230058

Трансмиссия в сборе (Slow Ratio) Includes 1 To 2 (Transmission Assy (Slow Ratio). Includes 1 To 2)

под заказ183300 руб.
1 619230063

TRANSMISSION ASS Y (SLOW RATIO)

под заказ183300 руб.
2 504152896

Датчик (Sensor)

под заказ2570 руб.
2 504152732

SENSOR ASS

под заказ1650 руб.
2 SM-01253

     (не оригинальная запчасть) Датчик скорости BRP SM-01253

под заказ3 120 руб.
3 504153054

Protective Rubber (Protective Rubber)

под заказ1240 руб.
3 504152989

PROTECTIVE RUBBER

под заказпо запросу
4 233281414

Hex. Фланецd Elastic Гайка M8 (Hex. Flanged Elastic Nut M8)

под заказ284 руб.
5 232581414

Hex. Эластичная гайка со стопором M8 (Hex. Elastic Stop Nut M8)

под заказ136 руб.
5 420942030

NUT-LOCK M8

под заказ110 руб.
6 503189273

Шайба (Washer)

под заказ428 руб.
7 515176472

Переключатель в сборе (Switch Assy)

под заказ5140 руб.
7 515175967

SWITCH-ASSY

под заказ5590 руб.
8 250000373

Brass Гайка (Brass Nut)

под заказ529 руб.
9 XXX

Шестерняbox Oil (Gearbox Oil)

10504153288

Рычаг Переключательer (Lever Shifter)

под заказ9970 руб.
11504152787

Гильза (Sleeve)

под заказ2070 руб.
12504153287

Переключательer Рычаг (Shifter Arm)

под заказ3640 руб.
13504153278

Рычаг (Lever)

под заказ5640 руб.
1441012

Штифт (Pin)

под заказ375 руб.
14063030

GOUP.RETENUE *PIN-RETAINER

под заказ20 руб.
15504153258

Переключательer Тяга (Shifter Rod)

под заказ3280 руб.
16250000677

Carriage Болт M6 X 20 (Carriage Bolt M6 X 20)

под заказ189 руб.
17232561434

Эластичная гайка со стопором M6 (Elastic Stop Nut M6)

под заказ263 руб.
18504152882

Пружина (Spring)

под заказ2500 руб.
19205052544

Socket Винт M5 X 25 (Socket Screw M5 X 25)

под заказ284 руб.
20233251434

Фланецd Elastic Гайка M5 (Flanged Elastic Nut M5)

под заказ284 руб.
2033062

NUT M5

под заказ230 руб.
21250000676

дляming Винт M5 x 16 (Forming Screw M5 x 16)

под заказ98 руб.
21732600030

SCREW-FORMING

под заказпо запросу
22504152890

Подшипник (Bearing)

под заказ3280 руб.
23504152902

Датчик Кронштейн (Sensor Bracket)

под заказ1060 руб.
24293150163

Заклёпка Hucklok 4, 8 mm HKLP-R6-5GAT (Rivet Hucklok 4,8 mm HKLP-R6-5GAT)

под заказ223 руб.
25250400035

Шплинт (Cotter Pin)

под заказ263 руб.
26504152837

Handle (Handle)

под заказ5210 руб.
27293300122

Уплотнительное кольцо (O-Ring)

под заказ146 руб.
27SM-03178

     (не оригинальная запчасть) Комплект подшипников BRP SM-03178

под заказ2 620 руб.
28504152619

Magnetic Колпачок (Magnetic Cap)

под заказ1930 руб.
28504152620

CAPUCHON *CAP

под заказ1260 руб.
29504152572

Стопорное кольцо (Circlip)

под заказ452 руб.
30XXX

Synthetic Смазка (Synthetic Grease)

31504153187

Подшипник Корпус (Bearing Housing)

под заказ1640 руб.
32233281414

Hex. Фланецd Elastic Гайка M8 (Hex. Flanged Elastic Nut M8)

под заказ284 руб.
33293350074

Шариковый подшипник (Ball Bearing)

под заказ3000 руб.
33CS205LLU X AS3S5

     (не оригинальная запчасть) Подшипник CS205LLU (CS205LLU X AS3S5)

под заказ1 150 руб.
34235381646

Torx Винт M8 X 16, Scotch Рукоятка (Torx Screw M8 X 16, Scotch Grip)

под заказ284 руб.
34250000025

SCREW-TORX CTSK.FL.HD.S.GRIP M8 X 16

под заказ230 руб.
35504153070

Counter Вал (Counter Shaft)

под заказ17550 руб.
36504153203

Drive Axle в сборе. Includes 36 To 40 (Drive Axle Assy. Includes 36 To 40)

под заказ50100 руб.
36504153585

DRIVE AXLE ASS Y

под заказ41600 руб.
37504153137

Цепное колесо ЗВЕЗДОЧКА, 8 Teeth (Sprocket, 8 Teeth)

под заказ2210 руб.
38504152949

Корпус Подшипник (Housing Bearing)

под заказ1150 руб.
39293350059

Шариковый подшипник (Ball Bearing)

под заказ3950 руб.
39504152573

ROULEMENT BILLE*BALL BEARING

под заказпо запросу
396010DUCM D 5

     (не оригинальная запчасть) Подшипник 6010DUCM (6010DUCM D 5)

под заказ1 270 руб.
39SM-03178

     (не оригинальная запчасть) Комплект подшипников BRP SM-03178

под заказ2 620 руб.
40504153207

Регулировочная шайба (Shim)

под заказ689 руб.
41504153264

Track в сборе. Includes 41 To 43 (Track Assy. Includes 41 To 43)

под заказ110600 руб.
42XXX

Направляющая (Guide)

43XXX

Cleat (Cleat)

44619230037

Allen Винт M8 x 10 (Allen Screw M8 x 10)

под заказ149 руб.
45619230038

Allen Винт M10 x 16 (Allen Screw M10 x 16)

под заказ149 руб.
46615580812

Прокладка Кольцо (Gasket Ring)

под заказ183 руб.
47619230047

Кольцевой сальник (Seal Ring)

под заказ75 руб.
48512060828

Направляющая Трубка (Guide Tube)

под заказ3140 руб.
49207662544

Hex. Фланецd Винт M6 X 25 (Hex. Flanged Screw M6 X 25)

под заказ284 руб.
49420940568

SCREW-HEX

под заказ230 руб.
50233261414

Hex. Фланецd Elastic Гайка M6 (Hex. Flanged Elastic Nut M6)

под заказ284 руб.
51233261414

Hex. Фланецd Elastic Гайка M6 (Hex. Flanged Elastic Nut M6)

под заказ284 руб.
ski-doo

Время выполнения запроса 1.525768995285 сек.


 
 

данный сайт носит информационный характер и не является публичной офертой

склад запчастей для водомоторной техники