вконтакте

Контактный телефон: +7 (981) 121-46-93, +7 (800) 200-90-76 , Email: parts-katalog@yandex.ru, где купить

 
 

  Логин:

Пароль:

Регистрация

www.partskatalog.ru Все каталоги Запчасти Mercury Запчасти Suzuki Запчасти Tohatsu Запчасти Honda Контакты



УВАЖАЕМЫЕ КЛИЕНТЫ!
C 19 ДЕКАБРЯ 2025 ПО 02 МАРТА 2026 ГОДА ОТДЕЛ ЗАПЧАСТЕЙ И СЕРВИС РАБОТАТЬ НЕ БУДУТ
ПРОДАЖА ЛОДОЧНЫХ МОТОРОВ В ШТАТНОМ РЕЖИМЕ
ОБ ИЗМЕНЕНИЯХ В ГРАФИКЕ РАБОТЫ ЧИТАЙТЕ НА САЙТА




Выбрать другую модель

назад Раздел:   вперёд

вернуться к списку узлов и деталей

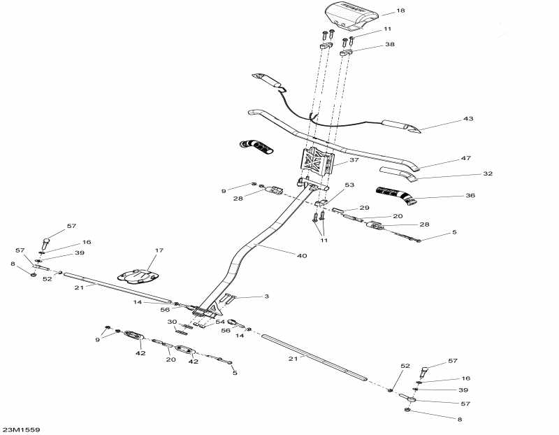
ДЕТАЛИРОВКА ДЛЯ МОДЕЛИ: SKIDOO MXZ IRON DOG 800R E-TEC, 2015

Раздел: Рулевая система 23m1559 | Steering 23m1559


снегоход Skidoo модификация MXZ IRON DOG 800R E-TEC, 2015 - 23m1559

Номер на
рисунке
АртикулНаименованиеКол-во
на складе
Цена
3 207004034

Шестигранный винт M10 X 40 (Hex. Screw M10 X 40)

под заказ284 руб.
5 207667086

Hex. Фланецd Винт M6 x 70 (Hex. Flanged Screw M6 x 70)

под заказ284 руб.
8 233201464

Hex. Elast. Фланецd Гайка M10 (Hex. Elast. Flanged Nut M10)

под заказ715 руб.
8 SM-08351

     (не оригинальная запчасть) Комплект крепежа лыжи BRP SM-08351

под заказ4 140 руб.
9 233261416

Elastic Фланецd Гайка M6 (Elastic Flanged Nut M6)

под заказ284 руб.
11250000352

Шестигранный флавцевый винт M8 X 40 (Hex. Flange Screw M8 X 40)

под заказ284 руб.
14250100016

LH Hex. Jam Гайка M10 (LH Hex. Jam Nut M10)

под заказ130 руб.
14732610011

NUT-JAM HEXAGONAL LH.

под заказ110 руб.
16503192496

Шайба (Washer)

под заказ138 руб.
16SM-08351

     (не оригинальная запчасть) Комплект крепежа лыжи BRP SM-08351

под заказ4 140 руб.
17506152163

Пластина (Plate)

под заказ734 руб.
18506152541

Рулевая колодка (Steering Pad)

под заказ3930 руб.
20506152297

Корпус Втулка (Housing Bushing)

под заказ734 руб.
21506152496

Tie-Тяга (Tie-Rod)

под заказ4290 руб.
21506152095

Tie Rod

под заказ2960 руб.
28506152508

верхний Half-Корпус (Upper Half-Housing)

под заказ545 руб.
28SM-08757

     (не оригинальная запчасть) Вкладыш рулевой колонки (верхний) BRP SM-08757

под заказ5 410 руб.
28SM-08760

     (не оригинальная запчасть) Вкладыш рулевой колонки (верхний) SM-08760

под заказ6 260 руб.
29506152509

верхний Anti-Vibration Прокладка (Upper Anti-Vibration Gasket)

под заказ324 руб.
29506152292

JOINT VIB. *VIBRAT. GASKET

под заказ60 руб.
29SM-08757

     (не оригинальная запчасть) Вкладыш рулевой колонки (верхний) BRP SM-08757

под заказ5 410 руб.
29SM-08760

     (не оригинальная запчасть) Вкладыш рулевой колонки (верхний) SM-08760

под заказ6 260 руб.
30506152518

нижний Vibration Кольцо (Lower Vibration Ring)

под заказ324 руб.
30506152218

JOINT VIB. *VIBRAT. GASKET

под заказ160 руб.
30SM-08758

     (не оригинальная запчасть) Вкладыш рулевой колонки (нижний) BRP SM-08758

под заказ3 620 руб.
32506152548

Insulant (Insulant)

под заказ365 руб.
36506152560

Рукоятка 148 мм (Grip 148mm)

под заказ1640 руб.
37506152616

чёрный Handlebar Удлинитель (Black Handlebar Extension)

под заказ10230 руб.
37506152562

EXTENSION *EXTENSION

под заказпо запросу
38506152750

Рулевая опора (Steering Support)

под заказ984 руб.
38506152751

SUPPORT GUIDON *STEERING SUPPORT

под заказ990 руб.
38SM-08753

     (не оригинальная запчасть) Крепление руля BRP SM-08753

под заказ4 530 руб.
39506152582

Шайба (Washer)

под заказ1580 руб.
40506152584

чёрный Main Трубка (Black Main Tube)

под заказ17360 руб.
40506152839

ARBRE DIR.SOUDE*TUBE-MAIN WELD

под заказ17110 руб.
42506152588

нижний Half-Корпус (Lower Half-Housing)

под заказ734 руб.
42SM-08759

     (не оригинальная запчасть) Вкладыш рулевой колонки (нижний) BRP SM-08759

под заказ5 020 руб.
43506152758

Heating Element 32 WATT (Heating Element 32 WATT)

под заказ2570 руб.
47506152709

Clear Handle Bar (Clear Handle Bar)

под заказ6930 руб.
47506152612

GUIDON *HANDLE BAR

под заказ6000 руб.
52732610010

RH Hex. Jam Гайка M10 (RH Hex. Jam Nut M10)

под заказ284 руб.
53506152751

Рулевая опора (Steering Support)

под заказ984 руб.
53SM-08753

     (не оригинальная запчасть) Крепление руля BRP SM-08753

под заказ4 530 руб.
54233601466

Elastic Locking Гайка M10 (Elastic Locking Nut M10)

под заказ284 руб.
56506152081

LH Шаровое соединение (LH Ball Joint)

под заказ2920 руб.
56506151828

JOINT ROTULE *BALL JOINT

под заказпо запросу
56SM-08401

     (не оригинальная запчасть) Рулевой наконечник BRP (левая резьба) SM-08401

под заказ1 920 руб.
57506152684

RH Шаровое соединение (RH Ball Joint)

под заказ3930 руб.
57SM-08406

     (не оригинальная запчасть) Рулевой наконечник BRP (правая резьба) SM-08406

под заказ2 700 руб.
ski-doo

Время выполнения запроса 0.81870985031128 сек.


 
 

данный сайт носит информационный характер и не является публичной офертой

склад запчастей для водомоторной техники