вконтакте

Контактный телефон: +7 (981) 121-46-93, +7 (800) 200-90-76 , Email: parts-katalog@yandex.ru, где купить

 
 

  Логин:

Пароль:

Регистрация

www.partskatalog.ru Все каталоги Запчасти Mercury Запчасти Suzuki Запчасти Tohatsu Запчасти Honda Контакты



УВАЖАЕМЫЕ КЛИЕНТЫ!
C 19 ДЕКАБРЯ 2025 ПО 02 МАРТА 2026 ГОДА ОТДЕЛ ЗАПЧАСТЕЙ И СЕРВИС РАБОТАТЬ НЕ БУДУТ
ПРОДАЖА ЛОДОЧНЫХ МОТОРОВ В ШТАТНОМ РЕЖИМЕ
ОБ ИЗМЕНЕНИЯХ В ГРАФИКЕ РАБОТЫ ЧИТАЙТЕ НА САЙТА




Выбрать другую модель

назад Раздел:   вперёд

вернуться к списку узлов и деталей

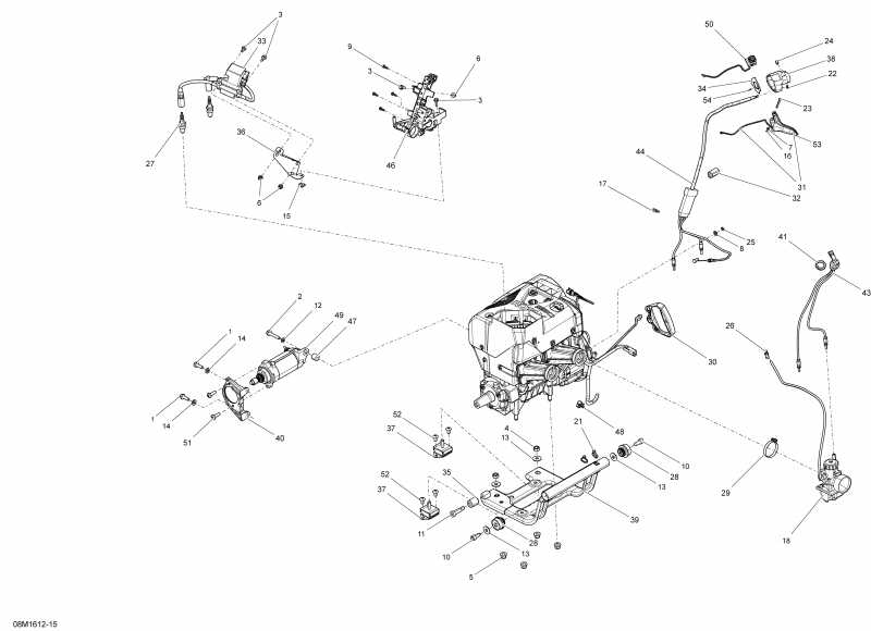
ДЕТАЛИРОВКА ДЛЯ МОДЕЛИ: SKIDOO TUNDRA - LT-Sport_2-STROKE, 2016

Раздел: Двигатель | Engine


snowmobile BRP SkiDoo модель TUNDRA - LT-Sport_2-STROKE, 2016 - Двигатель

Номер на
рисунке
АртикулНаименованиеКол-во
на складе
Цена
1 207582586

Hex. Фланецd Винт M8 X 25, Scotch Рукоятка (Hex. Flanged Screw M8 X 25, Scotch Grip)

под заказ284 руб.
2 207584544

Hex. Фланецd Винт M8 X 45, Scotch Рукоятка (Hex. Flanged Screw M8 X 45, Scotch Grip)

под заказ284 руб.
3 207662044

Hex. Фланецd Винт M6 X 20 (Hex. Flanged Screw M6 X 20)

под заказ284 руб.
4 232500416

Эластичная гайка со стопором M10 (Elastic Stop Nut M10)

под заказ284 руб.
4 732610018

NUT-STOP ELASTIC DIN.985

под заказ230 руб.
5 233201414

Hex. Фланецd Elastic Гайка M10 (Hex. Flanged Elastic Nut M10)

под заказ276 руб.
5 228701045

NUT-FLANGE ELASTIC DIN.6926

под заказ220 руб.
6 233261414

Hex. Фланецd Elastic Гайка M6 (Hex. Flanged Elastic Nut M6)

под заказ284 руб.
7 234051600

плоский Шайба M5, Stainless (Flat Washer M5, Stainless)

под заказ130 руб.
7 290827803

RONDELLE *WASHER

под заказ110 руб.
8 234081100

плоский Шайба 8 mm, Nylon (Flat Washer 8 mm, Nylon)

под заказ263 руб.
8 211200023

WASHER-FLAT DIN.125A

под заказ210 руб.
9 241151640

Hex. Фланецd Винт K50 X 16 (Hex. Flanged Screw K50 X 16)

под заказ284 руб.
10250000094

Винт M10 X 30 (Screw M10 X 30)

под заказ1780 руб.
11250000463

Socket Head Винт, Scotch Рукоятка (Socket Head Screw, Scotch Grip)

под заказ859 руб.
12250200008

плоский Шайба With Teflon 8 mm (Flat Washer With Teflon 8 mm)

под заказ572 руб.
13250200014

плоский Шайба M10 (Flat Washer M10)

под заказ859 руб.
13705400033

RONDELLE *WASHER

под заказ680 руб.
14250200146

Коническая пружинная шайба M8 (Conical Spring Washer M8)

под заказ101 руб.
15293100003

Гайка M6 (Nut M6)

под заказ715 руб.
15211100038

NUT-T-SHAPE

под заказпо запросу
16293370050

Стопорное кольцо (Circlip)

под заказ35 руб.
17293750002

Tie-Rap 142 mm (Tie-Rap 142 mm)

под заказ130 руб.
18403138814

Карбюратор VM30-219, PTO (Carburetor VM30-219, PTO)

под заказ22200 руб.
18403138813

Карбюратор VM30-218, MAG (Carburetor VM30-218, MAG)

под заказ28200 руб.
21414115200

Tie-Rap 180 mm (Tie-Rap 180 mm)

под заказ130 руб.
21414587300

TIE RAP *TIE-RAP

под заказ110 руб.
22414274500

Стопорное кольцо (Circlip)

под заказ138 руб.
23414438700

Рычаг Штифт (Lever Pin)

под заказ803 руб.
24414440800

Socket Установочный винт M8 X 10 (Socket Set Screw M8 X 10)

под заказ290 руб.
24114144408

SCREW

под заказ220 руб.
25414753500

Стопорное кольцо (Circlip)

под заказ130 руб.
26414814100

Male Коннектор (Male Connector)

под заказ300 руб.
27512059552

Свеча зажигания, NGK BR9ECS-5 (Spark Plug, NGK BR9ECS-5)

под заказ720 руб.
28512059691

Монтажная резинка (Rubber Mount)

под заказ4070 руб.
28SM-09556

     (не оригинальная запчасть) Опора (подушка) двигателя BRP SM-09556

под заказ2 160 руб.
29512059834

Gemi Струбцина (Gemi Clamp)

под заказ181 руб.
30512060136

Стартер Рукоятка (Starter Grip)

под заказ1050 руб.
31512060307

Handle в сборе (Handle Assy)

под заказ6950 руб.
31512060199

MANETTE ASS. *HANDLE-ASSY

под заказ6370 руб.
32512060313

Защита (Protector)

под заказ670 руб.
33512060324

Calibrated Module (Calibrated Module)

под заказ40700 руб.
33SU-01186

     (не оригинальная запчасть) Катушка зажигания BRP SU-01186

под заказ42 490 руб.
34512060390

Пластина (Plate)

под заказ670 руб.
35512060395

Стопор (Stopper)

под заказ1310 руб.
36512060460

Sвышеport Coils (Support Coils)

под заказ1380 руб.
37512060564

Монтажная резинка (Rubber Mount)

под заказ2920 руб.
38512060603

Дроссель Корпус (Throttle Housing)

под заказ760 руб.
39512060637

Двигатель Sвышеport в сборе (Engine Support Assy)

под заказ15950 руб.
40512060656

Sвышеport (Support)

под заказ4070 руб.
41512060671

пластиковый Гайка (Plastic Nut)

под заказ72 руб.
43512060676

Choke Кабели (Choke Cable)

под заказ7930 руб.
43512060418

CABLE ETRANG. *CHOKE CABLE

под заказ1570 руб.
43SM-05232

     (не оригинальная запчасть) Трос подсоса BRP SM-05232

под заказ2 190 руб.
44512060885

Тросик дросселя (Throttle Cable)

под заказ7930 руб.
44SM-05268

     (не оригинальная запчасть) Тросик газа BRP SM-05268

под заказ3 690 руб.
46512060924

Coils Sвышеport (Coils Support)

под заказ670 руб.
47515176597

Проставка (Spacer)

под заказ978 руб.
48515176795

Зажим (Clip)

под заказ428 руб.
48293750031

ANCRAGE TIE RAP*TIE RAP MOUNT

под заказ340 руб.
49515177389

Стартер (Starter)

под заказ43100 руб.
49515177047

DEMARREUR *STARTER

под заказпо запросу
49SM-01314

     (не оригинальная запчасть) Стартер электрический BRP SM-01314

под заказ16 770 руб.
49AT-MZ1210

     (не оригинальная запчасть) Стартер электрический BRP AT-MZ1210

под заказ11 490 руб.
49SM-MZ1118

     (не оригинальная запчасть) Стартер электрический двигателя снегохода SM-MZ1118

под заказ16 230 руб.
50515177362

Kill Переключатель (Kill Switch)

под заказ7040 руб.
50515177061

Kill Switch

под заказ5510 руб.
50SM-01572

     (не оригинальная запчасть) Кнопка выключения двигателя BRP SM-01572

под заказ3 390 руб.
51250000752

Torx Винт M8 X 25, Scotch Рукоятка (Torx Screw M8 X 25, Scotch Grip)

под заказ74 руб.
52250000746

Torx Truss Винт M8 X 16 (Torx Truss Screw M8 X 16)

под заказ290 руб.
53572084501

Handle, 30 mm (Handle, 30 mm)

под заказ1200 руб.
54250000756

Torx Truss Винт M2 X 12 (Torx Truss Screw M2 X 12)

под заказ548 руб.
ski-doo

Время выполнения запроса 2.6149129867554 сек.


 
 

данный сайт носит информационный характер и не является публичной офертой

склад запчастей для водомоторной техники