вконтакте

Контактный телефон: +7 (981) 121-46-93, +7 (800) 200-90-76 , Email: parts-katalog@yandex.ru, где купить

 
 

  Логин:

Пароль:

Регистрация

www.partskatalog.ru Все каталоги Запчасти Mercury Запчасти Suzuki Запчасти Tohatsu Запчасти Honda Контакты



УВАЖАЕМЫЕ КЛИЕНТЫ!
C 19 ДЕКАБРЯ 2025 ПО 02 МАРТА 2026 ГОДА ОТДЕЛ ЗАПЧАСТЕЙ И СЕРВИС РАБОТАТЬ НЕ БУДУТ
ПРОДАЖА ЛОДОЧНЫХ МОТОРОВ В ШТАТНОМ РЕЖИМЕ
ОБ ИЗМЕНЕНИЯХ В ГРАФИКЕ РАБОТЫ ЧИТАЙТЕ НА САЙТА




Выбрать другую модель

назад Раздел:   вперёд

вернуться к списку узлов и деталей

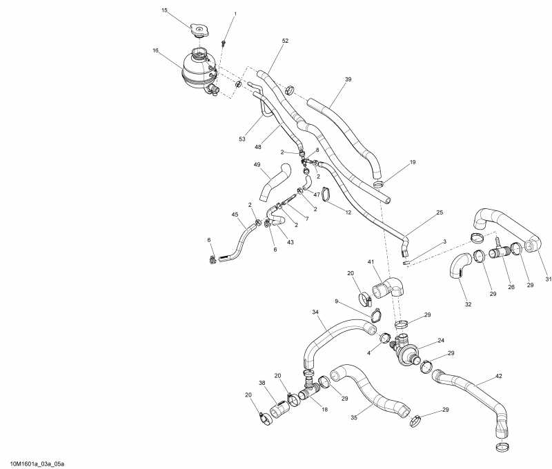
ДЕТАЛИРОВКА ДЛЯ МОДЕЛИ: SKIDOO SUMMIT, 2016

Раздел: Охлаждение System - Carb Двигатель | Cooling System - Carb Engine


снегоход BRP SkiDoo SUMMIT, 2016 - Cooling System Carb Engine

Номер на
рисунке
АртикулНаименованиеКол-во
на складе
Цена
1 241151640

Hex. Фланецd Винт K50 X 16 (Hex. Flanged Screw K50 X 16)

под заказ284 руб.
2 293650046

Oetiker Струбцина (Oetiker Clamp)

под заказ284 руб.
3 293650047

Crimp Струбцина (Crimp Clamp)

под заказ284 руб.
4 293650099

Crimp Струбцина (Crimp Clamp)

под заказ428 руб.
6 293650210

Пружина Струбцина (Spring Clamp)

под заказ375 руб.
7 293710059

Y-Fitting (Y-Fitting)

под заказ715 руб.
7 420460635

Y-NIPPLE

под заказ560 руб.
8 293710140

Y-Fitting (Y-Fitting)

под заказ529 руб.
9 293750008

Tie-Rap 350 mm (Tie-Rap 350 mm)

под заказ138 руб.
9 748001001

TIE RAP 350MM *TIE RAP 350MM

под заказ110 руб.
12414115200

Tie-Rap 180 mm (Tie-Rap 180 mm)

под заказ130 руб.
12414587300

TIE RAP *TIE-RAP

под заказ110 руб.
15509000180

Pressure Колпачок (Pressure Cap)

под заказ1580 руб.
15SM-10009

     (не оригинальная запчасть) Крышка радиатора Yamaha/Arctic Cat/BRP SM-10009

под заказ1 010 руб.
16509000368

Coolant Tank (Coolant Tank)

под заказ6360 руб.
18509000372

T-Fitting (T-Fitting)

под заказ859 руб.
19509000442

Шестерня Струбцина (Gear Clamp)

под заказ428 руб.
19420851663

CLAMP

под заказ340 руб.
20509000443

Aba Шестерня Струбцина (Aba Gear Clamp)

под заказ800 руб.
24509000499

Термостат Корпус (Thermostat Housing)

под заказ2920 руб.
25509000502

Bleeder Шланг (Bleeder Hose)

под заказ1710 руб.
26509000510

T-Fitting (T-Fitting)

под заказ614 руб.
26509000336

RACCORD EN T *T-FITTING

под заказпо запросу
29509000529

Oetiker Шестерня Струбцина (Oetiker Gear Clamp)

под заказ715 руб.
31509000670

Radiator Шланг (Radiator Hose)

под заказ2710 руб.
31509000553

BOYAU INTER RAD*HOSE-RADIATOR

под заказ2130 руб.
32509000671

Radiator Шланг (Radiator Hose)

под заказ1100 руб.
34509000672

Bypass Шланг (Bypass Hose)

под заказ1780 руб.
35509000673

Radiator Шланг (Radiator Hose)

под заказ1710 руб.
35509000491

BOYAU RADIATEUR*RADIATOR HOSE

под заказ1210 руб.
38509000675

Двигатель вход Шланг (Engine Inlet Hose)

под заказ1120 руб.
38509000557

BOYAU RADIATEUR*RADIATOR HOSE

под заказпо запросу
39509000676

Filling Шланг (Filling Hose)

под заказ1710 руб.
39509000548

BOYAU REMPLISS *FILLING HOSE

под заказ1340 руб.
41509000678

Двигатель выход Шланг (Engine Outlet Hose)

под заказ1500 руб.
41509000417

BOYAU SORTIE MO*HOSE-OUTLET EN

под заказпо запросу
42509000679

Термостат выход Шланг (Thermostat Outlet Hose)

под заказ1850 руб.
43509000768

Bleeder Шланг (Bleeder Hose)

под заказ760 руб.
45509000769

Bleeder Шланг (Bleeder Hose)

под заказ832 руб.
47415129508

Bleeder Шланг (Bleeder Hose)

под заказ359 руб.
47509000775

BOYAU *HOSE

под заказ910 руб.
48415129508

Bleeder Шланг (Bleeder Hose)

под заказ359 руб.
48509000775

BOYAU *HOSE

под заказ910 руб.
49513033231

Защита Трубка, 16 mm (Protector Tube, 16 mm)

под заказ189 руб.
52415080000

Трубопровод 16 mm (Tubing 16 mm)

под заказ715 руб.
52513033461

PROTECTOR TUBE

под заказ560 руб.
53415110000

Polyurethane Шланг 5.2 mm (Polyurethane Hose 5.2 mm)

под заказ276 руб.
53709000017

BOYAU VENTIL. *HOSE-VENT

под заказ220 руб.
ski-doo

Время выполнения запроса 1.9782378673553 сек.


 
 

данный сайт носит информационный характер и не является публичной офертой

склад запчастей для водомоторной техники