вконтакте

Контактный телефон: +7 (981) 121-46-93, +7 (800) 200-90-76 , Email: parts-katalog@yandex.ru, где купить

 
 

  Логин:

Пароль:

Регистрация

www.partskatalog.ru Все каталоги Запчасти Mercury Запчасти Suzuki Запчасти Tohatsu Запчасти Honda Контакты



УВАЖАЕМЫЕ КЛИЕНТЫ!
C 19 ДЕКАБРЯ 2025 ПО 02 МАРТА 2026 ГОДА ОТДЕЛ ЗАПЧАСТЕЙ И СЕРВИС РАБОТАТЬ НЕ БУДУТ
ПРОДАЖА ЛОДОЧНЫХ МОТОРОВ В ШТАТНОМ РЕЖИМЕ
ОБ ИЗМЕНЕНИЯХ В ГРАФИКЕ РАБОТЫ ЧИТАЙТЕ НА САЙТА




Выбрать другую модель

назад Раздел:   вперёд

вернуться к списку узлов и деталей

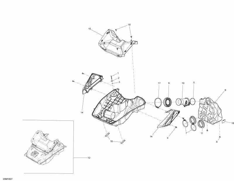
ДЕТАЛИРОВКА ДЛЯ МОДЕЛИ: SKIDOO MXZ 600 RS, 2016

Раздел: Air Система впуска System | Air Intake System


snowmobile  MXZ 600 RS, 2016 раздел - Air Система впуска System

Номер на
рисунке
АртикулНаименованиеКол-во
на складе
Цена
1 205444086

Socket Head Винт M4 X 40 (Socket Head Screw M4 X 40)

под заказ284 руб.
2 224060201

плоский Шайба (Flat Washer)

под заказ276 руб.
2 224060200

WASHER-FLAT

под заказ220 руб.
3 232541414

Эластичная гайка со стопором M4 (Elastic Stop Nut M4)

под заказ136 руб.
3 228541045

NUT-STOP ELASTIC DIN.985

под заказпо запросу
4 250000113

Винт M4 X 16, Type K-40 (Screw M4 X 16, Type K-40)

под заказ222 руб.
4 250000725

SCREW PLASTITE TYPE K-40 BZN M4 X 16

под заказ270 руб.
5 293300115

Уплотнительное кольцо (O-Ring)

под заказ428 руб.
6 293830005

Rubber Бампер (Rubber Bumper)

под заказ572 руб.
7 508000346

Gemi Струбцина (Gemi Clamp)

под заказ1000 руб.
7 508000162

BRIDE *CLAMP

под заказ790 руб.
7 SM-07187

     (не оригинальная запчасть) Впускной патрубок BRP SM-07187

под заказ920 руб.
8 508000535

Primary Chamber в сборе (Primary Chamber Assy)

под заказ6070 руб.
9 508000567

Boot (Boot)

под заказ1230 руб.
9 508000524

RACCORD *BOOT

под заказ760 руб.
10508000662

Flute (Flute)

под заказ978 руб.
10508000542

FLUTE *FLUTE

под заказ610 руб.
11508000721

Система впуска Adapter (Intake Adapter)

под заказ1640 руб.
12508000722

Secondary Chamber в сборе (Secondary Chamber Assy)

под заказ12360 руб.
14508000730

RH Воздушный фильтр (RH Air Filter)

под заказ3000 руб.
14508000731

LH Воздушный фильтр (LH Air Filter)

под заказ3000 руб.
15508000732

Air Duct (Air Duct)

под заказ1710 руб.
16508000744

Стопор (Stopper)

под заказ146 руб.
17514052924

Norma Струбцина (Norma Clamp)

под заказ859 руб.
18516005876

Notice Наклейка, Air Впуск глушителя (Notice Decal, Air Intake Silencer)

под заказ72 руб.
19250000725

Винт M4 X 16 (Screw M4 X 16)

под заказ266 руб.
ski-doo

Время выполнения запроса 8.2128031253815 сек.


 
 

данный сайт носит информационный характер и не является публичной офертой

склад запчастей для водомоторной техники