вконтакте

Контактный телефон: +7 (981) 121-46-93, +7 (800) 200-90-76 , Email: parts-katalog@yandex.ru, где купить

 
 

  Логин:

Пароль:

Регистрация

www.partskatalog.ru Все каталоги Запчасти Mercury Запчасти Suzuki Запчасти Tohatsu Запчасти Honda Контакты



УВАЖАЕМЫЕ КЛИЕНТЫ!
C 19 ДЕКАБРЯ 2025 ПО 02 МАРТА 2026 ГОДА ОТДЕЛ ЗАПЧАСТЕЙ И СЕРВИС РАБОТАТЬ НЕ БУДУТ
ПРОДАЖА ЛОДОЧНЫХ МОТОРОВ В ШТАТНОМ РЕЖИМЕ
ОБ ИЗМЕНЕНИЯХ В ГРАФИКЕ РАБОТЫ ЧИТАЙТЕ НА САЙТА




Выбрать другую модель

назад Раздел:   вперёд

вернуться к списку узлов и деталей

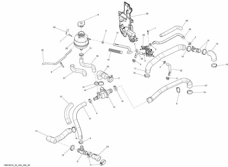
ДЕТАЛИРОВКА ДЛЯ МОДЕЛИ: SKIDOO MXZ - 2-STROKE, 2016

Раздел: Охлаждение System - Etec Двигатель | Cooling System - Etec Engine


снегоход Skidoo MXZ - 2-STROKE, 2016 раздел - Охлаждение System Etec Двигатель

Номер на
рисунке
АртикулНаименованиеКол-во
на складе
Цена
1 241152540

Hex. Фланецd Винт K50 X 25 (Hex. Flanged Screw K50 X 25)

под заказ412 руб.
2 293650046

Oetiker Струбцина (Oetiker Clamp)

под заказ284 руб.
3 293650047

Crimp Струбцина (Crimp Clamp)

под заказ284 руб.
4 293650099

Crimp Струбцина (Crimp Clamp)

под заказ428 руб.
5 293650210

Пружина Струбцина (Spring Clamp)

под заказ375 руб.
6 414115200

Tie-Rap 180 mm (Tie-Rap 180 mm)

под заказ130 руб.
6 414587300

TIE RAP *TIE-RAP

под заказ110 руб.
8 509000180

Pressure Колпачок (Pressure Cap)

под заказ1580 руб.
8 SM-10009

     (не оригинальная запчасть) Крышка радиатора Yamaha/Arctic Cat/BRP SM-10009

под заказ1 010 руб.
9 509000372

T-Fitting (T-Fitting)

под заказ859 руб.
10509000442

Шестерня Струбцина (Gear Clamp)

под заказ428 руб.
10420851663

CLAMP

под заказ340 руб.
11509000443

Aba Шестерня Струбцина (Aba Gear Clamp)

под заказ800 руб.
14509000499

Термостат Корпус (Thermostat Housing)

под заказ2920 руб.
15509000510

T-Fitting (T-Fitting)

под заказ614 руб.
15509000336

RACCORD EN T *T-FITTING

под заказпо запросу
16509000529

Oetiker Шестерня Струбцина (Oetiker Gear Clamp)

под заказ715 руб.
17509000670

Radiator Шланг (Radiator Hose)

под заказ2710 руб.
17509000553

BOYAU INTER RAD*HOSE-RADIATOR

под заказ2130 руб.
18509000671

Radiator Шланг (Radiator Hose)

под заказ1100 руб.
19509000672

Bypass Шланг (Bypass Hose)

под заказ1780 руб.
21509000673

Radiator Шланг (Radiator Hose)

под заказ1710 руб.
21509000491

BOYAU RADIATEUR*RADIATOR HOSE

под заказ1210 руб.
23509000674

Двигатель вход Шланг. 800R E-TEC (Engine Inlet Hose. 800R E-TEC)

под заказ1200 руб.
23509000675

Двигатель вход Шланг. 600HO E-TEC (Engine Inlet Hose. 600HO E-TEC)

под заказ1120 руб.
23509000557

BOYAU RADIATEUR*RADIATOR HOSE

под заказпо запросу
25509000678

Двигатель выход Шланг (Engine Outlet Hose)

под заказ1500 руб.
25509000417

BOYAU SORTIE MO*HOSE-OUTLET EN

под заказпо запросу
27509000679

Термостат выход Шланг (Thermostat Outlet Hose)

под заказ1850 руб.
28509000802

Coolant Tank (Coolant Tank)

под заказ6110 руб.
29509000803

Bleed Коллектор (Bleed Collector)

под заказ1780 руб.
30509000812

Filling Шланг (Filling Hose)

под заказ1710 руб.
31509000817

Шланг (Hose)

под заказ760 руб.
32509000818

Bleeder Шланг (Bleeder Hose)

под заказ760 руб.
37509000513

Защита Трубка 32 mm (Protector Tube 32 mm)

под заказ2000 руб.
39509000973

Tank Sвышеport (Tank Support)

под заказ1230 руб.
40415080000

Трубопровод 16 mm (Tubing 16 mm)

под заказ715 руб.
40513033461

PROTECTOR TUBE

под заказ560 руб.
41409901800

Трубопровод 13 mm (Tubing 13 mm)

под заказ109 руб.
41414612400

GAINE *HOUSING

под заказпо запросу
42276000048

Шланг 6 mm (Hose 6 mm)

под заказ715 руб.
42513033562

BOYAU *HOSE

под заказ560 руб.
43516005904

Наклейка - предупреждение (Warning Decal)

под заказ697 руб.
44509000819

Bleeder Шланг (Bleeder Hose)

под заказ760 руб.
45509000906

Bleeder Шланг (Bleeder Hose)

под заказ1780 руб.
ski-doo

Время выполнения запроса 3.9678981304169 сек.


 
 

данный сайт носит информационный характер и не является публичной офертой

склад запчастей для водомоторной техники