вконтакте

Контактный телефон: +7 (981) 121-46-93, +7 (800) 200-90-76 , Email: parts-katalog@yandex.ru, где купить

 
 

  Логин:

Пароль:

Регистрация

www.partskatalog.ru Все каталоги Запчасти Mercury Запчасти Suzuki Запчасти Tohatsu Запчасти Honda Контакты



УВАЖАЕМЫЕ КЛИЕНТЫ!
C 19 ДЕКАБРЯ 2025 ПО 02 МАРТА 2026 ГОДА ОТДЕЛ ЗАПЧАСТЕЙ И СЕРВИС РАБОТАТЬ НЕ БУДУТ
ПРОДАЖА ЛОДОЧНЫХ МОТОРОВ В ШТАТНОМ РЕЖИМЕ
ОБ ИЗМЕНЕНИЯХ В ГРАФИКЕ РАБОТЫ ЧИТАЙТЕ НА САЙТА




Выбрать другую модель

назад Раздел:   вперёд

вернуться к списку узлов и деталей

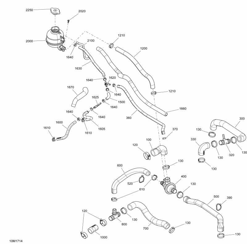
ДЕТАЛИРОВКА ДЛЯ МОДЕЛИ: SKIDOO TUNDRA - 2-STROKE - XTREME, 2017

Раздел: Охлаждение System - All Models | Cooling System - All Models


snowmobile SkiDoo модификация TUNDRA - 2-STROKE - XTREME, 2017 - Cooling System All Models

Номер на
рисунке
АртикулНаименованиеКол-во
на складе
Цена
10509000678

Двигатель выход Шланг (Engine Outlet Hose)

под заказ1500 руб.
10509000417

BOYAU SORTIE MO*HOSE-OUTLET EN

под заказпо запросу
12509000443

Aba Шестерня Струбцина (Aba Gear Clamp)

под заказ800 руб.
13509000529

Oetiker Шестерня Струбцина (Oetiker Gear Clamp)

под заказ715 руб.
30509000670

Radiator Шланг (Radiator Hose)

под заказ2710 руб.
30509000553

BOYAU INTER RAD*HOSE-RADIATOR

под заказ2130 руб.
32509000510

T-Fitting (T-Fitting)

под заказ614 руб.
32509000336

RACCORD EN T *T-FITTING

под заказпо запросу
33509000671

Radiator Шланг (Radiator Hose)

под заказ1100 руб.
36509000502

Bleeder Шланг (Bleeder Hose)

под заказ1710 руб.
37293650047

Crimp Струбцина (Crimp Clamp)

под заказ284 руб.
39414115200

Tie-Rap 180 mm (Tie-Rap 180 mm)

под заказ130 руб.
39414587300

TIE RAP *TIE-RAP

под заказ110 руб.
40509000499

Термостат Корпус (Thermostat Housing)

под заказ2920 руб.
50509000679

Термостат выход Шланг (Thermostat Outlet Hose)

под заказ1850 руб.
52293750008

Tie-Rap 350 mm (Tie-Rap 350 mm)

под заказ138 руб.
52748001001

TIE RAP 350MM *TIE RAP 350MM

под заказ110 руб.
60509000672

Bypass Шланг (Bypass Hose)

под заказ1780 руб.
61293650099

Crimp Струбцина (Crimp Clamp)

под заказ428 руб.
70509000673

Radiator Шланг (Radiator Hose)

под заказ1710 руб.
70509000491

BOYAU RADIATEUR*RADIATOR HOSE

под заказ1210 руб.
80509000372

T-Fitting (T-Fitting)

под заказ859 руб.
10509000675

Двигатель вход Шланг (Engine Inlet Hose)

под заказ1120 руб.
10509000557

BOYAU RADIATEUR*RADIATOR HOSE

под заказпо запросу
12509000676

Filling Шланг (Filling Hose)

под заказ1710 руб.
12509000548

BOYAU REMPLISS *FILLING HOSE

под заказ1340 руб.
12509000442

Шестерня Струбцина (Gear Clamp)

под заказ428 руб.
12420851663

CLAMP

под заказ340 руб.
15415129508

Bleeder Шланг (Bleeder Hose)

под заказ359 руб.
15509000775

BOYAU *HOSE

под заказ910 руб.
16509000769

Bleeder Шланг (Bleeder Hose)

под заказ832 руб.
16509000768

Bleeder Шланг (Bleeder Hose)

под заказ760 руб.
16293650210

Пружина Струбцина (Spring Clamp)

под заказ375 руб.
16293710140

Y-Fitting (Y-Fitting)

под заказ529 руб.
16293710059

Y-Fitting (Y-Fitting)

под заказ715 руб.
16420460635

Y-NIPPLE

под заказ560 руб.
16415129508

Bleeder Шланг (Bleeder Hose)

под заказ359 руб.
16509000775

BOYAU *HOSE

под заказ910 руб.
16293650046

Oetiker Струбцина (Oetiker Clamp)

под заказ284 руб.
16415080000

Трубопровод 16 mm (Tubing 16 mm)

под заказ715 руб.
16513033461

PROTECTOR TUBE

под заказ560 руб.
16513033231

Защита Трубка, 16 mm (Protector Tube, 16 mm)

под заказ189 руб.
20509000368

Coolant Tank (Coolant Tank)

под заказ6360 руб.
20241151640

Hex. Фланецd Винт K50 X 16 (Hex. Flanged Screw K50 X 16)

под заказ284 руб.
21415110000

Polyurethane Шланг 5.2 mm (Polyurethane Hose 5.2 mm)

под заказ276 руб.
21709000017

BOYAU VENTIL. *HOSE-VENT

под заказ220 руб.
22509000180

Pressure Колпачок (Pressure Cap)

под заказ1580 руб.
22SM-10009

     (не оригинальная запчасть) Крышка радиатора Yamaha/Arctic Cat/BRP SM-10009

под заказ1 010 руб.
ski-doo

Время выполнения запроса 1.2230439186096 сек.


 
 

данный сайт носит информационный характер и не является публичной офертой

склад запчастей для водомоторной техники