вконтакте

Контактный телефон: +7 (981) 121-46-93, +7 (800) 200-90-76 , Email: parts-katalog@yandex.ru, где купить

 
 

  Логин:

Пароль:

Регистрация

www.partskatalog.ru Все каталоги Запчасти Mercury Запчасти Suzuki Запчасти Tohatsu Запчасти Honda Контакты


Выбрать другую модель

назад Раздел:   вперёд

вернуться к списку узлов и деталей

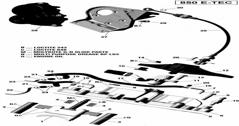
ДЕТАЛИРОВКА ДЛЯ МОДЕЛИ: SKIDOO SUMMIT - 850 E-TEC, 2017

Раздел: Rave Клапан - All Models | Rave Valve - All Models


ski-doo - Rave Клапан All Models

Номер на
рисунке
АртикулНаименованиеКол-во
на складе
Цена
1 420954051

Выпускной клапан верхний (Exhaust Valve Upper)

под заказ4640 руб.
1 SM-09656

     (не оригинальная запчасть) Лопатка RAVE клапана BRP SM-09656

под заказнет данных
2 420954058

Выпускной клапан нижний (Exhaust Valve Lower)

под заказ5520 руб.
2 SM-09656

     (не оригинальная запчасть) Лопатка RAVE клапана BRP SM-09656

под заказнет данных
3 420954040

Выпускной клапан (Exhaust Valve)

под заказ1380 руб.
3 SM-09656

     (не оригинальная запчасть) Лопатка RAVE клапана BRP SM-09656

под заказнет данных
4 420238558

Пружина (Spring)

под заказ375 руб.
5 420430036

Прокладка (Gasket)

под заказ832 руб.
6&420954038

Клапан Тяга Корпус (Valve Rod Housing)

под заказ5460 руб.
7 420924051

Fitting 90D (Fitting 90D)

под заказ659 руб.
8 420950730

Сальник (Oil Seal)

под заказ572 руб.
8 09-719114

     (не оригинальная запчасть) Комплект прокладок RAVE клапана BRP 09-719114

под заказ1 170 руб.
8 09-719204

     (не оригинальная запчасть) Комплект прокладок RAVE клапана BRP 09-719204

под заказ1 100 руб.
8 09-719114-УЦ

     (не оригинальная запчасть) Комплект прокладок RAVE клапана BRP 09-719114 (Уц)

под заказ740 руб.
8 09-710303E

     (не оригинальная запчасть) Комплект прокладок RAVE клапана BRP 09-710303E

под заказ1 360 руб.
8 09-719117

     (не оригинальная запчасть) Комплект прокладок RAVE клапана BRP 09-719117

под заказ1 080 руб.
8 SM-09538E

     (не оригинальная запчасть) Комплект прокладок RAVE клапана BRP SM-09538E

под заказ1 350 руб.
9 420440647

Фланецd Torx Винт M6 X 30 (Flanged Torx Screw M6 X 30)

под заказ284 руб.
10420942330

Воротник Гайка M8 (Collar Nut M8)

под заказ249 руб.
11420855295

Клапан Bar With Position Датчик (Valve Bar With Position Sensor)

под заказ7780 руб.
11XXX

Position Датчик (Position Sensor)

12XXX

Клапан Bar (Valve Bar)

13420441386

Фланецd Torx Винт M6 X 20 (Flanged Torx Screw M6 X 20)

под заказ181 руб.
14420942190

Гайка M12 X 1.5 (Nut M12 X 1.5)

под заказ901 руб.
15420441842

Distance Винт M6 (Distance Screw M6)

под заказ375 руб.
16420201541

Oil Line 445 мм (Oil Line 445MM)

под заказ310 руб.
17420460042

Трубка 390 мм (Tube 390MM)

под заказ601 руб.
18420201541

Oil Line 445 мм (Oil Line 445MM)

под заказ310 руб.
19420460042

Трубка 390 мм (Tube 390MM)

под заказ601 руб.
20420853138

Струбцина 5.8-7.0 мм (Clamp 5.8-7.0MM)

под заказ146 руб.
21420956515

Обратный клапан Ass’y (Check Valve Ass’y)

под заказ2000 руб.
21404160200

SOUPAPE SECERI.*VALVE-CHECK

под заказпо запросу
22420201548

Oil Line 102 мм (Oil Line 102MM)

под заказ308 руб.
23420201548

Oil Line 102 мм (Oil Line 102MM)

под заказ308 руб.
24420851508

Струбцина (Clamp)

под заказ901 руб.
25420997032

Bowden Кабели в сборе (Bowden Cable Assy)

под заказ6780 руб.
25420997033

BOWDEN CABLE ASSY

под заказ8370 руб.
25SM-05280

     (не оригинальная запчасть) Трос выпускного клапана BRP SM-05280

под заказ4 910 руб.
26XXX

Винт M5 X 10 (Screw M5 X 10)

27420912005

Креплениеing Кронштейн (Mounting Bracket)

под заказ1380 руб.
28420889431

Servomotor (Servomotor)

под заказ12570 руб.
29420440149

Фланецd Шестигранный винт M6 X 12 (Flanged Hex. Screw M6 X 12)

под заказ175 руб.
30420945710

Anneau De Retenue (Anneau De Retenue)

под заказ35 руб.
ski-doo

Время выполнения запроса 1.7343239784241 сек.


 
 

данный сайт носит информационный характер и не является публичной офертой

склад запчастей для водомоторной техники